Cos'è ElectroYou | Login Iscriviti

ElectroYou - la comunità dei professionisti del mondo elettrico

Risoluzione circuito elettrico con Thevenin.

Circuiti, campi elettromagnetici e teoria delle linee di trasmissione e distribuzione dell’energia elettrica

Moderatori: Foto Utenteg.schgor, Foto UtenteIsidoroKZ

1
voti

[1] Risoluzione circuito elettrico con Thevenin.

Messaggioda Foto Utenteludojjj » 26 nov 2012, 22:33

CIao a tutti,
Prima di tutto mi volevo scusare con tutti per aver pubblicato un immagine in formato non idoneo per questo forum.
SOno un nuovo utente (15 anni; 3anno di ist. tecnico areonautico) appassioanto di elettrotecnica (materia che ho inizato a studiare quest'anno a scuola).
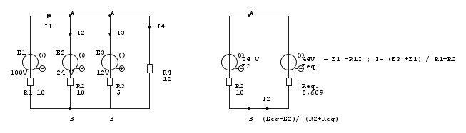
Mentre risolvevo questo circuito con Thevenin con l'obiettivo di calcolare la I2, mi è sorto un dubbio :? .
Ho studiato sul libro che in un generatore in continua (come nel mio caso) la corrente esce SEMPRE DAL TERMINALE POSITIVO DEL GENERATORE.
Nel mio caso non accade questo ! ; infatti nel ramo della I2, la corrente esce dal terminale negativo del generatore :shock: :shock: (eepure il prof ci ha dato questo circuito)
MI potete aiutare a risolvere questo circuito ? Io ci ho provato diverse volte e non torna la verifica sul nodo A dove : I1 = I2 + I3 ( se le correnti nn cambiano verso).
I dati li trovare sul file alleggato; le resistenze non hanno unità di misura ma si intendono gli ohm (naturalmente :D ).
Grazie a tutti
Avatar utente
Foto Utenteludojjj
3 1 3
 
Messaggi: 18
Iscritto il: 26 nov 2012, 20:05

6
voti

[2] Re: Risoluzione circuito elettrico con Thevenin.

Messaggioda Foto Utentecarloc » 26 nov 2012, 22:53

Allora due cose....

Non è vero che la corrente esce sempre dal terminale positivo, come del resto avevi trovato anche tu, e secondo me è un errore troppo grosso per essere in un libro, penso che più probabilmente stai riportando solo un pezzo della storia, nel senso che magari c'erano delle "condizioni" in cui questo avviene magari qualche rigo sopra o sotto.... riporta tutta la frase nel suo contesto o eventualmente se riesci posta una scansione (decente :-) ) della pagina in questione

La seconda riguarda il tuo esercizio.... non ti pare strano che R4 non entri nella soluzione? e infatti le equazioni nello schema sembrano scritte "dimenticando" R4 ;-)

Prova a ricalcolare la tensione a vuoto (la resistenza equivalente invece mi pare ok :ok: )

P.S. visto che ci sei prova ad usare Latex per le formule, ti servono due sole cosette facili facili....
per avere R_1
scrivi
Codice: Seleziona tutto
[tex]R_1[/tex]


invece per avere \frac{E_1}{R_1} scrivi
Codice: Seleziona tutto
[tex]\frac{E_1}{R_1}[/tex]


poi leggiti la guida nell'help :ok:
Se ti serve il valore di beta: hai sbagliato il progetto!
Avatar utente
Foto Utentecarloc
33,8k 6 11 13
G.Master EY
G.Master EY
 
Messaggi: 2153
Iscritto il: 7 set 2010, 19:23

0
voti

[3] Re: Risoluzione circuito elettrico con Thevenin.

Messaggioda Foto Utenteludojjj » 26 nov 2012, 23:08

Ciao carloc :D
Grazie della rispsota.
Mi stai dicendo che nel calcolare la Eequivalente non ho tenuto conto di I4? SI è vero non ho tenuto conto di I4 perché : guarda i ragionamenti sul disegno (spero siano giusti; in caso contrario mi dici come fare xfavore? )
Avatar utente
Foto Utenteludojjj
3 1 3
 
Messaggi: 18
Iscritto il: 26 nov 2012, 20:05

0
voti

[4] Re: Risoluzione circuito elettrico con Thevenin.

Messaggioda Foto Utenteludojjj » 26 nov 2012, 23:13

Per quanto riguarda il libro ti dico come inizia il paragrafo :

GENERATORI ELETTRICI IN CONTINUA E IN ALTERNATA
Esistono generatori elettrici in continua e in alternata.
Riguardo ai generatori in continua:
- essi forniscono tensioni la cui polarità non si inverte mai nel tempo, nel senso che il terminale convenzionalmente positivo del generatore è realmente a potenziale più alto di quello negativo e la situazione nn si inverte mai
- le eventuali correnti determinati da un generatori in continua percorrono il circuito sempre nello stesso verso (uscente dal morsetto positivo del generatore) senza invertirlo mai....
Avatar utente
Foto Utenteludojjj
3 1 3
 
Messaggi: 18
Iscritto il: 26 nov 2012, 20:05

0
voti

[5] Re: Risoluzione circuito elettrico con Thevenin.

Messaggioda Foto UtenteLesStrato » 26 nov 2012, 23:15

Uhm premetto che non svolgo esercizi del genere da un po' di tempo , sono più per l'elettronica e quindi roba inerente a BJT , MOS , diodi comunque...
ludojjj ha scritto:MI potete aiutare a risolvere questo circuito ?

Quando il mio vecchio prof. di elettrotecnica ci diceva di risolvere un circuito era sottointeso che si aspettasse che gli calcolassimo tutte le tensioni e correnti di ramo, ma vedo che nel titolo del post citi Thevenin. Il teorema di Thevenin lo applichi quando ad esempio hai un circuito bello articolato ma a te interessa conoscere solo corrente o tensione o potenza su un ramo specifico, quindi ti stacchi quel ramo e ti determini la Eo (tensione a vuoto ) e la Req vista da quei morsetti...come risultato avrai un circuito equivalente, sicuramente più semplice da trattare , ad una sola maglia , costituito da un generatore di tensione di valore Eo con in serie la sua Req ed infine il ramo che interessava a te. O comunque applichi il teorema in tutti quei casi in cui vuoi semplificare una parte di circuito con un generatore di tensione continua ed una resistenza (o impedenza in generale).
Nel secondo schema infatti posso notare che è stato applicato il teorema sul ramo contenente E2 ed R2 e come vedi il tutto si è ridotto ad una maglia ed il resto della rete è stata rappresentata da una Eeq ed una Req. Ora ti serve la I2? Beh è semplice visto che hai una sola maglia applichi la LKT:

Eeq - E2 -R2I2 - ReqI2 = 0;

I2 = \frac{Eeq - E2}{Req + R2} = \frac{20 V}{12.61\Omega} = 1.58 A

Per quanto riguarda il verso della corrente beh quello convenzionale , si è vero che di solito si assume che la corrente esca dal generatore, però non dovrebbe cambiar nulla , l'importante è che rispetti i segni ( ad esempio metti + alle correnti entranti in un nodo e - a quelle uscenti).

Spero di esserti stato utile , se poi volevi sapere corrente e tensione su ogni ramo del primo circuito beh , per quanto riguarda la tensione di vede distante un miglio che quel circuito urla MILMANN (tutti i rami sono in parallelo )!!! :D ( Millmann : La tensione presente tra due nodi è pari al rapporto tra la somma dei contributi in corrente di ogni ramo e le conduttanze di ogni ramo ). Per intenderci , se hai n rami con entrambi i morsetti convergenti in 2 punti (tutti i rami sono in parallelo) , puoi calcolarti la tensione tra i 2 punti così:

Veq = \sum_{i = 1}^{n}\frac{Ii}{\frac{1}{Ri}}

Per le correnti invece , ti fissi dei versi convenzionali da rispettare e utilizzando la tensione calcolata con Millmann applichi la LKT su ogni ramo e poi fai le formule inverse , se poi vuoi anche le potenze fai i prodotti tra le correnti calcolate e la tensione di Millman ;) ciao!
Avatar utente
Foto UtenteLesStrato
-13 3
 
Messaggi: 35
Iscritto il: 20 mar 2012, 23:48

0
voti

[6] Re: Risoluzione circuito elettrico con Thevenin.

Messaggioda Foto Utenteludojjj » 26 nov 2012, 23:28

Ciao LesStrato, risponda completa ma purtroppo sei arrivato come me al calcolo della I2 = 1,586 A...
Se risolto con Khirkoff la I2 viene negativa :shock: e la verifica torna.
Infatti se risolto come l'ho risolto io la verifica non torna . Eccoti l'esempio :
Vab= E2 - R2I2 (giusto??) = 8.14 V

I3 = Vab/R3 = 1.628

I1 = Vab/R1 = 0.814

PS: A scuola nn ho fatto MILLMAN, stiamo un po' indietro cn il programma; è grave?
Avatar utente
Foto Utenteludojjj
3 1 3
 
Messaggi: 18
Iscritto il: 26 nov 2012, 20:05

1
voti

[7] Re: Risoluzione circuito elettrico con Thevenin.

Messaggioda Foto Utentecarloc » 26 nov 2012, 23:50

Dunque con i versi e le polarità dello schema

V_{ab}=E_1 - R_1 I_1

è giusto :ok:

(P.S. se "fermi" il puntatore del mouse sulla formula vedi che codice Latex serve per scriverla ;-) )

La seconda invece

I=\frac{E_3+E_1}{R_1+R_2}

non ha niente a che vedere con quel circuito :( non tiene conto di R4....

Se non hai fatto Millman va bene qualsiasi altro modo...Kirchhoff, maglie, sovrapposizione degli effetti anche un secondo Thevenin.... come faresti tu? Consideralo un "esercizio nell'esercizio" risolvere quel circuito, quello senza E2 R2 :-)

Per il libro..... è sbagliato :cry: :cry: ok per differnza di potenziale, ma la corrente siamo sicuri che esce solo se il carico è passivo, cioè resistenze.... se ci fossero altri generatori può entarer o uscire o anche essere zero, dipende.

Pensa a questo circuito:


e applica quello che dice il tuo libro: la corrente esce sempre dal terminale positivo e lo si deve applicare ad entrambi i generatori ma questo è impossibile :shock: :shock: se esce da uno deve entrare nell'altro :D

Allora che succede? Beh semplice se percorri l'unica maglia puoi scrivere ad esempio

E_1-R_1I_1-E2=0

e trovare

I_1=\frac{E_1-E_2}{R}

oppure potresti fare la stessa cosa ma con l'altra corrente come incognita e trovare l'opposto di quanto appena trovato, a conferma del fatto che I1=-I2

Prova a farli davvero questi conti ;-)
Se ti serve il valore di beta: hai sbagliato il progetto!
Avatar utente
Foto Utentecarloc
33,8k 6 11 13
G.Master EY
G.Master EY
 
Messaggi: 2153
Iscritto il: 7 set 2010, 19:23

0
voti

[8] Re: Risoluzione circuito elettrico con Thevenin.

Messaggioda Foto UtenteLesStrato » 26 nov 2012, 23:51

ludojjj ha scritto:Vab= E2 - R2I2 (giusto??) = 8.14 V


:shock: assolutamente no , quando stacchi il bipolo non lo utilizzi per la risoluzione del circuito con Thevenin , cioè , finché non hai la Eo e la Req dimenticati del ramo che hai portato fuori :D vedila così dai !

Chiedo scusa per prima , sentivo dire che non hai utilizzato la I4 , perché non lo hai fatto ? Io davo per scontato che il secondo circutio fosse già stato risolto correttamente con Thevenin e mi sono limitato a dirti il valore di I2 in quella maglia , ma se il circuito equivalente è errato anche la I2 lo è...
Beh in questo caso se porti fuori il ramo con E2 ed R2 , per la Vab (che sarebbe la tensione a vuoto) puoi utilizzare la legge di Millman che ti dicevo ed avrai:

Vab = \frac{\frac{E1}{R1} + \frac{E3}{R3}}{\frac{1}{R1}+\frac{1}{R3}+\frac{1}{R4}};

Vab = \frac{10+2.4}{0.1+0.2+0.083}=\frac{12.4}{0.383}=32.375 V

Se vuoi la Req , immagina che tra i punti a e b ci sia un generatore di corrente ed in più ti cortocircuiti tutti i generatori di tensione , si vede ad occhio che R1 // (R3 // R4):

R3 // R4 = \frac{R3\cdot R4}{R3+R4}= 3.53\Omega

Req = \frac{R1\cdot (R3//R4)}{R1+(R3//R4))}=2.6\Omega

Ti puoi ora costruire la maglia finale con il ramo equivalente della reta dato da Vab in serie a Req ed il ramo costituito da E2 ed R2 , da li ti trovi la corrente nel circuito. Ciao ;)
Avatar utente
Foto UtenteLesStrato
-13 3
 
Messaggi: 35
Iscritto il: 20 mar 2012, 23:48

1
voti

[9] Re: Risoluzione circuito elettrico con Thevenin.

Messaggioda Foto Utentecarloc » 27 nov 2012, 0:00

LesStrato ha scritto:utilizzare la legge di Millman che ti dicevo ed avrai:

Vab = \frac{\frac{E1}{R1} + \frac{E3}{R3}}{\frac{1}{R1}+\frac{1}{R3}+\frac{1}{R4}};


mi pare che E3 "spinga in basso ;-) e quindi ci vada un meno...
Se ti serve il valore di beta: hai sbagliato il progetto!
Avatar utente
Foto Utentecarloc
33,8k 6 11 13
G.Master EY
G.Master EY
 
Messaggi: 2153
Iscritto il: 7 set 2010, 19:23

0
voti

[10] Re: Risoluzione circuito elettrico con Thevenin.

Messaggioda Foto UtenteLesStrato » 27 nov 2012, 0:03

carloc ha scritto:mi pare che E3 "spinga in basso ;-) e quindi ci vada un meno...


:shock: ops! scusasse! non l'avevo notato :D beh si certamente ci va un meno , grazie della segnalazione ;)
Avatar utente
Foto UtenteLesStrato
-13 3
 
Messaggi: 35
Iscritto il: 20 mar 2012, 23:48

Prossimo

Torna a Elettrotecnica generale

Chi c’è in linea

Visitano il forum: Nessuno e 17 ospiti