Quanti led può gestire questo tipo di configurazione?? Dipende ovviamente dalla Vdd, no?
Array di LEDs ad intensità variabile in base a V
Moderatori:
carloc,
g.schgor,
BrunoValente,
IsidoroKZ
33 messaggi
• Pagina 2 di 4 • 1, 2, 3, 4
0
voti
Diciamo che erano tante 
Quanti led può gestire questo tipo di configurazione?? Dipende ovviamente dalla Vdd, no?
Quanti led può gestire questo tipo di configurazione?? Dipende ovviamente dalla Vdd, no?
5
voti
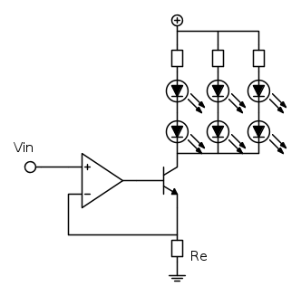
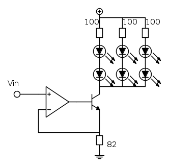
Il numero di led dipende dalla tensione di alimentazione. Per stare molto larghi si puo` considerare che per transistore e resistenza servano almeno 2V di tensione per lavorare bene come generatore di corrente. Se si vuole meno caduta si puo` fare, si puo` scendere al di sotto di 1V ma la corrente di uscita potrebbe non essere piu` cosi` lineare con l'ingresso (ma mi guardo bene dal mettere dei numeri).
Per scendere ancora di tensione necessaria si puo` usare un MOS, e allora si arriva fino a 0.5V o anche meno.
Il numero di led a singola stringa dipende allora dalla tensione di alimentazione: deve essere maggiore o uguale alla tensione complessiva dei led piu` la tensione su resistenza e transisore.
Per pilotare un numero maggiore di led, senza complicare troppo il circuito, si puo` andare su una soluzione del genere:
Questo circuito non e` adatto per led ad alta corrente, si puo` fare di meglio.
Per scendere ancora di tensione necessaria si puo` usare un MOS, e allora si arriva fino a 0.5V o anche meno.
Il numero di led a singola stringa dipende allora dalla tensione di alimentazione: deve essere maggiore o uguale alla tensione complessiva dei led piu` la tensione su resistenza e transisore.
Per pilotare un numero maggiore di led, senza complicare troppo il circuito, si puo` andare su una soluzione del genere:
Questo circuito non e` adatto per led ad alta corrente, si puo` fare di meglio.
Per usare proficuamente un simulatore, bisogna sapere molta più elettronica di lui
Plug it in - it works better!
Il 555 sta all'elettronica come Arduino all'informatica! (entrambi loro malgrado)
Se volete risposte rispondete a tutte le mie domande
Plug it in - it works better!
Il 555 sta all'elettronica come Arduino all'informatica! (entrambi loro malgrado)
Se volete risposte rispondete a tutte le mie domande
0
voti
Molto molto interessante :) anche perché molto probabilmente a monte di tutto avrò dei filtri attivi: vorrei realizzare più "celle" luminose, che si illuminano a seconda della frequenza del suono: una per gli alti, una per i medi, etc).
Inoltre, l'avere molte celle implica che non mi interessano led ad alta corrente, perché tanto la singola cella non deve illuminare una stanza!!
Appena mi arriva il pezzo di perspex saprò con sicurezza quanti LED utilizzerò, intanto comincio a fare uno schemino preliminare dei filtri e lo sottopongo al vostro scrupoloso occhio :)
Intanto: sapete per caso quanto è (all'incirca) la tensione massima peak to peak che raggiunge l'output di un ingresso jack da 3.5mm (per capirci, il normale attacco per le cuffie da PC)?
Ho letto che è variabile in base al dispositivo, infatti prevedo un potenziometro a monte di tutto per poter "regolare" il guadagno iniziale in base al sistema collegato, ma un idea mi piacerebbe averla.
Grazie intanto di tutto!
Inoltre, l'avere molte celle implica che non mi interessano led ad alta corrente, perché tanto la singola cella non deve illuminare una stanza!!
Appena mi arriva il pezzo di perspex saprò con sicurezza quanti LED utilizzerò, intanto comincio a fare uno schemino preliminare dei filtri e lo sottopongo al vostro scrupoloso occhio :)
Intanto: sapete per caso quanto è (all'incirca) la tensione massima peak to peak che raggiunge l'output di un ingresso jack da 3.5mm (per capirci, il normale attacco per le cuffie da PC)?
Ho letto che è variabile in base al dispositivo, infatti prevedo un potenziometro a monte di tutto per poter "regolare" il guadagno iniziale in base al sistema collegato, ma un idea mi piacerebbe averla.
Grazie intanto di tutto!
0
voti
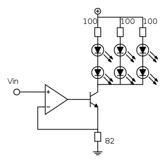
Bene, ho iniziato a fare due simulazioni supponendo che la tensione di ingresso sia compresa tra 0 e 5V, basandomi su questo datasheet per i led, dando i seguenti valori alle resistenze (la tensione del terminale positivo è 17V)
i led che ho utilizzato per la simulazione hanno una tensione di 3.45V a 20mA, mentre quelli del datasheet hanno 3.5V a 20mA, quindi credo che i dati siano sufficientemente attendibili.
La curva tensione d'invresso / corrente totale (somma dei 3 rami) che ottengo è la seguente

Il che vuol dire che ogni ramo dei led ha una corrente linearmente proporzionale al tensione (essendo i rami identici si ripartisce un terzo ciascuno) il cui valore massimo è 20mA, che è la corrente massima che desidero fornire ai led (poi l'intensità comincia a non essere molto lineare). Quindi il circuito funziona molto bene
Grazie mille per il design!!
Adesso provo a lavorare un po' sul circuito a monte
i led che ho utilizzato per la simulazione hanno una tensione di 3.45V a 20mA, mentre quelli del datasheet hanno 3.5V a 20mA, quindi credo che i dati siano sufficientemente attendibili.
La curva tensione d'invresso / corrente totale (somma dei 3 rami) che ottengo è la seguente

Il che vuol dire che ogni ramo dei led ha una corrente linearmente proporzionale al tensione (essendo i rami identici si ripartisce un terzo ciascuno) il cui valore massimo è 20mA, che è la corrente massima che desidero fornire ai led (poi l'intensità comincia a non essere molto lineare). Quindi il circuito funziona molto bene
Grazie mille per il design!! Adesso provo a lavorare un po' sul circuito a monte
3
voti
Che bello, uno che mette i data sheet!
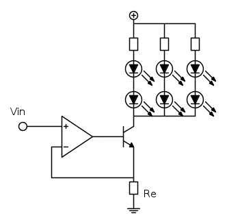
5V di ingresso sono troppi, ti perdi parecchia dinamica o possiblita` di accendere piu` led in serie. QUando sei alla massima luminosita` perdi almeno 6V fra transistore e resistenza sull'emettitore.
Una scelta piu` ragionevole e` avere in ingresso una tensione che vada da 0V a 1V, e per avere 60mA devi mettere una resistenza di emettitore da 16Ω (o anche 15Ω se non trovi quella da 16Ω). Oltre ad avere piu` tensione per accendere piu` led, dissipa anche di meno. Infatti 60mA x 5V=300mV che vuol dire che devi mettere una R da almeno mezzo watt.
L'operazionale deve essere in grado di scendere fino a 0V con la tensione di modo comune in ingresso. In pratica deve essere un operazionale a singola alimentazione.
La resistenza in serie ai vari rami serve per equalizzare la corrente che sarebbe diversa a causa della tolleranza dei led. Supponi di avere n stringhe ciascuna con la stessa tensione totale, tranne una che ha una differenza di tensione rispetto alle altre pari a Delta V. Quel ramo avra una differenza di corrente rispetto al valore nominale, pari a
invece gli altri rami avranno una variazione pari a
e la differenza fra il ramo con la variazione e gli altri rami, in pratica la differenza di luminosita` vale 
Se vuoi una differenza massima di corrente di 2mA e la differenza di tensione dei ledi in serie e` di 200mV, la resistenza da mettere e` da 100Ω
Fai attenzione alle simulazioni con spice, se non lo si usa bene si prendono delle cantonate!
5V di ingresso sono troppi, ti perdi parecchia dinamica o possiblita` di accendere piu` led in serie. QUando sei alla massima luminosita` perdi almeno 6V fra transistore e resistenza sull'emettitore.
Una scelta piu` ragionevole e` avere in ingresso una tensione che vada da 0V a 1V, e per avere 60mA devi mettere una resistenza di emettitore da 16Ω (o anche 15Ω se non trovi quella da 16Ω). Oltre ad avere piu` tensione per accendere piu` led, dissipa anche di meno. Infatti 60mA x 5V=300mV che vuol dire che devi mettere una R da almeno mezzo watt.
L'operazionale deve essere in grado di scendere fino a 0V con la tensione di modo comune in ingresso. In pratica deve essere un operazionale a singola alimentazione.
La resistenza in serie ai vari rami serve per equalizzare la corrente che sarebbe diversa a causa della tolleranza dei led. Supponi di avere n stringhe ciascuna con la stessa tensione totale, tranne una che ha una differenza di tensione rispetto alle altre pari a Delta V. Quel ramo avra una differenza di corrente rispetto al valore nominale, pari a
invece gli altri rami avranno una variazione pari a
e la differenza fra il ramo con la variazione e gli altri rami, in pratica la differenza di luminosita` vale 
Se vuoi una differenza massima di corrente di 2mA e la differenza di tensione dei ledi in serie e` di 200mV, la resistenza da mettere e` da 100Ω
Fai attenzione alle simulazioni con spice, se non lo si usa bene si prendono delle cantonate!
Per usare proficuamente un simulatore, bisogna sapere molta più elettronica di lui
Plug it in - it works better!
Il 555 sta all'elettronica come Arduino all'informatica! (entrambi loro malgrado)
Se volete risposte rispondete a tutte le mie domande
Plug it in - it works better!
Il 555 sta all'elettronica come Arduino all'informatica! (entrambi loro malgrado)
Se volete risposte rispondete a tutte le mie domande
0
voti
Ho capito tutto il ragionamento iniziale, buon segno :)
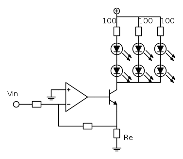
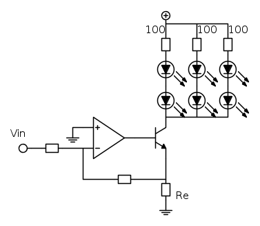
Penso che però a monte ci sarà un rilevatore di inviluppo, infatti come dicevo prima il segnale di tensione sarà un segnale musicale, quindi devo "mitigare" le oscillazioni pur mantenendo l'andamento approssimativo del volume. Questo rilevatore mi farà perdere già 0.7V del diodo: perderli su 5V non mi crea molti problemi, anzi forse è anche positivo perché evita di farmi illuminare i led quando c'è un volume si e no percepibile, ma perderli su 1V è un problema.
Quindi pensavo: se modifico il circuito come segue:
facendo in modoche il non-invertente abbia guadagno 1/5, e quindi utilizzando in ingresso ancora una tensione che va da 0 a 5V in valore assoluto, va ancora bene?
(ovviamente modifico il rilevatore in inviluppo in modo da effettuare l'inviluppo sulle creste negative del segnale, in modo da avere una tensione negativa in ingresso all'opamp, e quindi positiva sulla resistenza Re)
Cerco di leggermi qualcosa su questo argomento :)
Se ho capito bene quanto hai detto, 100Ω dovrebbe andare bene, perché 2mA si riflettono in una variazione del 10% sulla luminosità della singola stringa, che in totale mi modifica il 3,33% della luminosità.... dovrebbe andare bene no?
Grazie ancora!
Penso che però a monte ci sarà un rilevatore di inviluppo, infatti come dicevo prima il segnale di tensione sarà un segnale musicale, quindi devo "mitigare" le oscillazioni pur mantenendo l'andamento approssimativo del volume. Questo rilevatore mi farà perdere già 0.7V del diodo: perderli su 5V non mi crea molti problemi, anzi forse è anche positivo perché evita di farmi illuminare i led quando c'è un volume si e no percepibile, ma perderli su 1V è un problema.
Quindi pensavo: se modifico il circuito come segue:
facendo in modoche il non-invertente abbia guadagno 1/5, e quindi utilizzando in ingresso ancora una tensione che va da 0 a 5V in valore assoluto, va ancora bene?
(ovviamente modifico il rilevatore in inviluppo in modo da effettuare l'inviluppo sulle creste negative del segnale, in modo da avere una tensione negativa in ingresso all'opamp, e quindi positiva sulla resistenza Re)
IsidoroKZ ha scritto:L'operazionale deve essere in grado di scendere fino a 0V con la tensione di modo comune in ingresso. In pratica deve essere un operazionale a singola alimentazione.
Cerco di leggermi qualcosa su questo argomento :)
[/quote]IsidoroKZ ha scritto:La resistenza in serie ai vari rami serve per equalizzare la corrente che sarebbe diversa a causa della tolleranza dei led. Supponi di avere n stringhe ciascuna con la stessa tensione totale, tranne una che ha una differenza di tensione rispetto alle altre pari a Delta V. Quel ramo avra una differenza di corrente rispetto al valore nominale, pari ainvece gli altri rami avranno una variazione pari a
e la differenza fra il ramo con la variazione e gli altri rami, in pratica la differenza di luminosita` vale
Se vuoi una differenza massima di corrente di 2mA e la differenza di tensione dei ledi in serie e` di 200mV, la resistenza da mettere e` da 100Ω
Fai attenzione alle simulazioni con spice, se non lo si usa bene si prendono delle cantonate!
Se ho capito bene quanto hai detto, 100Ω dovrebbe andare bene, perché 2mA si riflettono in una variazione del 10% sulla luminosità della singola stringa, che in totale mi modifica il 3,33% della luminosità.... dovrebbe andare bene no?
Grazie ancora!
1
voti
Non mi piace in versione negativa. Richiede doppia alimentazione. Meglio lasciare la versione precedente a 5V, se hai abbastanza alimentazione va bene. Altrimenti metti un partitore all'ingresso. Oppure ancora fai un raddrizzatore attivo che quindi non ha problemi di soglia.
CI potrebbero essere problemi di dinamica, ma bisogna prima provare.
CI potrebbero essere problemi di dinamica, ma bisogna prima provare.
Per usare proficuamente un simulatore, bisogna sapere molta più elettronica di lui
Plug it in - it works better!
Il 555 sta all'elettronica come Arduino all'informatica! (entrambi loro malgrado)
Se volete risposte rispondete a tutte le mie domande
Plug it in - it works better!
Il 555 sta all'elettronica come Arduino all'informatica! (entrambi loro malgrado)
Se volete risposte rispondete a tutte le mie domande
0
voti
Al raddrizzatore attivo ci avevo pensato, ma mi raddoppiava il numero degli opamp, soprattutto se come dicevo prima voglio creare più celle per differenti componenti frequenziali, già su 8 canali mi diventano 8 opamp per i filtri, 8 per i raddrizzatori ed 8 per i led-driver (più amplificatori iniziali etc)... E più roba metto, più vedo vicino l'errore durante il montaggio
Domanda: ma se il condensatore lo metto in parallelo con Re genero un buconero, o va bene? Così risparmierei tutto il bordello del rivelatore di inviluppo...
Per problemi di dinamica cosa intendi?
Intanto butto giù lo schema completo di un intera cella (circuito d'ingresso, filtro, raddrizzatore, leds) e vedo se si può semplificare / sistemare qualcosa
EDIT: ho detto una cavolata, creerebbe effetivamente un buco nero visto che la tensione deve comunque essere uguale a quella del terminale negativo dell'opamp!! A questo punto il partitore mi sembra la scelta migliore...
Domanda: ma se il condensatore lo metto in parallelo con Re genero un buconero, o va bene? Così risparmierei tutto il bordello del rivelatore di inviluppo...
Per problemi di dinamica cosa intendi?
Intanto butto giù lo schema completo di un intera cella (circuito d'ingresso, filtro, raddrizzatore, leds) e vedo se si può semplificare / sistemare qualcosa
EDIT: ho detto una cavolata, creerebbe effetivamente un buco nero visto che la tensione deve comunque essere uguale a quella del terminale negativo dell'opamp!! A questo punto il partitore mi sembra la scelta migliore...
0
voti
Mi è arrivato il pezzo di perspex ed è decisamente troppo spesso, riesco ad ottenere più o meno il doppio della luce che voglio mettendogli dietro una lampada da 550lumen (http://energy-star-lighting.findthebest ... Light-Bulb).
E' certo quindi che dovrò cambiare il mio design e mettere dei leds più potenti (mi sa che sono stato troppo ingenuo a pensare che bastassero questi
) ma credo cambierò anche il fornitore dei fogli di perspex: voi sapete qualche posto su internet dove posso ordinarne (mi servono fogli di 1.5mm massimo di spessore)?
EDIT:
Guardavo questo Leddi potenza da 300-400 Lumen, sembra anche consumare meno dei 6 leds del mio design e potrei continuare ad utilizzare questo perspex. Non riesco però a trovare il datasheet per farmi un idea della curva luminosità - corrente
, inoltre ho paura che hanno messo "mA" ma in realtà siano "A", sapete aiutarmi?
E' certo quindi che dovrò cambiare il mio design e mettere dei leds più potenti (mi sa che sono stato troppo ingenuo a pensare che bastassero questi
EDIT:
Guardavo questo Leddi potenza da 300-400 Lumen, sembra anche consumare meno dei 6 leds del mio design e potrei continuare ad utilizzare questo perspex. Non riesco però a trovare il datasheet per farmi un idea della curva luminosità - corrente
1
voti
Non so dove trovare il perspex. Nel data sheet hanno in effetti scritto mA al posto di A. A questo punto puoi trovare dei driver dimmerabili a corrente massima di 350mA.
Per usare proficuamente un simulatore, bisogna sapere molta più elettronica di lui
Plug it in - it works better!
Il 555 sta all'elettronica come Arduino all'informatica! (entrambi loro malgrado)
Se volete risposte rispondete a tutte le mie domande
Plug it in - it works better!
Il 555 sta all'elettronica come Arduino all'informatica! (entrambi loro malgrado)
Se volete risposte rispondete a tutte le mie domande
33 messaggi
• Pagina 2 di 4 • 1, 2, 3, 4
Chi c’è in linea
Visitano il forum: Nessuno e 239 ospiti

Elettrotecnica e non solo (admin)
Un gatto tra gli elettroni (IsidoroKZ)
Esperienza e simulazioni (g.schgor)
Moleskine di un idraulico (RenzoDF)
Il Blog di ElectroYou (webmaster)
Idee microcontrollate (TardoFreak)
PICcoli grandi PICMicro (Paolino)
Il blog elettrico di carloc (carloc)
DirtEYblooog (dirtydeeds)
Di tutto... un po' (jordan20)
AK47 (lillo)
Esperienze elettroniche (marco438)
Telecomunicazioni musicali (clavicordo)
Automazione ed Elettronica (gustavo)
Direttive per la sicurezza (ErnestoCappelletti)
EYnfo dall'Alaska (mir)
Apriamo il quadro! (attilio)
H7-25 (asdf)
Passione Elettrica (massimob)
Elettroni a spasso (guidob)
Bloguerra (guerra)





