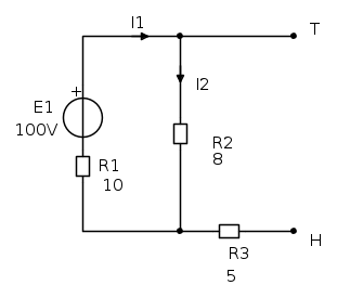
Procedo staccando E3 dallo schema:
ottenendo la rete:
La cui tensione Vth è:

e la resistenza equivalente è:

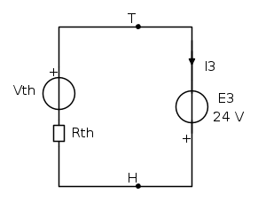
In definitiva, dopo aver calcolato l'equivalente, la rete diventa:
E quindi troverò:

Così
Ciao da Pietro.

Moderatori:
g.schgor,
IsidoroKZ






RenzoDF ha scritto:Hai ragione mancava pure quello
RenzoDF ha scritto:quindi diciamo che manca un Thevenin 4



RenzoDF ha scritto:Si, il Thevenin 4![]()



Torna a Elettrotecnica generale
Visitano il forum: Nessuno e 18 ospiti