Ciao,
lcua31989 ha scritto:Ecco le mie domande:
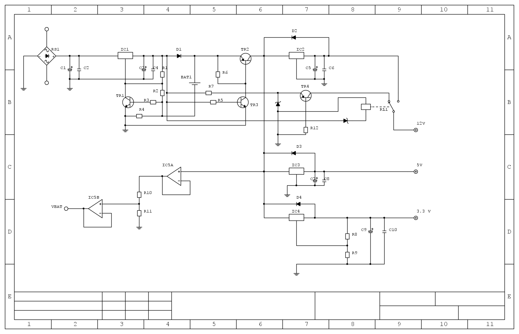
1) so che il 7812 (ic2) se in ingresso do 12Volt lavora male, e quindi ho dovuto pensare ad un sistema che commutasse i 12 volt da rete a batteria. Questo è stato pensato con il relè RL1. Vorrei eliminare il relè e mettere qualcosa d'altro che consumi meno corrente. Avete qualche idea a riguardo?
I normali regolatori lineari integrati richiedono in ingresso una tensione di almeno 2 o 3 volt superiore a quella d'uscita. Poi esistono quelli a basso dropout (cerca "LDO Regulator") ai quali basta qualche centinaio di millivolt.
Al posto del relè di solito si usa un diodo. Uno Schottky se vuoi meno caduta di tensione. Si potrebbe anche usare un mosfet, ma il circuito di comando del gate aggiunge complessità al circuito.
lcua31989 ha scritto:2) come faccio a sapere la dimensione corretta delle alette di raffredamento degli integrati ic1, ic2, ic3 e ic4?
Bisogna sapere la massima temperatura di lavoro della giunzione, la massima temperatura ambiente, la massima potenza dissipata, le resistenze termiche del contenitore e dell'aletta. I conti poi sono simili a quelli che si fanno per calcolare tensioni, correnti e resistenze con la legge di Ohm. Sinceramente io non ricordo di averli mai fatti.
lcua31989 ha scritto:3) il sistema di ic5 è veramente una cavolta, ma è l'unico modo che mi permette di attenuare la tensione senza troppi consumi per d'arlo in pasto al converitore AD del PIC. Avete qualche suggerimento migliore a riguardo?
Se ti seve monitorare la tensione d'ingresso prima dello stabilizzatore, ti basta un partitore di tensione. Non capisco perché hai inserito quei due operazionali.
lcua31989 ha scritto:4) come dimensiono il trasformatore per questo alimentatore?
In base alla corrente totale che ti serve...
lcua31989 ha scritto:5) a che tensione le centraline e sirene esterne considerano la batteria scarica?
Dipenderà dalla centralina e dalla sirena... alcune funzionano "finché ce la fanno"...
Comunque se restano troppo tempo sotto gli 11 V (molto a spanne) le batterie al piombo cominciano a solfatarsi irrimediabilmente.
Piuttosto non capisco il perché di quei quattro transistor nel circuito. A prima vista lavorano tutti in saturazione e tanto vale sostituirli con pezzi di filo (che poi il circuito funzioni, è un altro paio di maniche). E i due zener, a che cosa servono?
La resistenza R4 è un difetto fatale, è in serie alla batteria quando questa si scarica...
Mah!
