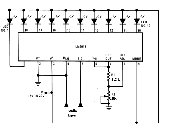
Scusate se apro un nuovo topic ma l'altro dove si parlava di questa cosa è stato chiuso.. Il circuito è semplicissimo: VU meter a led con microfono.
Non c'è nulla da dire sul circuito che è di una semplicità pazzesca da fare però ho un dubbio sul funzionamento. Come ho anticipato prima vorrei che i led si accendano con un segnale audio, ovvero mettere un microfono tra i pin 4 e 5.. Tarato giustamente funziona o serve un pre-amplificatore che alzi la tensione del microfono?
Grazie.
vu meter con microfono
Moderatori:
g.schgor,
IsidoroKZ
9 messaggi
• Pagina 1 di 1
0
voti
0
voti
Perche' quel circuito funzioni e' necessario un preamplificatore; se ne e' parlato a lungo in questo thread.
marco
0
voti
esatto mir!
Per pre-amplificare il segnale posso mettere prima dell'ingresso un uA741?
Mi spiego meglio: segnale audio catturato dal microfono -----> uA741 -----> LM3914
Per pre-amplificare il segnale posso mettere prima dell'ingresso un uA741?
Mi spiego meglio: segnale audio catturato dal microfono -----> uA741 -----> LM3914
9 messaggi
• Pagina 1 di 1
Torna a Elettrotecnica generale
Chi c’è in linea
Visitano il forum: Nessuno e 110 ospiti

Elettrotecnica e non solo (admin)
Un gatto tra gli elettroni (IsidoroKZ)
Esperienza e simulazioni (g.schgor)
Moleskine di un idraulico (RenzoDF)
Il Blog di ElectroYou (webmaster)
Idee microcontrollate (TardoFreak)
PICcoli grandi PICMicro (Paolino)
Il blog elettrico di carloc (carloc)
DirtEYblooog (dirtydeeds)
Di tutto... un po' (jordan20)
AK47 (lillo)
Esperienze elettroniche (marco438)
Telecomunicazioni musicali (clavicordo)
Automazione ed Elettronica (gustavo)
Direttive per la sicurezza (ErnestoCappelletti)
EYnfo dall'Alaska (mir)
Apriamo il quadro! (attilio)
H7-25 (asdf)
Passione Elettrica (massimob)
Elettroni a spasso (guidob)
Bloguerra (guerra)





