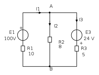
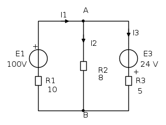
Procedo staccando un pezzo di filo dallo schema:
ottenendo la rete:
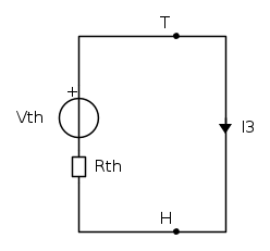
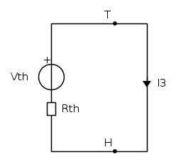
La cui tensione Vth è:

e la resistenza equivalente è:

In definitiva, dopo aver calcolato l'equivalente, la rete diventa:
E quindi troverò:

Se è così, sei un trassone
Ciao da Pietro.

Moderatori:
g.schgor,
IsidoroKZ






PietroBaima ha scritto: ... Se è così, sei un trassone![]()





PietroBaima ha scritto:potevi quasi farci un "Ah, ci sono!"![]()
![]()
RenzoDF ha scritto:[...] (... BTW per i dati basta usare un ; finale per non riceverne l'echo)
[...]
Thanksalotludojjj ha scritto:Volevo ringragziare tutti per le risposte....Adesso su richiesta di Carloc carico l'immagine del libro
ludojjj ha scritto:Volevo ringragziare tutti per le risposte....
ludojjj ha scritto:Adesso su richiesta di Carloc carico l'immagine del libro


Torna a Elettrotecnica generale
Visitano il forum: Nessuno e 118 ospiti