ho comprato i pezzi nuovi , l'ho assemblato di nuovo mettendoci molta più attenzione ai collegamenti e controllando che non ci fossero falsi contatti da stagno che sbordava dalle piazzole , ma ancora una volta non succede nulla , le resistenze da 82k , 100 ohm e 1k messe in parallelo sul secondo monostabile diventano incandescenti ora incollo il disegno dei collegamenti che ho fatto , ora posso provare col tester avevi detto di controllare il pin 3 di entrambi i monostabili , con un polo tocco il pin 3 e con l'altro dove ?
Edit marco438: ho cancellato il disegno che,oltre ad essere sbagliato, e' inguardabile.
Ripostalo usando fidocadJ.
Risposta a MP
Moderatori:
carloc,
g.schgor,
BrunoValente,
IsidoroKZ
34 messaggi
• Pagina 2 di 4 • 1, 2, 3, 4
0
voti
[11] Re: Risposta a MP
-

CavaliereSbullonato
43 6 - Frequentatore

- Messaggi: 173
- Iscritto il: 18 ott 2011, 17:16
0
voti
[12] Re: Risposta a MP
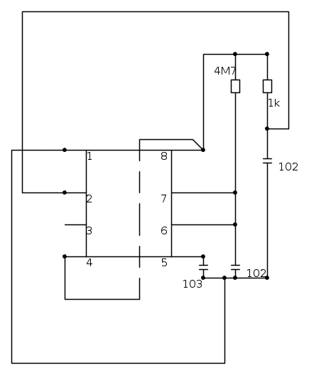
Quello non è lo schema che ti ho postato io nel messaggio 1. A parte i valori dei condensatori che se non erro hai messo a tuo piacimento, rivedilo bene.
Nel MP, riguardo alla resistenza da 100Ω e 1k ti avevo detto infine di metterle tutte e due da 10k.
Che scaldino sia la resistenza da 82k e quella da 10k, mi sembra un po' strano.
A me sembra che tu non faccia attenzione a quello che ti si scrive, oltre a non riuscire a copiare uno schema.
CavaliereSbullonato ha scritto:le resistenze [..] 100 ohm e 1k messe in parallelo sul secondo monostabile diventano incandescenti
Nel MP, riguardo alla resistenza da 100Ω e 1k ti avevo detto infine di metterle tutte e due da 10k.
Che scaldino sia la resistenza da 82k e quella da 10k, mi sembra un po' strano.
A me sembra che tu non faccia attenzione a quello che ti si scrive, oltre a non riuscire a copiare uno schema.
0
voti
[13] Re: Risposta a MP
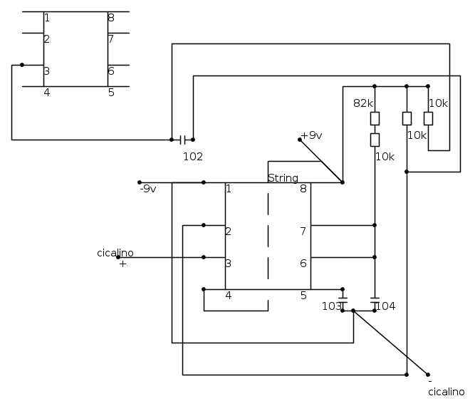
i condensatori non li ho messi a mio piacimento sono andato a comprarli apposta esattamente quelli che mi hai inserito nello schema e il negoziante mi ha detto che non li trovo più da nessuna parte e quindi mi sono dovuto accontentare di quelli nf esattamente come ti chiesi nei messaggi mp , il disegno dello schema lo rifarò su filocad
-

CavaliereSbullonato
43 6 - Frequentatore

- Messaggi: 173
- Iscritto il: 18 ott 2011, 17:16
0
voti
[15] Re: Risposta a MP
facciamo così andiamo per passi che è più semplice per tutti , tolti i componenti che non riesco a trovare - dovrò girare più negozi di componenti elettronici - nel primo monostabile i collegamenti sono giusti?
Ultima modifica di
marco438 il 5 dic 2012, 20:59, modificato 2 volte in totale.
Motivazione: Inserito schema in FidoCadJ
Motivazione: Inserito schema in FidoCadJ
-

CavaliereSbullonato
43 6 - Frequentatore

- Messaggi: 173
- Iscritto il: 18 ott 2011, 17:16
0
voti
[18] Re: Risposta a MP
ok almeno il primo è apposto , ora faccio lo stesso col secondo e inserisco lo schema in questo messaggio quando ho fatto
-

CavaliereSbullonato
43 6 - Frequentatore

- Messaggi: 173
- Iscritto il: 18 ott 2011, 17:16
0
voti
[20] Re: Risposta a MP
ho capito si possono sempre cambiare ma ripeto al negozio mi hanno detto che da 1u e 100u non si trovano più , li devo cercare sulla baya
-

CavaliereSbullonato
43 6 - Frequentatore

- Messaggi: 173
- Iscritto il: 18 ott 2011, 17:16
34 messaggi
• Pagina 2 di 4 • 1, 2, 3, 4
Chi c’è in linea
Visitano il forum: Majestic-12 [Bot] e 178 ospiti

Elettrotecnica e non solo (admin)
Un gatto tra gli elettroni (IsidoroKZ)
Esperienza e simulazioni (g.schgor)
Moleskine di un idraulico (RenzoDF)
Il Blog di ElectroYou (webmaster)
Idee microcontrollate (TardoFreak)
PICcoli grandi PICMicro (Paolino)
Il blog elettrico di carloc (carloc)
DirtEYblooog (dirtydeeds)
Di tutto... un po' (jordan20)
AK47 (lillo)
Esperienze elettroniche (marco438)
Telecomunicazioni musicali (clavicordo)
Automazione ed Elettronica (gustavo)
Direttive per la sicurezza (ErnestoCappelletti)
EYnfo dall'Alaska (mir)
Apriamo il quadro! (attilio)
H7-25 (asdf)
Passione Elettrica (massimob)
Elettroni a spasso (guidob)
Bloguerra (guerra)



