Cos'è ElectroYou | Login Iscriviti

ElectroYou - la comunità dei professionisti del mondo elettrico

Rete Sinusoidale stazionaria con applicazione Thevenin

Circuiti, campi elettromagnetici e teoria delle linee di trasmissione e distribuzione dell’energia elettrica

Moderatori: Foto Utenteg.schgor, Foto UtenteIsidoroKZ

0
voti

[1] Rete Sinusoidale stazionaria con applicazione Thevenin

Messaggioda Foto Utenteficium » 11 dic 2012, 22:23

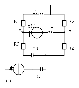
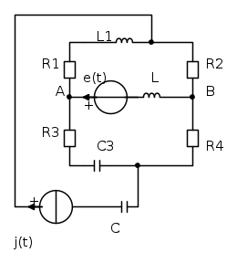
ho un dubbio su questo esercizio , ho una rete sinusoidale in regime stazionario il circuito è :


I dati sono : R_{1}=20;
R_{2}=30;
R_{3}=R_{2}=R_{4};
L=0,5\times 10^{-3} H;
L_{1}=L
C=0,5\times 10^{-3} F;
C_{1}=C F ;
e(t)=\sqrt{2}Esin(\omega t+\pi /4) [V] ;
J(t)=\sqrt{2}jsin(\omega t-\pi /4) [A] ;
\omega =10 rad/sec ;
E=10V ;
j=5A .

Si vuole calcolare il valore della tensione ai capi AB applicando Thevenin,
nella risoluzione però il professore non considera C_{3} e L_{1}
, semplicemente scompaiono , l'applicazione di Thevenin da:

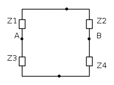
per il calcolo della resistenza equivalente



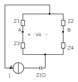
per il calcolo della tensione a vuoto :



Come potete vedere C_{3} e L_{1} sono scomparsi
(Z_{1} ecc.. sono le impedenze )
Avatar utente
Foto Utenteficium
40 4
 
Messaggi: 36
Iscritto il: 28 nov 2012, 23:01

0
voti

[2] Re: Rete Sinusoidale stazionaria con applicazione Thevenin

Messaggioda Foto UtenteMatteo1991 » 12 dic 2012, 14:59

Potrebbe essere che con Z1 = R1+jwL1 e Z3=R3+1/jwC3???
w=omega
Succede spesso che in classe saltino qualche passaggio.
Avatar utente
Foto UtenteMatteo1991
406 2 4 12
Frequentatore
Frequentatore
 
Messaggi: 280
Iscritto il: 28 giu 2012, 16:38

0
voti

[3] Re: Rete Sinusoidale stazionaria con applicazione Thevenin

Messaggioda Foto Utenteficium » 12 dic 2012, 19:59

a quanto pare era solo un modo per confondere gli studenti , ho rifatto tutti i calcoli , e dopo mille controlli ho verificato che effettivamente Z_{1}=R_{1}+j\omega L e Z_{3}=R_{3}-\frac{j}{\omega C} due semplici impedenze equivalenti di serie ... :-|
Avatar utente
Foto Utenteficium
40 4
 
Messaggi: 36
Iscritto il: 28 nov 2012, 23:01


Torna a Elettrotecnica generale

Chi c’è in linea

Visitano il forum: Nessuno e 130 ospiti