Buonasera ragazzi!
Avevo intenzione di realizzare un circutio amplificatore,per amplificare artoparlanti,mp3 o cose del genere.
All'inizio volevo usare un TBA820M,che può gestire un artoparlante di massimo 2W 4-8ohm,con questo circuito che avevo trovato su internet:
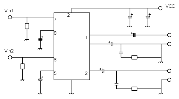
ma oggi ho visto che c'è un circuito integrato,D2822A,che amplifica l'audio e può gestire fino a due artoparlanti,ma non riesco a trovare un datasheet dove viene detto che artoparlanti gestice,fino a quanti watt? mi potreste aiutare a trovare il datasheet completa? riesco a trovarne solo alcune parti,in un datasheet ho trovato questo circuito,che ne pensate:
solo che,con il TBA820 avevo intenzione di mettere due morsetti così da poter collegare,non solo,gli artoparlanti,ma con un cavetto jack posso anche attaccare diverse cose,mp3,casse tipo quelli per PC un microfono ecc,con il D2822A si può fare? che ne pensate? consigli?
Amplificatore audio di piccoli altoparlanti
Moderatori:
carloc,
g.schgor,
BrunoValente,
IsidoroKZ
29 messaggi
• Pagina 1 di 3 • 1, 2, 3
2
voti
Potresti andare in un qualsiasi sito che vende componenti elettronici come RS, Digikey e compagnia cantante e selezionare la lista degli integrati amplificatori audio. Ce ne sono una montagna che, con pochi componenti di contorno, fanno lo stesso lavoro.
Ah, gli amplificatori non "gestiscono" gli altoparlanti o cuffie, li pilotano.
Le gestioni sono un' altra cosa.
Ah, gli amplificatori non "gestiscono" gli altoparlanti o cuffie, li pilotano.
Le gestioni sono un' altra cosa.
"La follia sta nel fare sempre la stessa cosa aspettandosi risultati diversi".
"Parla soltanto quando sei sicuro che quello che dirai è più bello del silenzio".
Rispondere è cortesia, ma lasciare l'ultima parola ai cretini è arte.
"Parla soltanto quando sei sicuro che quello che dirai è più bello del silenzio".
Rispondere è cortesia, ma lasciare l'ultima parola ai cretini è arte.
-

TardoFreak
73,9k 8 12 13 - -EY Legend-

- Messaggi: 15754
- Iscritto il: 16 dic 2009, 11:10
- Località: Torino - 3° pianeta del Sistema Solare
2
voti
Di circuiti integrati, amplificatori audio, ne trovi a decine in qualunque catalogo di produttori di "silicio".
La prima cosa da fare è: "capire che cosa si vuole fare" (dalla tua domanda non è chiaro cosa ci devi fare di sto amplificatore ..); poi è abbastanza facile cercare il silicio che più si adatta al compito.
Molti produttori hanno, nei loro siti, dei "filtri" che ti permettono, in base a dei parametri, di arrivare al dispositivo più adatto.
Per primo, comunque, avere idee ben chiare !
Bye
Ser.Tom
La prima cosa da fare è: "capire che cosa si vuole fare" (dalla tua domanda non è chiaro cosa ci devi fare di sto amplificatore ..); poi è abbastanza facile cercare il silicio che più si adatta al compito.
Molti produttori hanno, nei loro siti, dei "filtri" che ti permettono, in base a dei parametri, di arrivare al dispositivo più adatto.
Per primo, comunque, avere idee ben chiare !
Bye
Ser.Tom0
voti
Sono un novizio dell'elettronica mi è saltato in mente di creare un semplice amplificatore,non lo devo usare per uno scopo preciso XD però voglio realizzarne uno per poter amplificare mp3 o qualsiasi dispositivo che generi audio,tipo microfoni ecc,ne vorrei realizzare uno con due artoparlanti,e qui ho un dubbio,se ne uso due con potenza differente,che succede? ne ho uno da 3W e 8ohm e uno più piccolino del 3W ma non c'è scritto nulla quindi non so niente,che mi consigli di usare?
-

razielmitico
-10 5 - Frequentatore

- Messaggi: 153
- Iscritto il: 23 ott 2012, 22:59
0
voti
razielmitico ha scritto:ma oggi ho visto che c'è un circuito integrato,D2822A,che amplifica l'audio e può gestire fino a due artoparlanti,ma non riesco a trovare un datasheet dove viene detto che artoparlanti gestice,fino a quanti watt? mi potreste aiutare a trovare il datasheet completa?
Forse non lo trovi perche' la sigla dell'integrato e TDA2822; qui puoi vedere il datasheet e gli schemi di massima.
Quell'integrato non "gestisce" due altoparlanti ma ha un'uscita stereofonica cui e' necessario collegare due trasduttori uguali.
marco
0
voti
Capito,come faccio a capire gli ohm e i watt di un artoparlante?
-

razielmitico
-10 5 - Frequentatore

- Messaggi: 153
- Iscritto il: 23 ott 2012, 22:59
0
voti
E' questo il problema non c'è scritto,uno è da 3W 8ohm perché c'è scritto dietro ma nell'altro no,di sicuro è più piccolo di 3W (perché è molto più piccolo del 3W come dimensioni),ma non c'è un modo di calcolare i Watt e la resistenza con il tester?
-

razielmitico
-10 5 - Frequentatore

- Messaggi: 153
- Iscritto il: 23 ott 2012, 22:59
1
voti
razielmitico ha scritto:Capito,come faccio a capire gli ohm e i watt di un artoparlante?
Se non è stampigliato sopra e se non c'è nessuna sigla che riconduca al produttore e quindi un potenziale datasheet ufficiale ... allora son dolori.
Per l'impedenza, normalmente i valori sono 4 o 8 ohm per gli altoparlanti del tipo per casse acustiche oppure 16 o 32 ohm se del tipo per cuffie, ma non è una regola vincolante perché ci sono cuffie da 4 ohm.
La misura col tester non è corretta perché il tester misura solo il valore della resistenza. La misura andrebbe fatta con un segnale sinusoidale a 1kHz; solo gli hommetri professionali lo fanno.
Per la potenza è ancora peggio, la dimensione in sé (diametro) non è un buon indicatore, es. a parità di potenza, un altoparlante per i "medi" è sensibilmente più piccolo che uno per i "bassi". Un discreto indicatore è la dimensione del magnete; ma giusto per capire se è da 3 o da 30W.
Per ultimo esiste la prova: posto che devi avere un segnale pulito e proveniente da amplificatore "generoso" (es. un classico autoradio ha almeno 5W di potenza) puoi iniziare a basso volume, poi alzarlo lentamente, quando senti che il suono perde pesantemente di qualità vuol dire che hai superato la potenza dell'altoparlante.
Bye
Ser.Tom0
voti
Oltre ai suggerimenti di
SerTom, aggiungerei che su Ebay, con tre o quattro euro, ne puoi comprare una coppia per il tuo progetto del valore necessario, senza perdere tempo in prove che difficilmente ti porteranno ad un risultato certo.
marco
29 messaggi
• Pagina 1 di 3 • 1, 2, 3
Chi c’è in linea
Visitano il forum: Nessuno e 101 ospiti

Elettrotecnica e non solo (admin)
Un gatto tra gli elettroni (IsidoroKZ)
Esperienza e simulazioni (g.schgor)
Moleskine di un idraulico (RenzoDF)
Il Blog di ElectroYou (webmaster)
Idee microcontrollate (TardoFreak)
PICcoli grandi PICMicro (Paolino)
Il blog elettrico di carloc (carloc)
DirtEYblooog (dirtydeeds)
Di tutto... un po' (jordan20)
AK47 (lillo)
Esperienze elettroniche (marco438)
Telecomunicazioni musicali (clavicordo)
Automazione ed Elettronica (gustavo)
Direttive per la sicurezza (ErnestoCappelletti)
EYnfo dall'Alaska (mir)
Apriamo il quadro! (attilio)
H7-25 (asdf)
Passione Elettrica (massimob)
Elettroni a spasso (guidob)
Bloguerra (guerra)



