La tensione di uscita dovrebbe arrivare al massimo a 3 volt ,ma non trovo soluzione per dimensionare i componenti.
Convertitori con innalzamento tensione d' ingresso
Moderatori:
carloc,
g.schgor,
BrunoValente,
IsidoroKZ
10 messaggi
• Pagina 1 di 1
0
voti
Salve a tutti, sarei molto curioso di sapere come poter dimensionare un convertitore con innalzamento di tensione partenso da un piccolo segnale sinusoidale con valore 0.5Volt.
La tensione di uscita dovrebbe arrivare al massimo a 3 volt ,ma non trovo soluzione per dimensionare i componenti.

La tensione di uscita dovrebbe arrivare al massimo a 3 volt ,ma non trovo soluzione per dimensionare i componenti.
-

manuellavelli
-2 1 2 - Messaggi: 18
- Iscritto il: 27 nov 2012, 10:59
0
voti
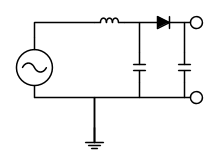
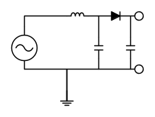
http://it.wikipedia.org/wiki/File:Boost_conventions.svg
questo è il circuit in ingresso e 0.5v ma è sinusoidale e sicuramente dovrò raddrizzarlo con il ponte..............ma poi non trovo come calcolare il resto grazie mille.
questo è il circuit in ingresso e 0.5v ma è sinusoidale e sicuramente dovrò raddrizzarlo con il ponte..............ma poi non trovo come calcolare il resto grazie mille.
-

manuellavelli
-2 1 2 - Messaggi: 18
- Iscritto il: 27 nov 2012, 10:59
0
voti
Ultima modifica di
carloc il 23 dic 2012, 10:41, modificato 1 volta in totale.
Motivazione: Il codice Fidocad va tra i tag [fcd]...[/fcd]
Motivazione: Il codice Fidocad va tra i tag [fcd]...[/fcd]
-

manuellavelli
-2 1 2 - Messaggi: 18
- Iscritto il: 27 nov 2012, 10:59
1
voti
Il vero problema per quello che vuoi fare è che 0,5V (di picco o efficaci) sono veramente pochi....
se raddrizzi anche con dei diodi Schottky non ti trovi più niente a valle per il convertitore DC/DC.. inoltre anche se tu avessi 0,5V continui non è che sia una passegiata fare un convertitore.. a tensioni così basse i diodi non servono a niente, hanno cadute che si "mangiano" tutto... "accendere" MOS o BJT idem grosso problema
Inoltre sei a conoscenza del principio di conservazione dell'energia? Tipo se vuoi 100mA a 3V ti servono come minimo fisico 600mA a 0,5V che poi ben che vada diventano facilmente 1A a causa del rendimento...
Io direi : esponi bene il problema senza abbozzi di soluzione, da dove vengono 'sti 0,5V che corrente possono fornire, cosa devi alimentare... insomma tutto
se raddrizzi anche con dei diodi Schottky non ti trovi più niente a valle per il convertitore DC/DC.. inoltre anche se tu avessi 0,5V continui non è che sia una passegiata fare un convertitore.. a tensioni così basse i diodi non servono a niente, hanno cadute che si "mangiano" tutto... "accendere" MOS o BJT idem grosso problema
Inoltre sei a conoscenza del principio di conservazione dell'energia? Tipo se vuoi 100mA a 3V ti servono come minimo fisico 600mA a 0,5V che poi ben che vada diventano facilmente 1A a causa del rendimento...
Io direi : esponi bene il problema senza abbozzi di soluzione, da dove vengono 'sti 0,5V che corrente possono fornire, cosa devi alimentare... insomma tutto
Se ti serve il valore di beta: hai sbagliato il progetto!
0
voti
I 0.5Volt li trovo su una bobina e una fem indotta da magneti che passano nella bobina.
-

manuellavelli
-2 1 2 - Messaggi: 18
- Iscritto il: 27 nov 2012, 10:59
0
voti
Ma devi usarli come alimentazione, oppure si tratta di segnale? Il discorso fatto fino ad adesso fa intendere che ti serva per alimentare qualcosa, ma non conoscendo il tuo livello di esperienza può essere anche che ti serve come segnale e che tu disponga di un'alimentazione esterne.
Nel secondo caso sarebbe più semplice.
Nel secondo caso sarebbe più semplice.
1
voti
manuellavelli ha scritto:I 0.5Volt li trovo su una bobina e una fem indotta da magneti che passano nella bobina.
Queste non sono spiegazioni; devi dire in cosa consiste l'intero progetto e cosa intendi fare, nei minimi particolari.
Altrimenti il thread non va avanti.
marco
0
voti
Ho trovato il tutto esegiuto dall' integrato cnp1440A.grazie a tutti
-

manuellavelli
-2 1 2 - Messaggi: 18
- Iscritto il: 27 nov 2012, 10:59
10 messaggi
• Pagina 1 di 1
Chi c’è in linea
Visitano il forum: Nessuno e 80 ospiti

Elettrotecnica e non solo (admin)
Un gatto tra gli elettroni (IsidoroKZ)
Esperienza e simulazioni (g.schgor)
Moleskine di un idraulico (RenzoDF)
Il Blog di ElectroYou (webmaster)
Idee microcontrollate (TardoFreak)
PICcoli grandi PICMicro (Paolino)
Il blog elettrico di carloc (carloc)
DirtEYblooog (dirtydeeds)
Di tutto... un po' (jordan20)
AK47 (lillo)
Esperienze elettroniche (marco438)
Telecomunicazioni musicali (clavicordo)
Automazione ed Elettronica (gustavo)
Direttive per la sicurezza (ErnestoCappelletti)
EYnfo dall'Alaska (mir)
Apriamo il quadro! (attilio)
H7-25 (asdf)
Passione Elettrica (massimob)
Elettroni a spasso (guidob)
Bloguerra (guerra)





