Cos'è ElectroYou | Login Iscriviti

ElectroYou - la comunità dei professionisti del mondo elettrico

Installazione FV a regola d'arte?

Progettazione, esercizio, manutenzione, sicurezza, leggi, normative...

Moderatori: Foto Utentesebago, Foto UtenteMASSIMO-G, Foto Utentelillo, Foto UtenteMike

0
voti

[1] Installazione FV a regola d'arte?

Messaggioda Foto Utenteattilio » 23 dic 2012, 11:50

Ieri mi trovavo da un amico che mi aveva chiesto di dare un'occhiata al suo impianto FV da 5 kWp. La sua curiosità risiedeva nel valutare l'eventuale perdita di efficienza dovuta all'ombreggiamento di uno o due dei pannelli di stringa.

L'impianto è stato realizzato circa cinque anni fa, e rispetto al progetto originario, con evidenti errori di dimensionamento strutturale dell'intelaiatura dei pannelli a cui ha fatto seguito il distacco di tutti i 22 pannelli originari a causa di una giornata particolarmente ventosa, nell'attuale configurazione ho trovato un pannello in meno per ciascuna stringa.

Da quanto ho capito, ma non ho ancora avuto modo di verificarlo, mi è stato detto che l'impianto è realizzato in regime di scambio sul posto (?) ovvero, l'intera energia prodotta dai pannelli viene immessa in rete e non può in nessun modo essere utilizzata dal loro impianto, che continua ad essere alimentato dal contatore GEM da 3 kW.
La prossima settimana, dovrò recarmi nuovamente sul posto per eseguire alcuni lavori e cercherò di capire meglio se le cose stiano realmente in questi termini, tuttavia, mi soffermavo su alcune perplessità non solo visive su come tale impianto sia stato realizzato (da ditta ovviamente abilitata)

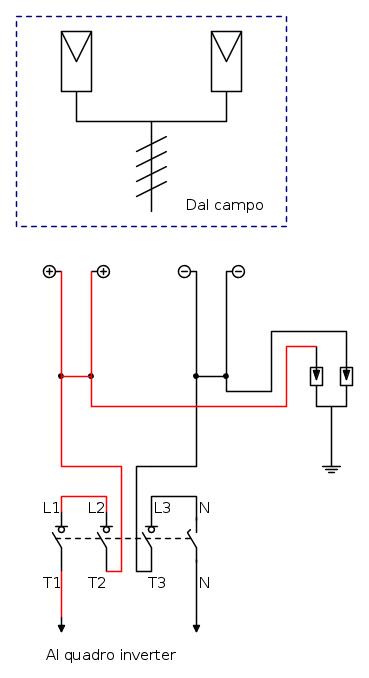
Aprendo il quadro di sezionamento DC, dove è stato anche inserito un differenziale da 30mA AC che stacca il quadro inverter ?% mentre cercavo di seguire il percorso dei cavi provenienti dalle stringhe...
DSC03739_600x450.JPG
DSC03739_600x450.JPG (75.66 KiB) Osservato 7958 volte

...sfiorando appena questi ultimi, si venivano a scollegare dai rispettivi morsetti (di parallelo) a molla N°1 cavo (+) e N°1 cavo (-). Ragion per cui, mi chiedevo come si potesse parlare di realizzazione a norma :?:
Ho poi reinserito i due cavi nei rispettivi morsetti, non potendoli comunque ri-spellare per bene per via dell'ovvia presensa di tensione sull'impianto di produzione (ca. 300 V DC) .

Non sono documentato come vorrei, riguardo al collegamento/funzionamento degli scaricatori di sovratensione, con l'occasione ho scaricato dal web qualche dispensa e qualche fascicolo tecnico e sto cercando di studiare il problema; per questo mi chiedevo se la configurazione "in parallelo" fosse corretta, così infatti è collegata l'uscita DC a monte del sezionatore sugli scaricatori.

Per capirci meglio:


Il sezionatore utilizzato poi, non mi pare prettamente studiato per tale connessione, come si può vedere anche da schema fidocad. Non è un 4P ma un 3P più contatto del "neutro" anticipato in chiusura.

Ripeto, mi sento abbastanza ignorante a riguardo, ma mi chiedo:
Quando Enel va ad installare il gruppo di misura dell' energia prodotta, valuta solo la presenza della conformità cartacea dell'impianto FV, o anche lo stato funzionale?

Domanda retorica, lo so! Infatti mi interessano particolarmente gli altri aspetti precedentemente discussi.

Saluti e buona Domenica!
Ognuno sta solo sul cuor della terra
trafitto da un raggio di sole:
ed è subito sera


Salvatore Quasimodo
Avatar utente
Foto Utenteattilio
61,4k 8 12 13
free expert
 
Messaggi: 9167
Iscritto il: 21 gen 2007, 14:34

0
voti

[2] Re: Installazione FV a regola d'arte?

Messaggioda Foto UtentePierluigi2002 » 23 dic 2012, 13:22

Attilio ha scritto:
Ho poi reinserito i due cavi nei rispettivi morsetti, non potendoli comunque ri-spellare per bene per via dell'ovvia presensa di tensione sull'impianto di produzione (ca. 300 V DC) .


Attilio mi chiedevo come mai non hai usato dei guanti dielettrici per lavori su impianti sotto tensione
per ovviare immediatamente ad uno dei tanti probblemi di non a regola d'arte che hai riscontrato sull'impianto.
“vivi il presente“
Avatar utente
Foto UtentePierluigi2002
1.048 2 3 6
Expert
Expert
 
Messaggi: 1599
Iscritto il: 23 gen 2008, 23:12

0
voti

[3] Re: Installazione FV a regola d'arte?

Messaggioda Foto Utenteattilio » 23 dic 2012, 14:00

Non li avevo con me. Ero andato per fare altre verifiche.
Ognuno sta solo sul cuor della terra
trafitto da un raggio di sole:
ed è subito sera


Salvatore Quasimodo
Avatar utente
Foto Utenteattilio
61,4k 8 12 13
free expert
 
Messaggi: 9167
Iscritto il: 21 gen 2007, 14:34

1
voti

[4] Re: Installazione FV a regola d'arte?

Messaggioda Foto UtenteCGIUSEPPE61 » 23 dic 2012, 14:39

A prescindere dal caso "morsetti a molla" che non ho mai reputato sicuri e mai voluti utilizzare, andiamo al sezionatore.

Dallo schema si è creato un doppio contatto in serie aumentando la percentuale di guasto dello stesso.A questo punto non so le caratteristiche del sezionatore ( In ) siano coordinate con l'impianto. Non vorrei che il tizio volesse collegare in parallelo i contatti per aumentare la In ?? ?% .

Gli SPD vengono sempre installati a valle del sezionatore per facilitarne l'eventuale manutenzione , sia CC che CA.

Non ho parole ...... #-o

Saluti.
Avatar utente
Foto UtenteCGIUSEPPE61
482 1 3 5
Expert EY
Expert EY
 
Messaggi: 578
Iscritto il: 2 feb 2009, 18:05

0
voti

[5] Re: Installazione FV a regola d'arte?

Messaggioda Foto Utenteattilio » 23 dic 2012, 15:50

CGIUSEPPE61 ha scritto:Non vorrei che il tizio volesse collegare in parallelo i contatti per aumentare la In ??

Beh, se era questo che voleva, spero che nel frattempo abbia rivisto i concetti di serie/parallelo.
Ma poi mi chiedo, perché non utilizzare un sezionatore 2P visto che il parallelo delle stringhe è fatto sui morsetti a monte del sezionatore?
Io credo che abbiano preso un sezionatore 3P+N standard, con In adeguata (almeno 20A) senza andare troppo per il sottile e poi lo abbiano cablato come si usa per gli interruttori termici tripolari con utenze monofase, o come per gli interruttori 4P destinati ai sistemi in DC e siccome c'era anche il quarto morsetto, hanno sfruttato anche quello.
Vabbè, funzionare funziona (ma verificherò anche la In del sezionatore), probabilmente alcuni errori sono dovuti a mancanza di esperienza trattandosi presumibilmente del primo impianto progettato/realizzato.

Anche quel differenziale tipo AC... mi fa pensare, controllerò meglio anche quello e darò un'occhiata al tipo di inverter utilizzato.
Ognuno sta solo sul cuor della terra
trafitto da un raggio di sole:
ed è subito sera


Salvatore Quasimodo
Avatar utente
Foto Utenteattilio
61,4k 8 12 13
free expert
 
Messaggi: 9167
Iscritto il: 21 gen 2007, 14:34

1
voti

[6] Re: Installazione FV a regola d'arte?

Messaggioda Foto UtenteKOTOR89 » 24 dic 2012, 16:40

Per quanto riguarda i morsetti "a molla" vanno bene, anche diversi costruttori di inverter li utilizzano (vedi power one).

Il sezionatore in cc è sempre obbligatorio così come richiesto dalla norma CEI- 64-8/7, con categoria di utilizzazione in DC-21.
Come sezionatore si può utilizzare se presente quello integrato nell'inverter purchè sia certificato.

In genere gli SPD si collegano a valle del sezionatore, per facilitare le operazioni di manutenzione.

Per quanto riguarda l'interrruttore magnetotermicodifferenziale a valle dell'inverer, dipende dal tipo di inverter installato (con o senza trafo):
- con trafo il differenziale va bene di tipo AC;
- senza trafo il differenziale può andar bene di tipo A se il costruttore dell'inverter fornisce l'autodichiarazione sulla max componente continua immessa, altrimenti di tipo B.

O_/
Avatar utente
Foto UtenteKOTOR89
38 2 4
Frequentatore
Frequentatore
 
Messaggi: 200
Iscritto il: 18 ott 2012, 17:11

0
voti

[7] Re: Installazione FV a regola d'arte?

Messaggioda Foto Utenteattilio » 24 dic 2012, 17:08

So benissimo che i morsetti a molla vanno bene, anche se personalmente non sono molto propenso al loro utilizzo per connessioni di potenza.

Il problema è che io mi sono trovato due conduttori in mano, svincolati dai rispettivi morsetti, senza neanche aver cercato di estrarli dalla loro sede, semplicemente sfiorandoli. Per questo avevo sollevato delle perplessità.

La stessa cosa (eseguita in maniera talmente incompetente) difficilmente (date le sezioni) si sarebbe avuta con morsetti a vite credo (...spero).

Il sezionatore usato mi sembra un normalissimo sezionatore come già detto in precedenza, riguardo la possibilità di avere il sezionatore sull'inverter, questa non la sapevo, ma non mi sembra il caso. Credo sia bene (meglio) potere disalimentare a monte dell'inverter.
Ognuno sta solo sul cuor della terra
trafitto da un raggio di sole:
ed è subito sera


Salvatore Quasimodo
Avatar utente
Foto Utenteattilio
61,4k 8 12 13
free expert
 
Messaggi: 9167
Iscritto il: 21 gen 2007, 14:34

1
voti

[8] Re: Installazione FV a regola d'arte?

Messaggioda Foto UtenteGiovepluvio » 24 dic 2012, 18:22

Attilio ha scritto:L'impianto è stato realizzato circa cinque anni fa, e rispetto al progetto originario, con evidenti errori di dimensionamento strutturale dell'intelaiatura dei pannelli a cui ha fatto seguito il distacco di tutti i 22 pannelli originari a causa di una giornata particolarmente ventosa, nell'attuale configurazione ho trovato un pannello in meno per ciascuna stringa.

?%

Da quanto ho capito, ma non ho ancora avuto modo di verificarlo, mi è stato detto che l'impianto è realizzato in regime di scambio sul posto (?) ovvero, l'intera energia prodotta dai pannelli viene immessa in rete e non può in nessun modo essere utilizzata dal loro impianto, che continua ad essere alimentato dal contatore GEM da 3 kW.


Lo scambio sul posto è il regime contrattuale riservato agli impianti di generazione allacciati in parallelo all'impianto dell'ultente. Non tutta l'energia prodotta viene immessa in rete pa parte di esse può essere, istantaneamente, autoconsumata. Se funzionasse come di sarebbe un impianto in cessione totale con PdC e contatore dedicato, separato dall'impianto utente.

Aprendo il quadro di sezionamento DC, dove è stato anche inserito un differenziale da 30mA AC che stacca il quadro inverter

Questo è il classico errore dovuto all'inesperienza. Strano che non abbia avuto scatti intempestivi in questo periodo. L'inverter da chi è prodotto?
Ad ogni buon conto è sempre preferibile prevedere un differenziale in classe A con corrente Id nominale di almeno 100 mA per macchina installata.
Non condivido affatto il discorso di Foto UtenteKOTOR89 sulla selezione della classe di differenziale. Soprattutto per quanto riguarda la presenza o meno di un trafo HF. Ricordo a questo proposito che, normalmente, il trafo HF è posizionato PRIMA dello stadio di generazione DC/AC.

...sfiorando appena questi ultimi, si venivano a scollegare dai rispettivi morsetti (di parallelo) a molla N°1 cavo (+) e N°1 cavo (-). Ragion per cui, mi chiedevo come si potesse parlare di realizzazione a norma :?:
Ho poi reinserito i due cavi nei rispettivi morsetti, non potendoli comunque ri-spellare per bene per via dell'ovvia presensa di tensione sull'impianto di produzione (ca. 300 V DC) .


Un generatore fotovoltaico isolato si comporta come un sistema IT. Si può maneggiare in relativa sicurezza anche sotto tensione. ;-)

Non sono documentato come vorrei, riguardo al collegamento/funzionamento degli scaricatori di sovratensione, con l'occasione ho scaricato dal web qualche dispensa e qualche fascicolo tecnico e sto cercando di studiare il problema; per questo mi chiedevo se la configurazione "in parallelo" fosse corretta, così infatti è collegata l'uscita DC a monte del sezionatore sugli scaricatori.


Concordo che sarebbe stato più razionale collegare lo scaricatore a valle del sezionatore ma il collegamento è ok.

Il sezionatore utilizzato poi, non mi pare prettamente studiato per tale connessione, come si può vedere anche da schema fidocad. Non è un 4P ma un 3P più contatto del "neutro" anticipato in chiusura.


Sezionatore destinato ad altro, usato a sproposito. Viste correnti e tensioni in gioco probabilmente non creerà mai problemi ma...

Ripeto, mi sento abbastanza ignorante a riguardo, ma mi chiedo:
Quando Enel va ad installare il gruppo di misura dell' energia prodotta, valuta solo la presenza della conformità cartacea dell'impianto FV, o anche lo stato funzionale?


Assolutamente no! Quello sarebbe il lavoro del progettista... :roll:
Avatar utente
Foto UtenteGiovepluvio
5.978 3 6 10
G.Master EY
G.Master EY
 
Messaggi: 2947
Iscritto il: 21 dic 2010, 1:10
Località: Mantova

0
voti

[9] Re: Installazione FV a regola d'arte?

Messaggioda Foto UtenteKOTOR89 » 24 dic 2012, 18:51

Foto UtenteGiovepluvio per quanto riguarda le caratteristiche del differenziale, ho semplicemente citato quello che dice la norma.
Può essere condivisibile o meno.. :-)
Avatar utente
Foto UtenteKOTOR89
38 2 4
Frequentatore
Frequentatore
 
Messaggi: 200
Iscritto il: 18 ott 2012, 17:11

0
voti

[10] Re: Installazione FV a regola d'arte?

Messaggioda Foto UtenteGiovepluvio » 24 dic 2012, 22:25

Foto UtenteKOTOR89 la CEI 64/8 par 531.2.1.4 non fa distinzione tra convertitori con o senza trafo.
Tralasciamo per un momento il discorso del differenziale di classe B (64/8 par 712.413.1.1.1.2 che, a mio parere, lascia il tempo che trova ma che norma è...).
Precisa per cortesia a quale norma ti riferisci.
Perché, a mio giudizio, quello che dici non si ravvisa in nessuna delle seguenti; 64/8, 0-21, IEC 60364-4-41:2005 o IEC 60364-7-712:2002, guida CEI 82/25; che sono quelle a cui normalmente faccio riferimento. Potrei però essermi perso qualcosa...
Avatar utente
Foto UtenteGiovepluvio
5.978 3 6 10
G.Master EY
G.Master EY
 
Messaggi: 2947
Iscritto il: 21 dic 2010, 1:10
Località: Mantova

Prossimo

Torna a Impianti, sicurezza e quadristica

Chi c’è in linea

Visitano il forum: Google [Bot] e 96 ospiti