Cos'è ElectroYou | Login Iscriviti

ElectroYou - la comunità dei professionisti del mondo elettrico

Circuito con generatore sinusoidale aiuti e consigli

Circuiti, campi elettromagnetici e teoria delle linee di trasmissione e distribuzione dell’energia elettrica

Moderatori: Foto Utenteg.schgor, Foto UtenteIsidoroKZ

0
voti

[1] Circuito con generatore sinusoidale aiuti e consigli

Messaggioda Foto Utentetheverin90 » 21 dic 2012, 20:38

Circuiti con generatori sinusoidale vediamo se ho capito bene ...
Il testo:

Calcolare la corrente ig(t) assumendo che il circuito sia in regime all’atto dell’apertura
dell’interruttore S.
Risultato aspettato
ig(t) =(1/2-t)*e^{-t}+\sqrt{2}/2*cos(t+\pi/4)

dati :
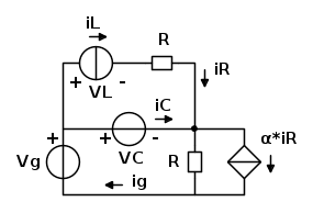
R=1 Ω, L=1 H, C = 1 F, α= 1, vg(t)= 2 cos(t+π/4) V



in rosso ho cerchiato i nodi
vg diventa un fasore
\sqrt{2}*e^{j*\pi/4}  = 1+j
impedenza del capacitore diventa -j e del induttore j

VEDIAMO SE FACCIO BENE APPLICANDO IL METODO DEI FASORI DOVREI TROVARE
i valori di Vc e iL all'istante iniziale per t=0

poiché l interruttore in altro era chiuso ho dedotto che non scorre corrente sui rami con induttore e condensatore quindi Vc(0) = 0 e IL(0) = 0 ??

quando si apre il circuito diventa questo :

ho provato ad applicare un metodo sistematico per circuiti secondo ordine con variabili di stato ma il fatto che mi dice a regime dovrei considerare vc aperto e iL un cortocircuito???
Avatar utente
Foto Utentetheverin90
1 4
New entry
New entry
 
Messaggi: 73
Iscritto il: 9 ott 2012, 16:28

0
voti

[2] Re: Circuito con generatore sinusoidale aiuti e consigli

Messaggioda Foto Utentelillo » 22 dic 2012, 14:33

theverin90 ha scritto:poiché l'interruttore in alto era chiuso ho dedotto che non scorre corrente sui rami con induttore e condensatore quindi Vc(0) = 0 e IL(0) = 0 ??

si.
theverin90 ha scritto:ho provato ad applicare un metodo sistematico per circuiti secondo ordine con variabili di stato ma il fatto che mi dice a regime dovrei considerare vc aperto e iL un cortocircuito???

il fatto che ti dice di considerare i condensatori circuiti aperti e induttori cortocircuiti va bene finché i generatori del circuito sono generatori in continua.
tu hai generatori sinusoidali e condensatori e induttori non si comportano assolutamente in quel modo.
per trovare la soluzione a regime puoi affidarti al metodo fasoriale.
Avatar utente
Foto Utentelillo
20,5k 7 12 13
G.Master EY
G.Master EY
 
Messaggi: 4172
Iscritto il: 25 nov 2010, 11:30
Località: Nuovo Mondo

0
voti

[3] Re: Circuito con generatore sinusoidale aiuti e consigli

Messaggioda Foto Utentetheverin90 » 24 dic 2012, 10:27

Quindi devo usare il metodo fasoriale soltanto non devo applicare un metodo sistematico tipo equazioni di stato?
Avatar utente
Foto Utentetheverin90
1 4
New entry
New entry
 
Messaggi: 73
Iscritto il: 9 ott 2012, 16:28

1
voti

[4] Re: Circuito con generatore sinusoidale aiuti e consigli

Messaggioda Foto UtenteRenzoDF » 24 dic 2012, 11:17

... come al solito mancano i versi dei generatori ... mi viene da pensare che sia sempre la stessa persona a postare molti di questi problemi :-)

theverin90 ha scritto:... ho provato ad applicare un metodo sistematico per circuiti secondo ordine con variabili di stato ma il fatto che mi dice a regime dovrei considerare vc aperto e iL un cortocircuito???

Il circuito è a regime al momento dell'apertura, non dopo (ritornerà a regime solo dopo un tempo infinito); puoi applicare il metodo "sistematico" se con questa denominazione intendi indicare il metodo del "circuito resistivo associato".

Edit ... a dire il vero, direi che quei dati siano incompatibili con il risultato atteso in quanto, vista la continuità di vc(0+)=0 e quella di iL(0+)=0 e quindi generatore comandato a corrente nulla per t=0+, la corrente ig(0+)=vg(0+)/R=\sqrt{2} e non 1 come "atteso".
"Il circuito ha sempre ragione" (Luigi Malesani)
Avatar utente
Foto UtenteRenzoDF
55,9k 8 12 13
G.Master EY
G.Master EY
 
Messaggi: 13189
Iscritto il: 4 ott 2008, 9:55

3
voti

[5] Re: Circuito con generatore sinusoidale aiuti e consigli

Messaggioda Foto UtentematteoDL » 24 dic 2012, 11:21

La soluzione una volta aperto l'interruttore, cioè per t>0, si compone da due parti: il transitorio e il comportamento a regime.
Queste sono ovviamente entrambe soluzioni dell'equazione differenziale del secondo ordine che puoi ricavarti dal circuito usando le leggi di Kirchhoff e le equazioni di bipolo.
Questa equazione avrà come variabile una delle correnti o tensioni del circuito e conviene scegliere quella associata a una funzione di stato come appunto la tensione nei condensatori o la corrente negli induttori, poiché non dovrebbero presentare discontinuità in t=0.
Inoltre questa equazione avrà come soluzione la somma della soluzione dell'omogenea associata e di una soluzione particolare.
La soluzione dell'omogenea si trova con i soliti metodi matematici (equazione algebrica associata, etc.) e la si trova dipendente da due costanti di indeterminazione.
Poi si trova la soluzione particolare, che nel nostro caso corrisponde alla soluzione a regime dopo l'apertura dell'interruttore, studiata attraverso i fasori.
Quindi le si somma e si applicano le condizioni iniziali (trovate con lo studio del regime prima dell'apertura dell'interruttore) per trovare le costanti di indeterminazione.
Avatar utente
Foto UtentematteoDL
704 3 7
Expert
Expert
 
Messaggi: 310
Iscritto il: 26 feb 2012, 20:49

6
voti

[6] Re: Circuito con generatore sinusoidale aiuti e consigli

Messaggioda Foto UtenteRenzoDF » 30 dic 2012, 18:45

Giusto per esercitarsi con il "nostro" FreeTool Vissim3, a partire dal circuito resistivo associato alla rete


scritte, via sovrapposizione, le due relazioni

\left\{ \begin{align}
  & {{v}_{L}}=-R{{i}_{L}}+{{v}_{C}} \\ 
 & {{i}_{C}}=-{{i}_{L}}+\alpha {{i}_{L}}-\frac{{{v}_{C}}}{R}+\frac{{{v}_{g}}}{R} \\ 
\end{align} \right.

e di conseguenza le equazioni di stato

\left\{ \begin{align}
  & i_{L}^{\prime}=-\frac{R}{L}{{i}_{L}}+\frac{1}{L}{{v}_{C}} \\ 
 & v_{C}^{\prime}=\frac{\alpha -1}{C}{{i}_{L}}-\frac{{{v}_{C}}}{RC}+\frac{{{v}_{g}}}{RC} \\ 
\end{align} \right.

avremo che, con i dati del problema, supponendo α = -1, le matrici a e b associate allo stato saranno

a=\left[ \begin{matrix}
   -1 & 1  \\
   -2 & -1  \\
\end{matrix} \right]\quad \quad b=\left[ \begin{matrix}
   0  \\
   1  \\
\end{matrix} \right]

mentre scegliendo come uscite

\left\{ \begin{align}
  & {{y}_{1}}={{i}_{L}} \\ 
 & {{y}_{2}}={{v}_{C}} \\ 
 & {{y}_{3}}={{i}_{C}}=(\alpha -1){{i}_{L}}-\frac{{{v}_{C}}}{R}+\frac{{{v}_{g}}}{R} \\ 
 & {{y}_{4}}={{i}_{g}}={{i}_{L}}+{{i}_{C}}=\frac{\alpha }{C}{{i}_{L}}-\frac{{{v}_{C}}}{RC}+\frac{{{v}_{g}}}{RC} \\ 
\end{align} \right.

le matrici c e d associate alle uscite saranno

c=\left[ \begin{matrix}
   1 & 0  \\
   0 & 1  \\
   -2 & -1  \\
   -1 & -1  \\
\end{matrix} \right]\quad \quad d=\left[ \begin{matrix}
   0  \\
   0  \\
   1  \\
   1  \\
\end{matrix} \right]

che andranno inserite in un file di testo con la seguente sintassi (e che andremo a salvare con estensione .m)

s1.gif
s1.gif (9.62 KiB) Osservato 4412 volte

In Vissim basterà Blocks -> Linear System -> stateSpace per inserire il blocco ABCD ed associarlo al suddetto file con un click destro mouse

s2.gif
s2.gif (22.11 KiB) Osservato 4412 volte


che potrà essere racchiuso dentro un Compound Block (usando per esempio l'immagine della rete per "copertina"); collegate infine le uscite del blocco agli ingressi della finestra di plot basterà un Go (F5) per tracciare le quattro funzioni del tempo.

s4.gif
s4.gif (31.24 KiB) Osservato 4399 volte
"Il circuito ha sempre ragione" (Luigi Malesani)
Avatar utente
Foto UtenteRenzoDF
55,9k 8 12 13
G.Master EY
G.Master EY
 
Messaggi: 13189
Iscritto il: 4 ott 2008, 9:55


Torna a Elettrotecnica generale

Chi c’è in linea

Visitano il forum: Nessuno e 89 ospiti