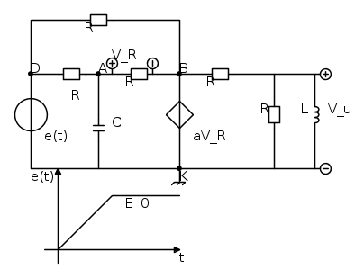
ho questo circuito
la forma d'onda del generatore è quella indicata. Innanzitutto è corretto scrivere l'equazione di quella forma d'onda come segue
?poi, utilizzando la sovrapposizione degli effetti, analizzo il circuito con la sovrapposizione degli effetti e per la parte a rampa nella trasformata di Laplace il generatore dovrebbe assumere questa forma
, giusto?poi ho risolto il circuito con il metodo delle tensioni nodali: considerando che R ed L sono in parallelo e sono sottoposti alla stessa tensione, che è proprio
dovrei avere, utilizzando i nodi indicati in figura, dovrei avere
ammettendo di avere fatto tutti i conti corretti (cosa di cui dubito) ho alla fine che

trasformo in fratti semplici ma ho un dubbio quando antitrasformo: nel dominio trasformato ho che la tensione è in effetti una tensione fratto un tempo, e questo dovrebbe essere corretto, ma quando torno nel dominio del tempo il termine
come diventa? perché devo in qualche modo togliere quel RC (ovvero quel tempo) dal denominatore ..grazie!!

Elettrotecnica e non solo (admin)
Un gatto tra gli elettroni (IsidoroKZ)
Esperienza e simulazioni (g.schgor)
Moleskine di un idraulico (RenzoDF)
Il Blog di ElectroYou (webmaster)
Idee microcontrollate (TardoFreak)
PICcoli grandi PICMicro (Paolino)
Il blog elettrico di carloc (carloc)
DirtEYblooog (dirtydeeds)
Di tutto... un po' (jordan20)
AK47 (lillo)
Esperienze elettroniche (marco438)
Telecomunicazioni musicali (clavicordo)
Automazione ed Elettronica (gustavo)
Direttive per la sicurezza (ErnestoCappelletti)
EYnfo dall'Alaska (mir)
Apriamo il quadro! (attilio)
H7-25 (asdf)
Passione Elettrica (massimob)
Elettroni a spasso (guidob)
Bloguerra (guerra)


inteso naturalmente per t>0, in quanto per t<0 credo non sia importante, giusto?
del primo addendo!!!