Cos'è ElectroYou | Login Iscriviti

ElectroYou - la comunità dei professionisti del mondo elettrico

regolatore di carica PV

Circuiti, campi elettromagnetici e teoria delle linee di trasmissione e distribuzione dell’energia elettrica

Moderatori: Foto Utenteg.schgor, Foto UtenteIsidoroKZ

0
voti

[1] regolatore di carica PV

Messaggioda Foto Utentepin32 » 21 dic 2012, 12:23

salve, e un buon natale a tutti.

premetto che ho già aperto un'altra discussione nella sezione PIC ( dove continuerò per le problematiche legate al micro), ma la problematica si stava spostando su tematiche diverse, forse più adatte a questa sezione.
viewtopic.php?f=15&t=40900

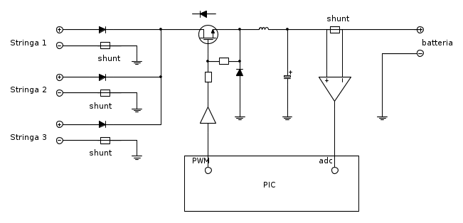
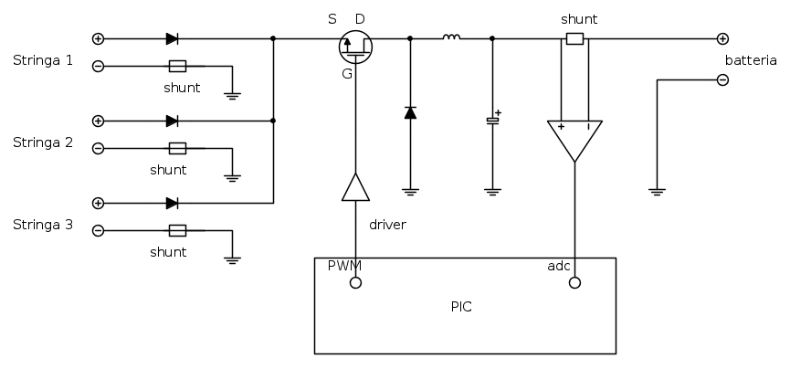
schema di principio della sezione di potenza del regolatore:


questo è lo schema su cui vorrei ragionare.

la problematica che vorrei risolvere è la regolazione della ricarica di una batteria al piombo tramite dei pannelli fotovoltaici in PWM, gestione della potenza in eccesso in PWM e inoltre il controllo del funzionamento dell'inverter (on-off) ecc., il tutto con un microcontrollore PIC 16f877 (la scelta è forzata dalla disponibilita')

dati:
pv= n.12 da 250w 24 V (in serie parallelo)
batteria= n.24 da 2v 400Ah (48v tot)
inverter= 3 kW nom 6 kW picco
PWM=16-20 kHz

il consiglio che vi chiedo (per il momento :D ) è sulla componentistica da usare come mosfet e driver, ho in casa un discreto numero di mosfet irfb4110 e irf3415 e se possibile vorrei utilizzarli.
il primo ha una notevole portata di corrente ma anche una notevole capacita di gate, il secondo è più contenuto in ambedue i parametri.
come driver sto valutando l'acquisto di max626, ir2111, oppure andando su di corrente il TC4420CAT

domande:
1) quale mosfet tra i due è più adatto allo scopo (anche altri tipi)
2) come mi devo regolare sulla quantità di mosfet da mettere in parallelo per avere una buona affidabilità
3) quale driver è più adatto allo scopo

basta così non vi chiedo più nulla :^o :^o :^o


buon natale


pino
Avatar utente
Foto Utentepin32
16 4
New entry
New entry
 
Messaggi: 57
Iscritto il: 25 ott 2012, 21:03

1
voti

[2] Re: regolatore di carica PV

Messaggioda Foto UtenteIsidoroKZ » 21 dic 2012, 14:16

La risposta piu` facile e` quella su quanti MOS in parallelo: uno solo!

Se vuoi aumentare l'affidabilita` funzionale devi usarne 4 in configurazione serie/parallelo ma la cosa non ha senso anche perche' l'MTBF diminuisce di molto. Uno solo e` la risposta che credo piu` corretta.

Non ho capito bene l'idea base sotto al circuito: il PWM viene usato quando la corrente e` regolata da qualcuno nella maglia, ad esempio un induttore, e in tal caso hai un buck. Se fai un PWM in quel modo, tanto vale lasciare collegate le celle continuamente e staccarle quando le batterie sono cariche.

Infine mi pare che il MOS P che hai messo sia sempre in conduzione attraverso il diodo di substrato.
Per usare proficuamente un simulatore, bisogna sapere molta più elettronica di lui
Plug it in - it works better!
Il 555 sta all'elettronica come Arduino all'informatica! (entrambi loro malgrado)
Se volete risposte rispondete a tutte le mie domande
Avatar utente
Foto UtenteIsidoroKZ
121,2k 1 3 8
G.Master EY
G.Master EY
 
Messaggi: 21059
Iscritto il: 17 ott 2009, 0:00

0
voti

[3] Re: regolatore di carica PV

Messaggioda Foto Utentepin32 » 21 dic 2012, 15:19

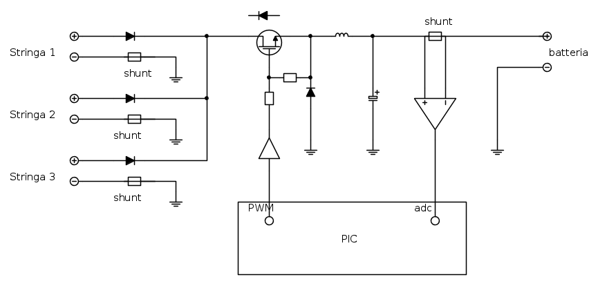
schema corretto


ooops!! :oops: :oops: :oops:

l'occhio felino non perde colpo... mai... :ok:

ho disegnato un "n" ma l'ho polarizzato "p" :oops:

allora siccome in estate mi troverei una corrente troppo alta per le mie batterie, che dovrebbero essere caricate in regime c/20 max c/10, devo per forza limitare la corrente a 40A max e dirottare il resto su un altro carico. in invermo la limitazione sarebbe inutile... ma devo automatizzare il tutto...

in merito ai MOS in parallelo non ritieni sia meglio fare un parallelo? non ridurrei la loro resistenza di ON totale e quindi la dissipazione di energia?

per il resto che mi consigli?

ciao


pino
Avatar utente
Foto Utentepin32
16 4
New entry
New entry
 
Messaggi: 57
Iscritto il: 25 ott 2012, 21:03

2
voti

[4] Re: regolatore di carica PV

Messaggioda Foto UtenteIsidoroKZ » 21 dic 2012, 17:43

Se la corrente e` eccessiva e la tagli a pezzetti, quello che ottieni sono impulsi elevati di corrente sulle batterie. La corrente media rimane controllata, ma quella di picco e` elevata. Se le batterie sono contente va bene.

Altrimenti bisogna fare o un convertitore a commutazione che controlla la corrente di uscita, la cosa e` fattibile, oppure mettere in parallelo alla sorgente PV e batterie un carico modulabile in cui dissipare la potenza in eccesso. Altra possibilita` ancora e` di usare il transistore che hai messo non in PWM ma il lineare per controllare la corrente di batteria.

La scelta va fatta in base ai numeri dettagliati dell'applicazione, in particolare quanta potenza deve essere gestita ed eventualmente dissipata.

I MOS in parallelo si possono mettere, ma bisogna farlo bene, altrimenti capita come era capitato a un mio collega che ne aveva messi 12 grossi in parallelo che esplodevano in modo molto pirotecnico :).
Per usare proficuamente un simulatore, bisogna sapere molta più elettronica di lui
Plug it in - it works better!
Il 555 sta all'elettronica come Arduino all'informatica! (entrambi loro malgrado)
Se volete risposte rispondete a tutte le mie domande
Avatar utente
Foto UtenteIsidoroKZ
121,2k 1 3 8
G.Master EY
G.Master EY
 
Messaggi: 21059
Iscritto il: 17 ott 2009, 0:00

0
voti

[5] Re: regolatore di carica PV

Messaggioda Foto Utentepin32 » 21 dic 2012, 19:41

ringrazio per l'interessamento.

ma che io sappia di regolatori di carica per questi usi ne esistono di 2 tipi: PWM e mppt.
il primo modula la corrente tramite PWM e credo che il principio di funzionamento sia lo stesso di quello in esame
l'altro fa uso di un convertitore dc-dc per la gestione della corrente, questo sistema si rende necessario per ottimizzare lo sfruttamento di tutta l'energia disponibile dai pv, in pratica la batteria e il pannello non hanno la stessa tensione di funzionamento ottimale e viene messo in mezzo il dc-dc che aggiusta il tutto.

nel mio caso non ho bisogno di questa ottimizzazione in quanto ho dei pannelli con tensione di lavoro ottimale molto simile a quella della batteria.

comunque non ho certezza che gli impulsi (anche se brevissimi) ad alta corrente possano essere graditi da una batteria al piombo-acido.
conosco anche un altro dispositivo che si usa in questi impianti: il desolfatatore. questo dispositivo genera proprio degli impulsi ad alta frequenza (5-10 kHz) e alta corrente, che serve per rompere i cristalli di solfato che si accumulano sulle piastre positive.

ragionando su queste informazioni il circuito che vorrei realizzare sembrerebbe, oltre che un regolatore, anche un desolfatatore... :cool:

che ne pensi...

ciao


pino
Avatar utente
Foto Utentepin32
16 4
New entry
New entry
 
Messaggi: 57
Iscritto il: 25 ott 2012, 21:03

3
voti

[6] Re: regolatore di carica PV

Messaggioda Foto UtenteIsidoroKZ » 22 dic 2012, 0:52

MPPT e` una funzione che si ottiene sempre con un regolatore PWM. Puoi anche fare un PWM e non implementare l'MPPT, e` solo una questione di strategia e usare il PWM (ma fatto bene, con induttore) per limitare la corrente. In pratica hai sempre un DC/DC cambia solo la strategia di controllo.

I desolfatatori sono quasi sempre analoghi a tubi tucker mai visto nessuno studio serio sia di spiegazione che di sperimentazione indipendente.
Per usare proficuamente un simulatore, bisogna sapere molta più elettronica di lui
Plug it in - it works better!
Il 555 sta all'elettronica come Arduino all'informatica! (entrambi loro malgrado)
Se volete risposte rispondete a tutte le mie domande
Avatar utente
Foto UtenteIsidoroKZ
121,2k 1 3 8
G.Master EY
G.Master EY
 
Messaggi: 21059
Iscritto il: 17 ott 2009, 0:00

0
voti

[7] Re: regolatore di carica PV

Messaggioda Foto Utentepin32 » 24 dic 2012, 9:48

salve,

effettivamente credo che hai ragione... forse la facevo troppo semplice :shock:

sto approfondendo qui:
http://www.ti.com/lit/ug/sluu023b/sluu023b.pdf
http://ics.nxp.com/support/documents/pdf/an10936.pdf
http://www.onsemi.com/pub_link/Collateral/DN06054.PDF

buon natale


pino
Avatar utente
Foto Utentepin32
16 4
New entry
New entry
 
Messaggi: 57
Iscritto il: 25 ott 2012, 21:03

0
voti

[8] Re: regolatore di carica PV

Messaggioda Foto Utentepin32 » 27 dic 2012, 0:47




di nuovo auguri a tutti.

ricominciando da capo, dopo i vostri consigli, ho modificato il circuito...

in questo modo dovrebbe andare meglio O_/

se ho capito bene si tratta di una configurazione "buck" e dovrebbe funzionare in questo modo:
1) il mosfet conduce
2) passa corrente e l'induttore si carica (il diodo è contropolarizzato)
3) il mosfet interdice
4) il diodo si polarizza direttamente e l'induttore scarica l'energia accumulata
il condensatore riduce il ripple e il carico riceve una corrente "continua", ovvero si eliminano i picchi di corrente dovuti alle commutazioni del mosfet.

ovviamente tramite adc e PWM del PIC (opportunamente programmato) si può regolare la corrente.

è corretto ???? :D

pino
Avatar utente
Foto Utentepin32
16 4
New entry
New entry
 
Messaggi: 57
Iscritto il: 25 ott 2012, 21:03

0
voti

[9] Re: regolatore di carica PV

Messaggioda Foto UtenteLelettrico » 27 dic 2012, 1:41

Temo che ci siano ancora delle imprecisioni, la prima cosa e' disegnare uno schema corretto. Il Source del P-MOS deve andare verso l'ingresso a tensione + elevata dell'uscita. Ti serve anche un driver per il segnale di gate visto che intendi pilotare con un micro (5 V)
Avatar utente
Foto UtenteLelettrico
2.458 1 4 6
Master
Master
 
Messaggi: 1108
Iscritto il: 13 set 2010, 12:24

0
voti

[10] Re: regolatore di carica PV

Messaggioda Foto Utentepin32 » 27 dic 2012, 12:10

salve, auguri anche a te lelettrico.

ok il disegno è di principio ed è da completare. il MOS che vorrei usare è un "n" ok per il driver.

ma secondo voi il circuito è corretto ? (non completo) ovvero è così de deve funzionare il tutto ?, il ragionamento del buck è corretto?

ciao

pino
Avatar utente
Foto Utentepin32
16 4
New entry
New entry
 
Messaggi: 57
Iscritto il: 25 ott 2012, 21:03

Prossimo

Torna a Elettrotecnica generale

Chi c’è in linea

Visitano il forum: Nessuno e 19 ospiti