Cos'è ElectroYou | Login Iscriviti

ElectroYou - la comunità dei professionisti del mondo elettrico

Gestione velocità e lettura rpm ventole 3 fili

Tipologie, strumenti di sviluppo, hardware e progetti

Moderatore: Foto UtentePaolino

0
voti

[1] Gestione velocità e lettura rpm ventole 3 fili

Messaggioda Foto Utentebau16 » 28 dic 2012, 11:45

Buongiorno a tutti!
Sono nuovo del forum e voglio presentarmi con un progettino che sto seguendo già da un po' di tempo.

La soluzione finale che vorrei andare a creare è una scheda per la gestione di 5 generiche ventole a tre fili montata all'interno di un classico PC fisso, regolazione di velocità e lettura dei giri in tempo reale.

La velocità viene regolata tramite un software su PC che comunica con il PIC16F648A tramite seriale, il PIC riceve la percentuale a cui far girare la ventola e si preoccupa lui di comandare l'uscita in PWM.

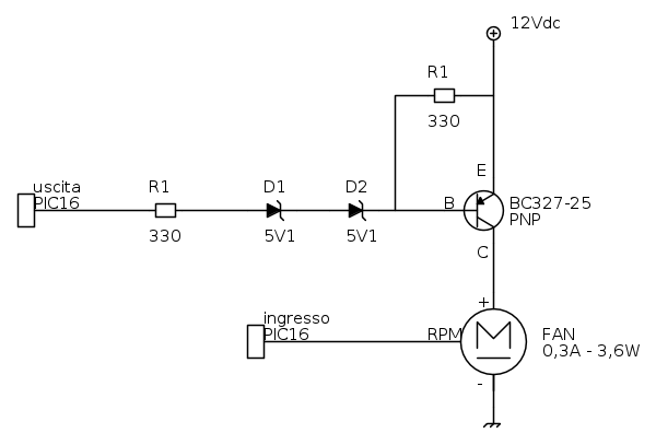
In basso ho allegato anche lo schema attuale del progetto.

Fin qui tutto quello che ho spiegato funziona bene, il problema inizia nel momento di leggere anche i giri della ventola tramite il filo giallo.
Armato di pazienza ho scoperto che queste ventole creano due impulsi ogni giro su questo filo giallo.
Quindi ho iniziato con portare questo filo su un ingresso del PIC, da qui ho letto i fronti di salita che ci sono in un secondo e immagazzinati in un conteggio li trasmetto al PC sempre ogni secondo.
Facendo così mi risulta che:
giri in rpm = (mio conteggio / 2) * 60 (dove 2 sono gli impulsi ogni giro e 60 i secondi in un minuto)

Purtroppo sembra che non funzioni, i valori che mi ritornano sono sempre oltre i 1500-2000 rpm e non riesco a venirne ancora a capo. :roll:

Aggiungo che in un ultimo test se scollego la ventola dal pnp e la collego diretta al 12Vdc legge perfettamente i giri e se la rallento con la mano legge in modo perfetto. Quindi sicuramente avrò un problema di schema. :?:

Spero che qualcuno possa darmi una mano. O_/


Avatar utente
Foto Utentebau16
35 2
 
Messaggi: 31
Iscritto il: 28 dic 2012, 0:36

0
voti

[2] Re: Gestione velocità e lettura rpm ventole 3 fili

Messaggioda Foto Utenteg.schgor » 28 dic 2012, 12:11

Contare gli impulsi e moltiplicare per 60, introduce
un certo errore. E' preferibile rilevare la durata degli impulsi
e calcolare la velocità con l'inverso di questo tempo
(eventualmente facendo una media su più impulsi).
Avatar utente
Foto Utenteg.schgor
57,8k 9 12 13
G.Master EY
G.Master EY
 
Messaggi: 16971
Iscritto il: 25 ott 2005, 9:58
Località: MILANO

1
voti

[3] Re: Gestione velocità e lettura rpm ventole 3 fili

Messaggioda Foto UtentePaolino » 28 dic 2012, 12:29

Mah, secondo me potresti provare con questo schema:



Ciao.

Paolo.
"Houston, Tranquillity Base here. The Eagle has landed." - Neil A.Armstrong

-------------------------------------------------------------

PIC Experience - http://www.picexperience.it
Avatar utente
Foto UtentePaolino
32,6k 8 12 13
G.Master EY
G.Master EY
 
Messaggi: 4226
Iscritto il: 20 gen 2006, 11:42
Località: Vigevano (PV)

1
voti

[4] Re: Gestione velocità e lettura rpm ventole 3 fili

Messaggioda Foto UtentePaolino » 28 dic 2012, 12:34

Aggiungo: non hai fornito indicazioni circa la dinamica dell'impulso. Di cosa si tratta? Chi apre e chiude il contatto? Di un contatto magnetico che si apre e si chiude? Su quale tensione? oppure è un contatto pulito? Stai attento a portare direttamente "il filo giallo" al PIC: è probabile che tu ci deba interporre una rete di condizionamento.

Ciao.

Paolo.
"Houston, Tranquillity Base here. The Eagle has landed." - Neil A.Armstrong

-------------------------------------------------------------

PIC Experience - http://www.picexperience.it
Avatar utente
Foto UtentePaolino
32,6k 8 12 13
G.Master EY
G.Master EY
 
Messaggi: 4226
Iscritto il: 20 gen 2006, 11:42
Località: Vigevano (PV)

1
voti

[5] Re: Gestione velocità e lettura rpm ventole 3 fili

Messaggioda Foto Utentebau16 » 28 dic 2012, 12:35

g.schgor ha scritto:Contare gli impulsi e moltiplicare per 60, introduce
un certo errore.E' preferibile rilevare la durata degli impulsi
e calcolare la velocità con l'inverso di questo tempo
(eventualmente facendo una media su più impulsi).


Si il metodo da te proposto sarebbe molto più preciso.
Se ho capito bene potrei leggere utilizzando il legame che c'è tra giri al minuto e frequenza:
- rpm = 1/60 Hz
- Hz = 1 / T
Ci proverò! Grazie per il consiglio! Sicuramente lo sostituirò al mio metodo attuale. :ok:
Ma prima di inserire questa miglioria il problema che vorrei risolvere e capire è:
perché se collego la ventola diretta ai 12Vdc leggo i giri in modo perfetto, e se invece la collego al pnp gestito in PWM leggo i giri completamente sballati. :?:



Paolino ha scritto:Mah, secondo me potresti provare con questo schema.


Ci provo e se ci sono miglioramenti vi faccio sapere! :ok:

Paolino ha scritto:Aggiungo: non hai fornito indicazioni circa la dinamica dell'impulso. Di cosa si tratta? Chi apre e chiude il contatto? Di un contatto magnetico che si apre e si chiude? Su quale tensione? oppure è un contatto pulito? Stai attento a portare direttamente "il filo giallo" al PIC: è probabile che tu ci deba interporre una rete di condizionamento.


L'impulso da me generato è collegato come a schema su una porta (ad esempio RB3).
Lavoro sul PNP come se fosse un interruttore che spengo e accendo molto velocemente.
Nel PIC imposto la porta come uscita o come ingresso. Grazie ai diodi zener riesco a non saturare il PNP quando imposto la porta come uscita ad 1 a 5Vdc.
Ultima modifica di Foto Utentebau16 il 28 dic 2012, 12:49, modificato 2 volte in totale.
Avatar utente
Foto Utentebau16
35 2
 
Messaggi: 31
Iscritto il: 28 dic 2012, 0:36

1
voti

[6] Re: Gestione velocità e lettura rpm ventole 3 fili

Messaggioda Foto UtentePaolino » 28 dic 2012, 12:41

Ok. Ricordati di verificare i valori di tensione degli impulsi! Puoi misurarli con un oscilloscopio?

Ciao.

Paolo.
"Houston, Tranquillity Base here. The Eagle has landed." - Neil A.Armstrong

-------------------------------------------------------------

PIC Experience - http://www.picexperience.it
Avatar utente
Foto UtentePaolino
32,6k 8 12 13
G.Master EY
G.Master EY
 
Messaggi: 4226
Iscritto il: 20 gen 2006, 11:42
Località: Vigevano (PV)

0
voti

[7] Re: Gestione velocità e lettura rpm ventole 3 fili

Messaggioda Foto Utentebau16 » 28 dic 2012, 12:49

Paolino ha scritto:Ok. Ricordati di verificare i valori di tensione degli impulsi! Puoi misurarli con un oscilloscopio?


Si ho la possibilità, ma non riesco prima del 7 gennaio poiché non ho lo strumento a portata di mano ora.
Una prima ipotesi che mi viene in mente e che quando gestisco in PWM gli impulsi siano "sporchi" talmente tanto da far si che l'ingresso che legge i giri legga 1 in momenti in cui normalmente sarebbe a zero.
Avatar utente
Foto Utentebau16
35 2
 
Messaggi: 31
Iscritto il: 28 dic 2012, 0:36

1
voti

[8] Re: Gestione velocità e lettura rpm ventole 3 fili

Messaggioda Foto Utenteg.schgor » 28 dic 2012, 13:03

Sì, è possibile che il PWM introduca disturbi negli impulsi
di conteggio velocità (prova a caricarli su una resistenza)
Avatar utente
Foto Utenteg.schgor
57,8k 9 12 13
G.Master EY
G.Master EY
 
Messaggi: 16971
Iscritto il: 25 ott 2005, 9:58
Località: MILANO

1
voti

[9] Re: Gestione velocità e lettura rpm ventole 3 fili

Messaggioda Foto UtentePaolino » 28 dic 2012, 15:05

Domanda: perché la porta (ad es. RB3) la poni come OUT e come INPUT? Non capisco...

Paolo.
"Houston, Tranquillity Base here. The Eagle has landed." - Neil A.Armstrong

-------------------------------------------------------------

PIC Experience - http://www.picexperience.it
Avatar utente
Foto UtentePaolino
32,6k 8 12 13
G.Master EY
G.Master EY
 
Messaggi: 4226
Iscritto il: 20 gen 2006, 11:42
Località: Vigevano (PV)

0
voti

[10] Re: Gestione velocità e lettura rpm ventole 3 fili

Messaggioda Foto Utentebau16 » 28 dic 2012, 20:35

Paolino ha scritto:Domanda: perché la porta (ad es. RB3) la poni come OUT e come INPUT? Non capisco...


Il tutto nasce dalla struttura delle porte del PIC.

In pratica:
OUT a 1: Il PNP non si satura, poiché la tensione rimane sui 7Vdc e per saturarsi deve esserci tra emettitore e base almeno una tensione maggiore di 10,2Vdc per via dei due zener da 5V1 (circa senza comprendere varie cadute di tensione).
INPUT : Il PNP si satura, vi è una tensione di 12Vdc.
OUT a 0: Il PNP si satura anche in questo caso. (questo stato non lo utilizzo più)

Ho scelta di usare lo stato di input invece che quello di output a zero poiché da cosa ho capito e testato nello stato di input dovrebbe essere in alta impedenza migliorando il discorso della perdita di tensione dovuta al PNP.
Se sbaglio correggetemi, sono qui per essere aperto a nuove idee! ;-)

Per lo schema che mi hai suggerito in precedenza lo proverò appena trovo un NPN del tipo che mi hai suggerito, sotto mano ne ho solo alcuni che però hanno una corrente massima di collettore solo di 100mA e penso che scaldino subito. #-o
Avatar utente
Foto Utentebau16
35 2
 
Messaggi: 31
Iscritto il: 28 dic 2012, 0:36

Prossimo

Torna a Realizzazioni, interfacciamento e nozioni generali.

Chi c’è in linea

Visitano il forum: Nessuno e 12 ospiti