Cos'è ElectroYou | Login Iscriviti

ElectroYou - la comunità dei professionisti del mondo elettrico

Costruzione circuito "interruttore"

hi-fi, luci, suoni, effetti speciali, palcoscenici...

Moderatore: Foto UtenteIsidoroKZ

0
voti

[1] Costruzione circuito "interruttore"

Messaggioda Foto UtenteUltrasNinjas » 28 dic 2012, 13:21

Salve a tutti,
ho imparato come postare lo scheda di FidoCadJ e mi sono letto un po' di altra roba e spero di non far incavolare nessuno stavolta...

La mia idea è questa (spero di riuscire a spiegarmi il meglio possibile :( )

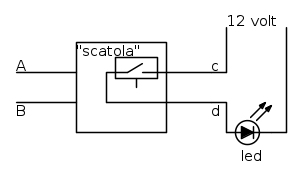
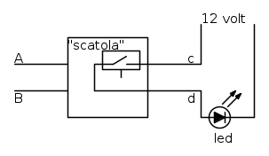
Voglio costruire una luce Stroboscopica o Psichedelica che vada a ritmo di musica da collegare nel subwoofer, quindi volevo costruire (spero sia il termine adatto) questo circuito.
Quando ai capi A e B c'è una tensione o potenza che supera un limite che magari poi deciderò tipo con una manopola del volume (se si può fare) questo circuito faccia fare contatto ai capi C e D, insomma chiuda l'interruttore. Ovviamente solo quando la tensione supera quel limite, e quindi quando ri-scende l'interruttore si apre e i fili C e D non fanno più contatto.

Quindi per fare l'esempio ho messo nel circuito un led qualsiasi per far capire che il circuito fa da "interruttore" per dire al led come accendersi.
Spero qualcuno sia in grado di aiutarmi :cry:
Ultima modifica di Foto Utentemir il 28 dic 2012, 13:25, modificato 1 volta in totale.
Motivazione: il codic esorgente va inserito fr ai tag "fcd"
Avatar utente
Foto UtenteUltrasNinjas
0 3
 
Messaggi: 20
Iscritto il: 24 dic 2012, 20:45

0
voti

[2] Re: Costruzione circuito "interruttore"

Messaggioda Foto Utentenollo » 28 dic 2012, 13:27

Non riesco a capire la relazione tra una luce che si accenda e spenga a tempo di musica e il livello di tensione di cui parli per far accendere il LED...
Avatar utente
Foto Utentenollo
1.141 2 7 12
Expert EY
Expert EY
 
Messaggi: 422
Iscritto il: 4 feb 2011, 13:44

0
voti

[3] Re: Costruzione circuito "interruttore"

Messaggioda Foto UtenteUltrasNinjas » 28 dic 2012, 13:31

La luce era per spiegare meglio il circuito, anche se poi io lo utilizzerò per quello.
Cioè io vorrei che quel circuito, quando la tensione o l'intensità su A e B supera un certo numero (tipo sopra 3 volt) il circuito faccia fare contatto ai capi C e D, e quindi come un interruttore chiuso. Poi quando la tensione torna sotto i 3 volt i capi C e D non fanno più contatto e l'interruttore torna "aperto" di default diciamo...
Avatar utente
Foto UtenteUltrasNinjas
0 3
 
Messaggi: 20
Iscritto il: 24 dic 2012, 20:45

0
voti

[4] Re: Costruzione circuito "interruttore"

Messaggioda Foto UtenteUltrasNinjas » 28 dic 2012, 20:44

Girovagando su questo forum ho trovato in una discussione che linkavano questo:
http://www.raffotech.it/?project=dsvsfdd

Forse è proprio il caso mio ma...
dove lo trovo il Transistor Tip31?
E nella parte del Jack che praticamente la punta (credo sia la massa) ha il cavo libero, ovvero non collegato da nessuna parte e alla fine ha il simbolo di quella E inclinata che penso significhi massa a terra. Quindi in sostanza quello dove lo collego, lo lascio libero? :roll:
Avatar utente
Foto UtenteUltrasNinjas
0 3
 
Messaggi: 20
Iscritto il: 24 dic 2012, 20:45

0
voti

[5] Re: Costruzione circuito "interruttore"

Messaggioda Foto Utentenollo » 28 dic 2012, 21:08

UltrasNinjas ha scritto:...
dove lo trovo il Transistor Tip31?
E nella parte del Jack che praticamente la punta (credo sia la massa) ha il cavo libero, ovvero non collegato da nessuna parte e alla fine ha il simbolo di quella E inclinata che penso significhi massa a terra. Quindi in sostanza quello dove lo collego, lo lascio libero? :roll:
#-o

Mi sa che non ti è ben chiaro il funzionamento della cosa.
E credo anche che il progetto l'avevi visto prima di scrivere su questo forum.
Questo spiega perché ti sei imputato sulla "soglia" di tensione...

La E rovesciata ( :shock: ) è può essere definito un punto di massa.

Non è la punta del jack che viene collegata a massa, ma "la massa" del jack ovvero la schermatura.

Il transistor lo compri in un negozio di componentistica o su internet.
Avatar utente
Foto Utentenollo
1.141 2 7 12
Expert EY
Expert EY
 
Messaggi: 422
Iscritto il: 4 feb 2011, 13:44

0
voti

[6] Re: Costruzione circuito "interruttore"

Messaggioda Foto Utentemarco438 » 28 dic 2012, 21:16

Bravo, mi fa piacere che dopo tutto quanto scritto tu vada a cercare il peggior circuito che potresti realizzare.
In definitiva poi, vorrei capire cosa c'entra il cosiddetto interruttore con questo schema.
marco
Avatar utente
Foto Utentemarco438
37,1k 7 11 13
-EY Legend-
-EY Legend-
 
Messaggi: 16323
Iscritto il: 24 mar 2010, 15:09
Località: Versilia

0
voti

[7] Re: Costruzione circuito "interruttore"

Messaggioda Foto UtenteUltrasNinjas » 28 dic 2012, 21:20

Centra che quel Transistor fa da interruttore, solo che al posto di A e B ha un solo cavo che entra, infatti mi sembra strano capire come faccia a capire quando c'è segnale in A.
Ma quindi quella è (simbolo di massa) vuol dire che devo lasciare il cavo libero senza collegarlo da nessuna parte?

P.S. ma perché il circuito peggiore? Cos'ha che non va? :cry:
Avatar utente
Foto UtenteUltrasNinjas
0 3
 
Messaggi: 20
Iscritto il: 24 dic 2012, 20:45

0
voti

[8] Re: Costruzione circuito "interruttore"

Messaggioda Foto Utentemarco438 » 28 dic 2012, 21:23

UltrasNinjas ha scritto:P.S. ma perché il circuito peggiore? Cos'ha che non va? :cry:

Ho espresso solo un parere.
Se credi che risolva i tuoi problemi compra pure il transistor e realizza il circuito; questo sta a dimostrare che di quello che in precedenza ti e' stato spiegato, non hai capito nulla.
marco
Avatar utente
Foto Utentemarco438
37,1k 7 11 13
-EY Legend-
-EY Legend-
 
Messaggi: 16323
Iscritto il: 24 mar 2010, 15:09
Località: Versilia

0
voti

[9] Re: Costruzione circuito "interruttore"

Messaggioda Foto UtenteUltrasNinjas » 28 dic 2012, 21:28

lo so lo so ma vorrei imparare senza bruciare qualcosa.
Cioè tipo è il peggior circuito perché ha solo un transistor e quindi non gestisce che può arrivare più corrente e bruciarlo? Oppure non controlla le frequenze? boh mi sembra di non capirci nulla #-o

Più che altro ho visto che quella persona ha messo anche il video su youtube e mi sembra funziona bene, inoltre ha anche scritto che lo usa da 3-4 anni...

Volendo comunque come primissimo circuito può andare no? :roll:
Poi magari in futuro inizierò ad aggiungerci componenti quando ci capirò di più, anche perché mentre all'inizio pensavo fosse molto più semplice e pensavo di saperne abbastanza per farlo ora mi sembra di sapere meno del mio cane...

Ripropongo la domanda... La massa la devo lasciare aperta e non collegarla al nulla? E perché? :shock:

Grazie per l'aiuto e la disponibilità O_/
Avatar utente
Foto UtenteUltrasNinjas
0 3
 
Messaggi: 20
Iscritto il: 24 dic 2012, 20:45

0
voti

[10] Re: Costruzione circuito "interruttore"

Messaggioda Foto Utentemarco438 » 28 dic 2012, 21:44

Facendo quel circuito non impari nulla perche' molte delle soluzioni adottate hanno poco a che fare con i principi dell'elettronica; ti avevo in precedenza suggerito un circuito "serio" ma pare che non sia di tuo gradimento e non capisco perche', visto che svolge esattamente e meglio le stesse funzioni.
Io stesso, per passatempo, ne ho realizzato uno in versione stereo e funziona alla grande; ma forse hai scelto il peggiore per quello che si vede nel video.
Beh, se ti piacciono le figure, guarda questa foto:
017 (1).jpg
017 (1).jpg (45.67 KiB) Osservato 6039 volte

e' la realizzazione che ti ho detto (anche se mancano i led) e, come puoi vedere, non c'e' nulla di difficile.
Poi, fai quello che meglio ritieni opportuno.
marco
Avatar utente
Foto Utentemarco438
37,1k 7 11 13
-EY Legend-
-EY Legend-
 
Messaggi: 16323
Iscritto il: 24 mar 2010, 15:09
Località: Versilia

Prossimo

Torna a Elettronica e spettacolo

Chi c’è in linea

Visitano il forum: Nessuno e 6 ospiti