Salve a tutti sono nuovo del forum copisco poco di elettronica ma + di elettrotecnica ( impianti elettrici). Avrei bisogno del Vostro prezzioso aiuto per realizzare un circuito che mi attivi un buzzer in ritardo di 6/8 secondi dopo aver chiuso un interruttore al mercurio, e che tacita dopo averlo aperto, tutto con batteria a 9V.
Vi ringrazio anticipatamente.
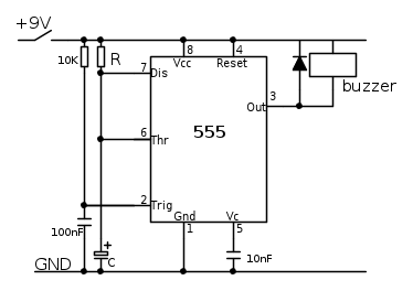
buzzer con ritardo 6/7 secondi
Moderatori:
carloc,
g.schgor,
BrunoValente,
IsidoroKZ
16 messaggi
• Pagina 1 di 2 • 1, 2
0
voti
0
voti
Ecco una possibile soluzione.
R e C vanno dimensionati per il ritardo voluto.
R e C vanno dimensionati per il ritardo voluto.
0
voti
non so come si dimensionano per un ritardo di 6/7 secondi.
0
voti
se ho capito bene il valore da mettere per la R e 56K e per C = 100nF per far funsionare il circuito?
Altro quesito da sottoporre, se volessi edire dal buzzer un suono non continuo (beeeeeeeeeeeeeeeeep) ma intervallato di 2 beep al secondo (beep-beep) come fare?
ringrazio anticipatamente.
Altro quesito da sottoporre, se volessi edire dal buzzer un suono non continuo (beeeeeeeeeeeeeeeeep) ma intervallato di 2 beep al secondo (beep-beep) come fare?
ringrazio anticipatamente.
0
voti
Attenzione per 6s C=100uF (non nF).
Per alternare il suono del buzzer (cioè per un beeper)
occorre un secondo 555 in configurazione oscillatore
che comanda il buzzer (tra uscita, pin3, e GND)
Questo secondo 555 deve ricevere il segnale di consenso
(pin4) dall'uscita del primo, ma interponendo un transistor
per l'inversione del segnale.
Per alternare il suono del buzzer (cioè per un beeper)
occorre un secondo 555 in configurazione oscillatore
che comanda il buzzer (tra uscita, pin3, e GND)
Questo secondo 555 deve ricevere il segnale di consenso
(pin4) dall'uscita del primo, ma interponendo un transistor
per l'inversione del segnale.
0
voti
Non capisco tanto di elettronica ma di elettrotecnica un poco si sono un elettricista
potrebbe inviarmi lo schema completo con la lista dei componenti necessari per realizzarlo? Rispettando le caratteristiche precedentemente da me descritte.
La ringrazio infinitamete
potrebbe inviarmi lo schema completo con la lista dei componenti necessari per realizzarlo? Rispettando le caratteristiche precedentemente da me descritte.
La ringrazio infinitamete
0
voti
NON RIESCO A VENIRE A CAPO DELLE MIA ESIGENZA
CONFIDO IN VOI TUTTI!!!!!!!!!!!!!!!!!!!!!!!!!!!!!!!!!!!!!!
GRAZIE E BUONE FESTE .
CONFIDO IN VOI TUTTI!!!!!!!!!!!!!!!!!!!!!!!!!!!!!!!!!!!!!!
GRAZIE E BUONE FESTE .
1
voti
Questa e' la terza volta che devo intervenire nei tuoi thread e la cosa mi sta stancando.
Premesso che scrivere in maiuscolo significa urlare ( e non e' cortese) stai sollecitando ancora le risposte.
Questo e' l'ultimo avvertimento; se non hai pazienza di aspettare l'elettronica non e' per te.
Premesso che scrivere in maiuscolo significa urlare ( e non e' cortese) stai sollecitando ancora le risposte.
Questo e' l'ultimo avvertimento; se non hai pazienza di aspettare l'elettronica non e' per te.
marco
0
voti
non volevo urlare ne sollecitare nessuno ho pazienza di aspettare ma pensavo che a domanda
e risposta ricevuta il colloquio sull'argomento continuasse evidentemente non ho capito come funziona. mi dispiace e chiedo publicamente scusa a tutti Voi!!!!!
ps. Sono nuovo del forum
16 messaggi
• Pagina 1 di 2 • 1, 2
Chi c’è in linea
Visitano il forum: Google [Bot] e 40 ospiti

Elettrotecnica e non solo (admin)
Un gatto tra gli elettroni (IsidoroKZ)
Esperienza e simulazioni (g.schgor)
Moleskine di un idraulico (RenzoDF)
Il Blog di ElectroYou (webmaster)
Idee microcontrollate (TardoFreak)
PICcoli grandi PICMicro (Paolino)
Il blog elettrico di carloc (carloc)
DirtEYblooog (dirtydeeds)
Di tutto... un po' (jordan20)
AK47 (lillo)
Esperienze elettroniche (marco438)
Telecomunicazioni musicali (clavicordo)
Automazione ed Elettronica (gustavo)
Direttive per la sicurezza (ErnestoCappelletti)
EYnfo dall'Alaska (mir)
Apriamo il quadro! (attilio)
H7-25 (asdf)
Passione Elettrica (massimob)
Elettroni a spasso (guidob)
Bloguerra (guerra)



