Il transistor che ho messo un Bc547, forse con un Bc238 che hai messo nel disegno le cose cambiano, non conosco questo transistor quindi non saprei dirti. Il led per ora è verde, ad alta luminosità, che se non sbaglio richiede 2.5V e 20mA.
Grazie per l'aiuto repentino :)
led su telefono fisso
Moderatore:
jordan20
16 messaggi
• Pagina 2 di 2 • 1, 2
2
voti
bebos89 ha scritto:forse con un Bc238 che hai messo nel disegno le cose cambiano
No, è lo stesso.
Io probabilmente avevo selezionato tra una ventina di transistor (forse BC337, ma per quest'uso non è rilevante) quello con l'hfe più alto.
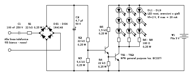
Per andare sul sicuro senza dover fare selezioni è meglio mettere due transistor, come in questo nuovo schema di "rivelatore di squillo" (ring detector):
Ho inserito 3 stringhe di 3 LED giusto per indicare che si può fare. Se inserisci LED con Vf = 3 V (blu, bianchi, verdi ad alta luminosità) ne potrai mettere solo 2 per stringa, mantenendo invariate le resistenze di caduta a 180 Ω.
Se inserisci un solo LED verde con Vf = 2,5 V e If max = 20 mA come hai detto, la resistenza di caduta dovrà essere di 390 Ω.
Si possono usare anche 2-3-4 pile da 1,5 V in serie, con uno o due LED per stringa e ricalcolando le resistenze.
Buon lavoro.

Big fan of ⋮ƎlectroYou! Ausili per disabili e anziani su ⋮ƎlectroYou
Caratteri utili: À È É Ì Ò Ó Ù α β γ δ ε η θ λ μ π ρ σ τ φ ω Ω º ª ² ³ √ ∛ ∜ ₀ ₁ ₂ ₃ ₄ ₅ ₆ ∃ ∄ ∆ ∈ ∉ ± ∓ ∾ ≃ ≈ ≠ ≤ ≥
Caratteri utili: À È É Ì Ò Ó Ù α β γ δ ε η θ λ μ π ρ σ τ φ ω Ω º ª ² ³ √ ∛ ∜ ₀ ₁ ₂ ₃ ₄ ₅ ₆ ∃ ∄ ∆ ∈ ∉ ± ∓ ∾ ≃ ≈ ≠ ≤ ≥
1
voti
Grazie, avevo già modificato il circuito come il nuovo schema che hai postato ma non ne ero sicuro (mi ero basato sul idea che avevi lanciato in una risposta precedente), ora ho la certezza che avevo ragione. Grazie mille per il nuovo schema e per la spiegazione
A presto
A presto
0
voti
..molti anni fa feci un circuito con optoisolatore che accendeva una lampada a 220 V quando squillava il telefono(mia Nonna era debole d'udito).
Una curiosità: che significa che un circuito carica la linea telefonia?..quali sono le conseguenze?
Grazie
Una curiosità: che significa che un circuito carica la linea telefonia?..quali sono le conseguenze?
Grazie
0
voti
albatros ha scritto:..molti anni fa feci un circuito con optoisolatore che accendeva una lampada a 220 V quando squillava il telefono(mia Nonna era debole d'udito).
Complimenti. Eh, i nonni e gli anziani, mai abbastanza rispettati e riconosciuti...
GuidoB ha scritto:Molti anni fa avevo utilizzato un circuito simile a questo per far suonare una piccola sirena a basso consumo, inserita al posto di DL1 - R3.
Anche quella era per i miei nonni, e un altro esemplare per altri parenti anziani.
albatros ha scritto:Una curiosità: che significa che un circuito carica la linea telefonica?
Vuol dire che si comporta come un carico, cioè assorbe corrente (quindi potenza, quindi energia) dalla linea.
Invece, caricare un accumulatore significa fornirgli corrente (quindi potenza, quindi energia): la stessa parola è usata con un significato pressoché opposto. Stranezze della lingua.
albatros ha scritto:..quali sono le conseguenze?
La corrente di chiamata assorbita dalla linea non deve superare certi limiti. Solitamente si possono assorbire al massimo 40 mA efficaci, corrispondenti a 2,4 VA a 60 V efficaci, inviati dall'altro capo della linea. Questo corrisponde a poco più di 4 REN.
Quindi a ogni linea non si dovrebbero collegare più di 4 suonerie (solitamente incorporate in telefoni), se ciascuna è da 1 REN.
Collegandone di più si potrebbe sovraccaricare l'alimentatore della linea, e le suonerie potrebbero non funzionare.

Big fan of ⋮ƎlectroYou! Ausili per disabili e anziani su ⋮ƎlectroYou
Caratteri utili: À È É Ì Ò Ó Ù α β γ δ ε η θ λ μ π ρ σ τ φ ω Ω º ª ² ³ √ ∛ ∜ ₀ ₁ ₂ ₃ ₄ ₅ ₆ ∃ ∄ ∆ ∈ ∉ ± ∓ ∾ ≃ ≈ ≠ ≤ ≥
Caratteri utili: À È É Ì Ò Ó Ù α β γ δ ε η θ λ μ π ρ σ τ φ ω Ω º ª ² ³ √ ∛ ∜ ₀ ₁ ₂ ₃ ₄ ₅ ₆ ∃ ∄ ∆ ∈ ∉ ± ∓ ∾ ≃ ≈ ≠ ≤ ≥
16 messaggi
• Pagina 2 di 2 • 1, 2
Chi c’è in linea
Visitano il forum: Nessuno e 20 ospiti

Elettrotecnica e non solo (admin)
Un gatto tra gli elettroni (IsidoroKZ)
Esperienza e simulazioni (g.schgor)
Moleskine di un idraulico (RenzoDF)
Il Blog di ElectroYou (webmaster)
Idee microcontrollate (TardoFreak)
PICcoli grandi PICMicro (Paolino)
Il blog elettrico di carloc (carloc)
DirtEYblooog (dirtydeeds)
Di tutto... un po' (jordan20)
AK47 (lillo)
Esperienze elettroniche (marco438)
Telecomunicazioni musicali (clavicordo)
Automazione ed Elettronica (gustavo)
Direttive per la sicurezza (ErnestoCappelletti)
EYnfo dall'Alaska (mir)
Apriamo il quadro! (attilio)
H7-25 (asdf)
Passione Elettrica (massimob)
Elettroni a spasso (guidob)
Bloguerra (guerra)




