Cos'è ElectroYou | Login Iscriviti

ElectroYou - la comunità dei professionisti del mondo elettrico

MOTORIZZAZIONE 12 V. POLTRONA RECLINABILE

Piccole automazioni, installazioni elettroniche e domotica
0
voti

[41] Re: MOTORIZZAZIONE 12 V. POLTRONA RECLINABILE

Messaggioda Foto Utenteettorecastallo » 1 gen 2013, 11:02

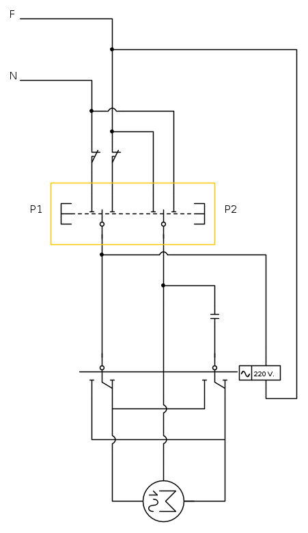
Immagine

allora......... siamo nel 2013, e bisogna risolvere il "busillis"

1) - se metto un pulsante doppio di comando e fornisco 220 v. con uno dei comandi il motore gira in un determinato senso e quando rilascio il pulsante il motore si ferma

e fin qui mi sembra che ci siamo !

2) per far girare il motore nell'altro senso bisogna eccitare, con l'altra parte del pulsante doppio, il secondo teleruttore (magari anche questo 220 v. e non a 12V come indicato nel circuito) che in pratica sposta il condensatore sull'altro contatto del motore... e quando rilascio il pulsante il teleruttore si diseccita ed il motore si ferma.

:? :?

Dove ho sbagliato ?

Un saluto a tutti
Avatar utente
Foto Utenteettorecastallo
10 3
New entry
New entry
 
Messaggi: 57
Iscritto il: 13 ott 2011, 10:18

0
voti

[42] Re: MOTORIZZAZIONE 12 V. POLTRONA RECLINABILE

Messaggioda Foto Utenteg.schgor » 1 gen 2013, 11:30

Devi fare lo schema (non descriverlo a parole...)
Buon Anno.
Avatar utente
Foto Utenteg.schgor
57,8k 9 12 13
G.Master EY
G.Master EY
 
Messaggi: 16971
Iscritto il: 25 ott 2005, 9:58
Località: MILANO

0
voti

[43] Re: MOTORIZZAZIONE 12 V. POLTRONA RECLINABILE

Messaggioda Foto Utenteettorecastallo » 1 gen 2013, 13:10

Mi dispiace, ma non credo di avere l'abilità per produrre un circuito degno di tale nome, e per di più con il software d'ordinanza, mi mancano sia le cognizioni tecniche che l'abilità pratica.

Farò un po' di esperimenti prima con fili elettrici volanti, interruttori, relè utilizzando multimetro + lampadine, poi collegando il motore.

poi vedremo cosa ne verrà fuori !!!

Comunque grazie per tutte le delucidazioni fino ad ore fornitemi

O_/
Avatar utente
Foto Utenteettorecastallo
10 3
New entry
New entry
 
Messaggi: 57
Iscritto il: 13 ott 2011, 10:18

1
voti

[44] Re: MOTORIZZAZIONE 12 V. POLTRONA RECLINABILE

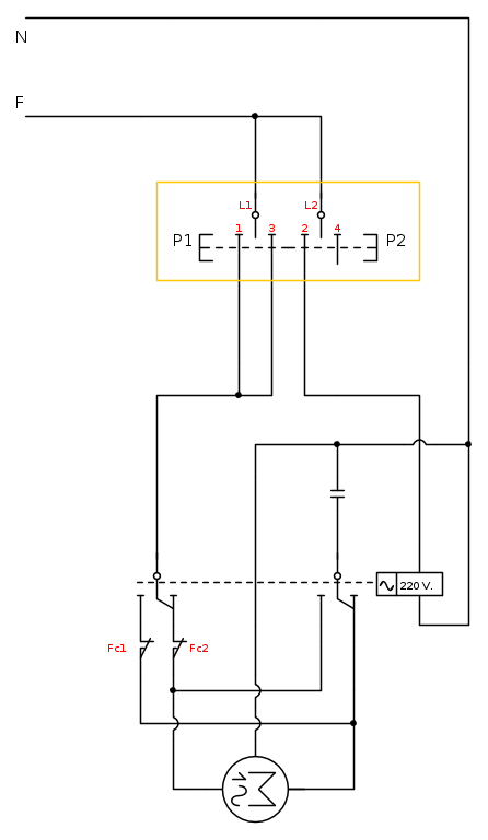
Messaggioda Foto Utenteettorecastallo » 1 gen 2013, 19:39

g.schgor ha scritto:Devi fare lo schema (non descriverlo a parole...)
Buon Anno.




Contrariamente a quanto ho detto questa mattina, ho voluto cimentarmi, nonostante la mia profonda ignoranza , sia in campo tecnico e conoscenza dei materiali, sia nell'uso del software di disegno.

:?

Vi prego solo di non infierire troppo !!!!
Avatar utente
Foto Utenteettorecastallo
10 3
New entry
New entry
 
Messaggi: 57
Iscritto il: 13 ott 2011, 10:18

1
voti

[45] Re: MOTORIZZAZIONE 12 V. POLTRONA RECLINABILE

Messaggioda Foto Utenteg.schgor » 1 gen 2013, 20:22

Direi che ce l'hai fatta! (anche se non serve l'inversione della fase col neutro)
Il segreto era tutto qui: con uno dei 2 pulsanti, oltreché dare tensione al motore
devi attivare il teleruttore che commuta il senso di marcia. (altrimenti girerebbe
sempre in un solo verso).
I miei complimenti.
Avatar utente
Foto Utenteg.schgor
57,8k 9 12 13
G.Master EY
G.Master EY
 
Messaggi: 16971
Iscritto il: 25 ott 2005, 9:58
Località: MILANO

0
voti

[46] Re: MOTORIZZAZIONE 12 V. POLTRONA RECLINABILE

Messaggioda Foto UtenteTardoFreak » 1 gen 2013, 20:34

ettorecastallo ha scritto:...In tal modo avrei le due versioni così da poter completare il mio archivio circuiti...... non si sa mai,
potrebbe essere utile a molti anche per applicazioni simili !


Giuro che quando deciderò di costruirmi una poltrona eiettabile attingerò le info da questa discussione.

:mrgreen:
"La follia sta nel fare sempre la stessa cosa aspettandosi risultati diversi".
"Parla soltanto quando sei sicuro che quello che dirai è più bello del silenzio".
Rispondere è cortesia, ma lasciare l'ultima parola ai cretini è arte.
Avatar utente
Foto UtenteTardoFreak
73,9k 8 12 13
-EY Legend-
-EY Legend-
 
Messaggi: 15754
Iscritto il: 16 dic 2009, 11:10
Località: Torino - 3° pianeta del Sistema Solare

0
voti

[47] Re: MOTORIZZAZIONE 12 V. POLTRONA RECLINABILE

Messaggioda Foto Utenteettorecastallo » 1 gen 2013, 20:56

Se ti riferisci alla mia ipotesi teorica di utilizzare un motore da lavatrice, ovviamente con la velocità "bassa" che normalmente viene sfruttata nella funzione "lavaggio" a 450 giri minuto.

Posso tranquillizzare i futuri utilizzatori della mia "ipotesi" dato che le pulegge/cinghia, in dotazione di massima ad ogni lavatrice, creano un rapporto di riduzione 1:6 per cui 450:6 = 75

La vite che guida tutto il movimento di sollevamento, dal primo filetto utilizzato all'ultimo, fa 36 giri

per cui tutta la fase di sollevamento della poltrona dura 30 secondi
e direi che "mezzo minuto" è un tempo più che ragionevole per non essere "eiettati" dalla poltrona !

Io comunque utilizzerò un motore 12 V debitamente demoltiplicato, in modo da poter operare con pochi ampere !!!

:D

Rinnovo i ringraziamenti a tutti
Avatar utente
Foto Utenteettorecastallo
10 3
New entry
New entry
 
Messaggi: 57
Iscritto il: 13 ott 2011, 10:18

0
voti

[48] Re: MOTORIZZAZIONE 12 V. POLTRONA RECLINABILE

Messaggioda Foto UtenteCGIUSEPPE61 » 1 gen 2013, 22:03

Ho solamente semplificato un qualche cosa.

Saluti

Avatar utente
Foto UtenteCGIUSEPPE61
482 1 3 5
Expert EY
Expert EY
 
Messaggi: 578
Iscritto il: 2 feb 2009, 18:05

0
voti

[49] Re: MOTORIZZAZIONE 12 V. POLTRONA RECLINABILE

Messaggioda Foto Utenteettorecastallo » 2 gen 2013, 3:13

:ok: E' lampante la differenza !!!

Il tuo è il disegno di un vero tecnico
:ok:

Il mio è stato, in assoluto, il primo disegno di un circuito elettrico........

Nuovamente un grazie a tutti !
Avatar utente
Foto Utenteettorecastallo
10 3
New entry
New entry
 
Messaggi: 57
Iscritto il: 13 ott 2011, 10:18

0
voti

[50] Re: MOTORIZZAZIONE 12 V. POLTRONA RECLINABILE

Messaggioda Foto Utenteettorecastallo » 2 gen 2013, 23:03

Eccomi qui di nuovo !

Dopo aver comprato i due commutatori 2P ed il relè doppio scambio per fare delle prove sia con i 12 che con i 220 v utilizzando la classica lampadina.......

mi sono venuti in mente i 2 finecorsa

e se uno dei 2 dovesse saltare ?

si può magari ovviare con un fusibile messo da qualche parte ? (ma mi pare una soluzione troppo semplicistica)

cercando in internet ho trovato questa frase in proposito, ma per me è arabo :?
cosa vogliono dire ?

:arrow: :arrow: ....manca ancora il lato temporizzatore saltasse il segnale di un fine corsa....
modulo DIN regolabile o circuiteria con un NE555? o un condensatore di
caduta e via ?
Avatar utente
Foto Utenteettorecastallo
10 3
New entry
New entry
 
Messaggi: 57
Iscritto il: 13 ott 2011, 10:18

PrecedenteProssimo

Torna a Automazione civile

Chi c’è in linea

Visitano il forum: Nessuno e 13 ospiti