Cos'è ElectroYou | Login Iscriviti

ElectroYou - la comunità dei professionisti del mondo elettrico

regolatore di carica PV

Circuiti, campi elettromagnetici e teoria delle linee di trasmissione e distribuzione dell’energia elettrica

Moderatori: Foto Utenteg.schgor, Foto UtenteIsidoroKZ

1
voti

[21] Re: regolatore di carica PV

Messaggioda Foto UtenteSparafucile » 31 dic 2012, 0:56

pin32 ha scritto: ... quindi lavorano in controfase O_/ ...

No, non in controfase. Ci bisogna un spostamento di fase di 180 gradi (120 gradi, 90 gradi ecc).


Avatar utente
Foto UtenteSparafucile
4.361 4 8
Master EY
Master EY
 
Messaggi: 649
Iscritto il: 22 gen 2012, 19:57

0
voti

[22] Re: regolatore di carica PV

Messaggioda Foto Utentepin32 » 31 dic 2012, 1:07

salve.

leggo meglio domani che ora ho sonno O_/

comunque intendevo 180 gradi per controfase... :ok:

ci si sente domani

notte

pino
Avatar utente
Foto Utentepin32
16 4
New entry
New entry
 
Messaggi: 57
Iscritto il: 25 ott 2012, 21:03

0
voti

[23] Re: regolatore di carica PV

Messaggioda Foto Utentepin32 » 31 dic 2012, 17:38

salve.

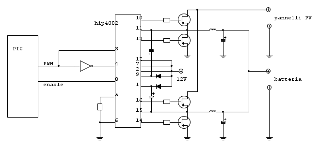
ho buttato giù uno schema della parte di potenza con configurazione "buck 2fasi sincrono" come da consiglio di Foto UtenteIsidoroKZ, che ne dite??? potrebbe funzionare ??



ciao


pino
Avatar utente
Foto Utentepin32
16 4
New entry
New entry
 
Messaggi: 57
Iscritto il: 25 ott 2012, 21:03

2
voti

[24] Re: regolatore di carica PV

Messaggioda Foto UtenteIsidoroKZ » 31 dic 2012, 22:35

Mi sembra che abbia comandato i due convertitori in controfase, al posto di comandarli con un ritardo di mezzo ciclo. Vedi quanto ti ha detto Foto UtenteSparafucile, e considera di guardare qualche circuito un po' piu` semplice, anche dal punto di vista costrutivo oltre che teorico!
Per usare proficuamente un simulatore, bisogna sapere molta più elettronica di lui
Plug it in - it works better!
Il 555 sta all'elettronica come Arduino all'informatica! (entrambi loro malgrado)
Se volete risposte rispondete a tutte le mie domande
Avatar utente
Foto UtenteIsidoroKZ
121,2k 1 3 8
G.Master EY
G.Master EY
 
Messaggi: 21059
Iscritto il: 17 ott 2009, 0:00

0
voti

[25] Re: regolatore di carica PV

Messaggioda Foto Utentepin32 » 1 gen 2013, 12:13

Salve e auguri x il 2013.

Dalla documentazione che sono riuscito a leggere in giro (poca roba) mi è sembrato che il pilotaggio dei rami si usasse di dividere l'intero ciclo per il numero di fasi usate:
4 fasi= 90g
3 fasi= 120g
2 fasi= 180g

Mi sembra di capire che ho capito male...

Potete illuminarmi per cortesia o indicarmi dove reperire info.

Grazie per il vostro interessamento

Isidoro io sto seguendo le tue indicazioni sei tu che mi hai prospettato la topologia e ti ringrazio per i tuoi consigli. Cosa intendi per una circuiteria piu semplice???
Potresti abbozzare un schemino ?? O_/

Scusami l'ignoranza ma mezzo ciclo, 180g, controfase, non è lo stesso????
Forse mi devo ripassare un po' di elettrotecnica!!!!


Pino
Avatar utente
Foto Utentepin32
16 4
New entry
New entry
 
Messaggi: 57
Iscritto il: 25 ott 2012, 21:03

0
voti

[26] Re: regolatore di carica PV

Messaggioda Foto Utentepin32 » 2 gen 2013, 16:11

salve.

:oops: :oops: :oops: :oops: :oops: :oops: :oops:
ho capito (finalmente direte voi) che con il PWM non si ha una forma d'onda costante e ripetitiva (tipo clock) per cui non si può semplicemente "invertire". se fosse stato un segnale ripetitivo (sinusoidale) il ragionamento era valido inversione = ritardo di 180°, ma in questo contesto non centra nulla.
:oops: :oops: :oops: :oops: :oops: :oops: :oops:

a questo punto vi chiedo come posso ritardare il segnale PWM in modo semplice per applicarlo al secondo buck ?

o mi conviene adoperare dei chip specifici ? ne ho visti diversi ma sono costruiti per tensioni molto basse (core cpu). mica me ne sapete consigliare qualcuno. :D :D

grazie per le risposte (e la pazienza)


pino
Avatar utente
Foto Utentepin32
16 4
New entry
New entry
 
Messaggi: 57
Iscritto il: 25 ott 2012, 21:03

2
voti

[27] Re: regolatore di carica PV

Messaggioda Foto UtenteIsidoroKZ » 2 gen 2013, 16:57

Meglio andare su controllori specifici, ad esempio Linear Technology, Texas Instruments e tanti altri ne producono.

Pero` rimane sempre il fatto che non hai abbastanza conoscenze per affrontare un problema del genere che e` di quelli complicati anche per un professionista del settore.
Per usare proficuamente un simulatore, bisogna sapere molta più elettronica di lui
Plug it in - it works better!
Il 555 sta all'elettronica come Arduino all'informatica! (entrambi loro malgrado)
Se volete risposte rispondete a tutte le mie domande
Avatar utente
Foto UtenteIsidoroKZ
121,2k 1 3 8
G.Master EY
G.Master EY
 
Messaggi: 21059
Iscritto il: 17 ott 2009, 0:00

0
voti

[28] Re: regolatore di carica PV

Messaggioda Foto Utentepin32 » 3 gen 2013, 1:26

salve,
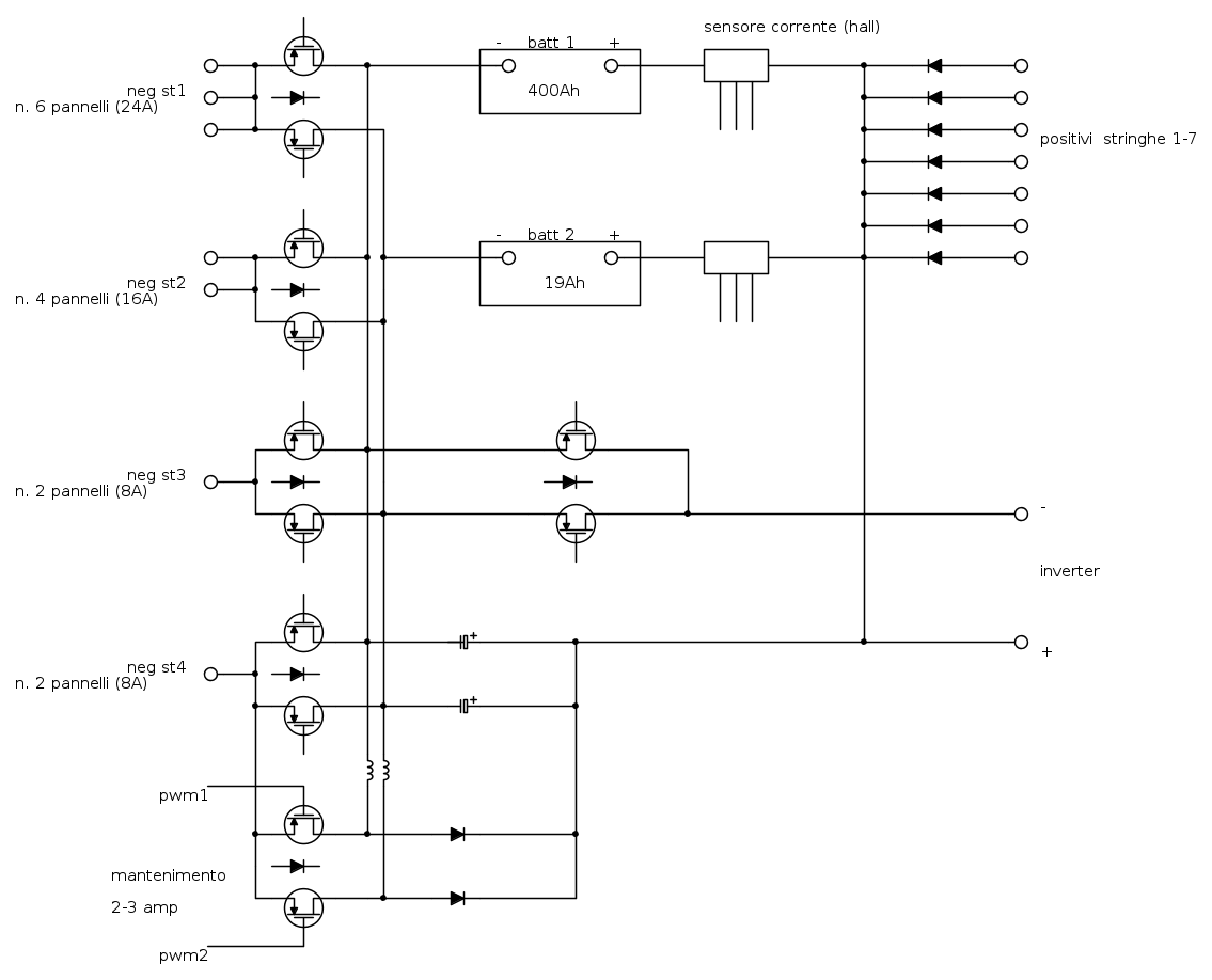
dopo i vostri consigli ... ho imbroccato la strada più semplice.
il circuito che ho intenzione di fare regola la corrente di ricarica staccando ed inserendo le stringhe di PV.
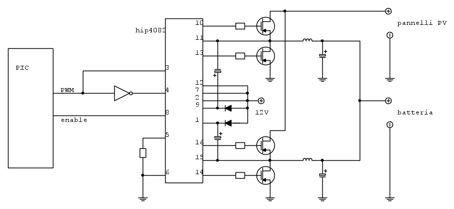
il circuito che ho disegnato è questo:



tutti i mosfet lavorano on-off , il PWM è usato solo nella fase di mantenimento con una corrnte massima di qualche ampere.

il circuito mi sembra corretto Foto UtenteIsidoroKZ cortesemente mi ci dai un'occhio, ho un dubbio ma come faccio a creare un riferimento di massa per il circuito di controllo?

grazie mille


pino
Avatar utente
Foto Utentepin32
16 4
New entry
New entry
 
Messaggi: 57
Iscritto il: 25 ott 2012, 21:03

Precedente

Torna a Elettrotecnica generale

Chi c’è in linea

Visitano il forum: Nessuno e 19 ospiti