Cos'è ElectroYou | Login Iscriviti

ElectroYou - la comunità dei professionisti del mondo elettrico

Modello diodo a batteria

Elettronica lineare e digitale: didattica ed applicazioni

Moderatori: Foto Utentecarloc, Foto Utenteg.schgor, Foto UtenteBrunoValente, Foto UtenteIsidoroKZ

0
voti

[1] Modello diodo a batteria

Messaggioda Foto UtenteGauss92 » 2 gen 2013, 17:01

Salve a tutti,
volevo chiarire qualche mio dubbio in merito al funzionamento del diodo e ai suoi vari modelli. Preso per esempio il modello a batteria, sappiamo bene che la tensione V_{on} che gli assegno non compare ai morsetti del diodo quindi mi chiedevo, nel caso in cui in un circuito comparisse un diodo in parallelo ad una resitenza, come mai questo imponesse V_{on} ai capi della resistenza in parallelo.
un'altra cosa che mi da a pensare è il valutare lo stato di funzionamento dei diodi. La domanda è questa : esistono configurazioni del circuito per cui mi è piu semplice valutare lo stato di funzionamento ragionando sulla corrente o sulla tensione ? cioè (a parte l'esperienza) c'è qualche valutazione ad occhio che si possa fare per evitare ad esempio conti sulla tensione quando invece ragionando in termini di corrente risulti evidente lo stesso risulatato che otterrrei ragionando sulla tensione ?

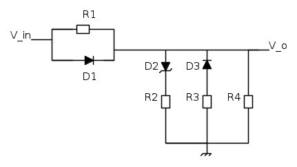
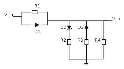
Sempre in merito alla domanda di prima, nel caso io ho un circuito privo di generatori ma con molti diodi con modello a batteria, è possibile che io mi ritrovi una corrente all'interno del circuito ? posto un esempio :
(Resistenze da 1K e V_{on}=0.7 V)

Avatar utente
Foto UtenteGauss92
28 4
New entry
New entry
 
Messaggi: 62
Iscritto il: 10 giu 2012, 10:46

3
voti

[2] Re: Modello diodo a batteria

Messaggioda Foto UtenteIsidoroKZ » 2 gen 2013, 17:06

Rispondo solo all'ultima domanda, quelle prima non le ho capite bene.

NO, la batteria che modella un diodo in conduzione esiste solo se c'e` un generatore esterno che polarizza direttamente il diodo, altrimenti in una rete con soli diodi e resistenze non ci sono correnti...

(...a meno che non scoperchi un diodo e lo illumini, in tal caso hai una cella fotovoltaica, in pratica un generatore di corrente in parallelo al diodo)
Per usare proficuamente un simulatore, bisogna sapere molta più elettronica di lui
Plug it in - it works better!
Il 555 sta all'elettronica come Arduino all'informatica! (entrambi loro malgrado)
Se volete risposte rispondete a tutte le mie domande
Avatar utente
Foto UtenteIsidoroKZ
121,2k 1 3 8
G.Master EY
G.Master EY
 
Messaggi: 21059
Iscritto il: 17 ott 2009, 0:00

0
voti

[3] Re: Modello diodo a batteria

Messaggioda Foto UtenteGauss92 » 2 gen 2013, 19:14

Quindi nel circuito che ho riportato quando l'ingresso è zero lo sarà anche l'uscita ?

Per quanto riguarda l'altra quello che volevo dire è questo:
per capire se un diodo è spento basta supporre uno stato di funzionamento e poi verificare, nel caso in cui sia supposto acceso, che la corrente scorra da anodo a catodo. In alternativa, sempre sotto ipotesi, calcolare la tensione a cui è sottoposto e verificare se supera la soglia di accensione.
Ora a volte conviene ragionare sulle correnti per verificare le ipotesi, altre volte sulla tensione, e mi chiedevo se ci fossero configurazioni per cui la verifica risulta più agevole in un modo piuttosto che in un altro.
Spero di aver reso il concetto :-)
Avatar utente
Foto UtenteGauss92
28 4
New entry
New entry
 
Messaggi: 62
Iscritto il: 10 giu 2012, 10:46


Torna a Elettronica generale

Chi c’è in linea

Visitano il forum: Nessuno e 165 ospiti