trovare cadute di tensione.
Moderatori:
g.schgor,
IsidoroKZ
23 messaggi
• Pagina 1 di 3 • 1, 2, 3
0
voti
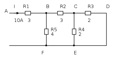
so che non è la sezione adatta, forse non è proprio il forum adatto ma è l'unico che mi sembrava inerente a quello di cui ho bisogno...devo risolvere un esercizio nella quale devo trovare le cadute di tensione...vi prego di aiutarmi siete gli unici che potete farlo.., devo trovare le cadute di tensione su ogni resistenza quindi Vab ecc ecc...l'intensità è di 10Ampere vi prego è abbastanza urgente...(esercizio allegato) grazie a tutti
Ultima modifica di
RenzoDF il 2 gen 2013, 23:58, modificato 1 volta in totale.
Motivazione: Usare il pulsante "Inserisci in linea con il testo", grazie.
Motivazione: Usare il pulsante "Inserisci in linea con il testo", grazie.
1
voti
Due regolette semplici semplici:
1. i disegni li devi fare con FIDOCADJ;
2. abbozza una TUA soluzione.
Ciao.
Paolo.
P.S. Punti 1) e 2), "abbastanza urgenti"...
1. i disegni li devi fare con FIDOCADJ;
2. abbozza una TUA soluzione.
Ciao.
Paolo.
P.S. Punti 1) e 2), "abbastanza urgenti"...
"Houston, Tranquillity Base here. The Eagle has landed." - Neil A.Armstrong
-------------------------------------------------------------
PIC Experience - http://www.picexperience.it
-------------------------------------------------------------
PIC Experience - http://www.picexperience.it
-

Paolino
32,6k 8 12 13 - G.Master EY

- Messaggi: 4226
- Iscritto il: 20 gen 2006, 11:42
- Località: Vigevano (PV)
0
voti
provvederò a leggere meglio il regolamento il prima possibile lo prometto... dato che voglio diventare attivo, in quanto oltre a livello scolastico mi sta appassionando questo mondo ora però ho assolutissimo bisogno ora per favore...la mia bozza non c'è io so risolvere questi problemi ne avevo una trentina da fare e ne ho fatti 25 sarà per questo che mi si è fuso il cervello? boh mi perdo sul più semplice...non capisco nemmeno come semplificare serie e parallelo lì...perfavore.
2
voti
Salve
carlofs95,
sei nella sezione Elettrotecnica direi che sia quella giusta,infatti
e ancora
credo che senz'altro c'è chi potrà darti una mano, ma per prima cosa dovresti far vedere sin dove sei arrivato impostando la soluzione del problema e di lì qualcuno potrà consigliarti, diversamente se cerchi la soluzione al problema bella e confezionata, allora hai visto giusto:
PS.
gli schemi e/o disegni vanno postati utilizzando fidocadj per il quale trovi tutte le info nel menu a tendina in alto alla voce Help,semplice,potente e gratuito software che consente di editare schemi su cui apportare le giuste modifiche per chi interviene nel thread.
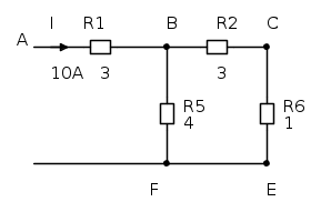
provo ad abbozzare lo schema:
carlofs95 ha scritto:so che non è la sezione adatta...
sei nella sezione Elettrotecnica direi che sia quella giusta,infatti
carlofs95 ha scritto:forse non è proprio il forum adatto ma è l'unico che mi sembrava inerente
e ancora
carlofs95 ha scritto:.. siete gli unici che potete farlo.
carlofs95 ha scritto:.vi prego di aiutarmi
credo che senz'altro c'è chi potrà darti una mano, ma per prima cosa dovresti far vedere sin dove sei arrivato impostando la soluzione del problema e di lì qualcuno potrà consigliarti, diversamente se cerchi la soluzione al problema bella e confezionata, allora hai visto giusto:
anzi non è il forum adatto.carlofs95 ha scritto:... non è la sezione adatta..
PS.
gli schemi e/o disegni vanno postati utilizzando fidocadj per il quale trovi tutte le info nel menu a tendina in alto alla voce Help,semplice,potente e gratuito software che consente di editare schemi su cui apportare le giuste modifiche per chi interviene nel thread.
provo ad abbozzare lo schema:
1
voti
Accidenti,
mir: mi hai anticipato di un nonnulla.
A questo punto, inizia a fare un po' di semplificazioni e mostraci il tuo approccio.
Ciao.
Paolo.
A questo punto, inizia a fare un po' di semplificazioni e mostraci il tuo approccio.
Ciao.
Paolo.
"Houston, Tranquillity Base here. The Eagle has landed." - Neil A.Armstrong
-------------------------------------------------------------
PIC Experience - http://www.picexperience.it
-------------------------------------------------------------
PIC Experience - http://www.picexperience.it
-

Paolino
32,6k 8 12 13 - G.Master EY

- Messaggi: 4226
- Iscritto il: 20 gen 2006, 11:42
- Località: Vigevano (PV)
0
voti
sei stato gentilissimo ad averlo fatto grazie...ragazzi so che sicuramente avrò sbagliato e sto chiedendo tutto facilmente ma son abbastanza in una situazione di "crisi", io ho provato a far l'esercizio trovado Rcd e Rce in paralllo, poi il parallelo tra Rbc e Rbf, successivamente la serie tra Rab e le 2 prima trovate, calcolo la v totale con la legge di ohm v=r x i cioe 5,7 (la resistenza totale che mi esce) x 10 (l'intensità) vab è l'unica he ho trovato, facendo molto semplicemente 3 (la resistenza sul tratto ab) x 10 perché in quel tratto dovrebbe passare la i (corrente) totale... qua mi blocco non riesco più non so perché...son inesperto faccio a scuola da 2 mesi questo 3 ore alla settimana...vi ripeto, so di aver sbagliato diversi punti sul forum ma provvederò a migliorare...intanto ringrazio per la disponibilità e il tempo perso...gentilissimi
2
voti
1.
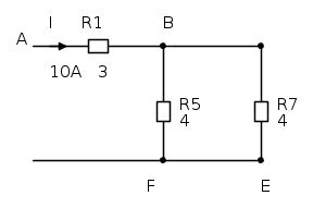
Inizia con il parallelo tra R3 ed R4. La resistenza risultante è R6 e vale
:
2. Si nota che R2 e R6 sono in serie: si calcola la risultante che vale R7 pari a
:
3. Di nuovo un parallelo, tra R5 ed R7: la risultante è R8 e vale
:
Io ti ho dato l'incipit; arrivati a questo punto, continua tu...
Ciao.
Paolo.
Inizia con il parallelo tra R3 ed R4. La resistenza risultante è R6 e vale
:2. Si nota che R2 e R6 sono in serie: si calcola la risultante che vale R7 pari a
:3. Di nuovo un parallelo, tra R5 ed R7: la risultante è R8 e vale
:Io ti ho dato l'incipit; arrivati a questo punto, continua tu...
Ciao.
Paolo.
"Houston, Tranquillity Base here. The Eagle has landed." - Neil A.Armstrong
-------------------------------------------------------------
PIC Experience - http://www.picexperience.it
-------------------------------------------------------------
PIC Experience - http://www.picexperience.it
-

Paolino
32,6k 8 12 13 - G.Master EY

- Messaggi: 4226
- Iscritto il: 20 gen 2006, 11:42
- Località: Vigevano (PV)
0
voti
sei stato infinitamente gentile grazie tante...c'è solo una cosa che non mi torna a fine esercizio sto calcolando le cadute di tensione...vado a calcolare vab, 3x10= 30v, vado a calcolare vbf, 4 (la resistenza sul tratto) x 5 (lacorrente che passa lì) e mi risulta 20v e già così mi risulta 50v, non ho ancora calcolato le altre e 50v dovrebbe esser la totale da me prima calcolata...come è possibile? per caso sai dirmi cosa sto sbagliando? grazie ancora
6
voti
Questo problema sarebbe proprio adatto ad essere risolto con la "falsa posizione"
imposta per esempio a 1A la corrente nel ramo destro si va ad ottenere una falsa corrente d'ingresso di 4A invece dei reali 10A, di conseguenza il fattore k=10/4 trasformerebbe tutte le "false" tensioni in "vere".
imposta per esempio a 1A la corrente nel ramo destro si va ad ottenere una falsa corrente d'ingresso di 4A invece dei reali 10A, di conseguenza il fattore k=10/4 trasformerebbe tutte le "false" tensioni in "vere".
"Il circuito ha sempre ragione" (Luigi Malesani)
23 messaggi
• Pagina 1 di 3 • 1, 2, 3
Torna a Elettrotecnica generale
Chi c’è in linea
Visitano il forum: Nessuno e 230 ospiti

Elettrotecnica e non solo (admin)
Un gatto tra gli elettroni (IsidoroKZ)
Esperienza e simulazioni (g.schgor)
Moleskine di un idraulico (RenzoDF)
Il Blog di ElectroYou (webmaster)
Idee microcontrollate (TardoFreak)
PICcoli grandi PICMicro (Paolino)
Il blog elettrico di carloc (carloc)
DirtEYblooog (dirtydeeds)
Di tutto... un po' (jordan20)
AK47 (lillo)
Esperienze elettroniche (marco438)
Telecomunicazioni musicali (clavicordo)
Automazione ed Elettronica (gustavo)
Direttive per la sicurezza (ErnestoCappelletti)
EYnfo dall'Alaska (mir)
Apriamo il quadro! (attilio)
H7-25 (asdf)
Passione Elettrica (massimob)
Elettroni a spasso (guidob)
Bloguerra (guerra)









