Salve vorrei chiedere un piccolo aiutino dato che sono un po insesperto in materia, vorrei utilizzare un sensore magnetico come quello che si applicano sulle porte che in fase di apertura porta mi faccia scattare un pulsante o interruttore
Come posso procedere?
Che tipo di pulsante o interruttore devo acquistare?
Come li collego?
Mi scuso per l'ignoranza spero possiate aiutarmi
Sensore magnetico per porte
7 messaggi
• Pagina 1 di 1
0
voti
TOTINAPOLI ha scritto:vorrei utilizzare un sensore magnetico come quello che si applicano sulle porte che in fase di apertura porta mi faccia scattare un pulsante o interruttore
il sensore magnetico utilizzato nei sistemi di allarme è un'interruttore che si utilizza in genere come sensore per inviare un segnale (condizione di apertura/chiusura porta ) nella centreale dei sistemi di allarme, pertanto supporta piccolissime intensità di correnti, che non lo rendono idoneo a comandare e/o pilotare carichi diversi per il quale è stato realizzato.
TOTINAPOLI ha scritto:...mi faccia scattare un pulsante o interruttore
non è assolutamente chiaro..un'interruttore che faccia scattare un'interruttore ?
TOTINAPOLI ha scritto:Come posso procedere?
ioprocederei nel chiarire meglio e dettagliatamente cosa si voglia realizzare in modo da fornire a chi volesse/potesse aiutarti ad avere informazioni su cui elaborare una possibile soluzione e/o risposta, sempre che questa tua richiesta non sia attinente a quest'altra già fatta e lasciando chi è intervenuto in attesa di risposta.......
0
voti
Scusate mi spiego meglio
Vorrei utilizzare questo sensore in modo tale che mi faccia scattare un qualcosa tipo interruttore in modo tale che al mio arrivo mi accorga dell ' intrusione da parte di terze persone notando il dispositivo staccato
Spero sia riuscito a fare del mio meglio
Grazie mille per la disponibilità
Vorrei utilizzare questo sensore in modo tale che mi faccia scattare un qualcosa tipo interruttore in modo tale che al mio arrivo mi accorga dell ' intrusione da parte di terze persone notando il dispositivo staccato
Spero sia riuscito a fare del mio meglio
Grazie mille per la disponibilità
-

TOTINAPOLI
0 2 - Messaggi: 5
- Iscritto il: 26 dic 2012, 13:38
0
voti
ci sono in commercio dei semplici sensori di allarme per porte molto economici e semplici da utilizzare/installare,sonorealizzati da un sensore magnetico ed un contatto da mettere uno sull aporta e l'altro sul telaio e/o montante, hanno un'interruttorino per l'attivazione ed ogni volta la porta viene apert emettono un forte squillo, direi che facciano al caso tuo...
0
voti
Io volevo evitare il rumore sonoro già avevo visto quelli in commercio .
Non vorrei che l'intruso " i miei familiari " non se accorgessero del sistema
Me berlusconi accorgerei solo io vedendo l'interruttore abbassato
Non vorrei che l'intruso " i miei familiari " non se accorgessero del sistema
Me berlusconi accorgerei solo io vedendo l'interruttore abbassato
-

TOTINAPOLI
0 2 - Messaggi: 5
- Iscritto il: 26 dic 2012, 13:38
1
voti
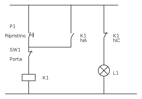
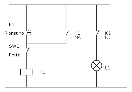
In linea di principio, uno schema con relè ad autoritenuta potrebbe fare al caso tuo.
Lo schema è il seguente:
Quando la porta è chiusa, con il pulsante di ripristino attivi il sistema ad autoritenuta. Il contatto K1-NA si chiude e tiene alimentato il relè anche quando avrai lasciato il pulsante P1. Il contatto K1-NC invece si apre, spegnendo la lampada L1. Quando viene aperta la porta, il contatto PORTA si apre facendo cadere l'autoritenuta: il contatto K1-NA si apre ed il contatto K1-NC si chiude, accendendo la lampada L1.
Ovviamente si tratta di uno schema di principio: i dimensionamento di tensioni, relè, portate contatti eccetera non sono indicati, proprio perché si tratta di un esempio.
Ciao.
Paolo.
Lo schema è il seguente:
Quando la porta è chiusa, con il pulsante di ripristino attivi il sistema ad autoritenuta. Il contatto K1-NA si chiude e tiene alimentato il relè anche quando avrai lasciato il pulsante P1. Il contatto K1-NC invece si apre, spegnendo la lampada L1. Quando viene aperta la porta, il contatto PORTA si apre facendo cadere l'autoritenuta: il contatto K1-NA si apre ed il contatto K1-NC si chiude, accendendo la lampada L1.
Ovviamente si tratta di uno schema di principio: i dimensionamento di tensioni, relè, portate contatti eccetera non sono indicati, proprio perché si tratta di un esempio.
Ciao.
Paolo.
"Houston, Tranquillity Base here. The Eagle has landed." - Neil A.Armstrong
-------------------------------------------------------------
PIC Experience - http://www.picexperience.it
-------------------------------------------------------------
PIC Experience - http://www.picexperience.it
-

Paolino
32,6k 8 12 13 - G.Master EY

- Messaggi: 4226
- Iscritto il: 20 gen 2006, 11:42
- Località: Vigevano (PV)
0
voti
TOTINAPOLI ha scritto:volevo evitare il rumore sonoro..
ok
TOTINAPOLI ha scritto:Non vorrei che l'intruso " i miei familiari " non se accorgessero del sistema
allora la soluzione può essere quella indicata nello schema di principio da
TOTINAPOLI ha scritto:solo io vedendo l'interruttore abbassato..
in ogni caso quello che sarà installato sulla porta sarà un contatto magnetico o al limite un pulsante, ma non un interruttore perché inadatto allo scopo ed anche se fosse possible questi cambierebbe condizione di stato quando la porta viene richiusa, pertanto l'indicazione di : porta aperta, potrà darla una semplice lampadina o led, secondo lo schema di principio suggerito da
7 messaggi
• Pagina 1 di 1
Chi c’è in linea
Visitano il forum: Nessuno e 0 ospiti

Elettrotecnica e non solo (admin)
Un gatto tra gli elettroni (IsidoroKZ)
Esperienza e simulazioni (g.schgor)
Moleskine di un idraulico (RenzoDF)
Il Blog di ElectroYou (webmaster)
Idee microcontrollate (TardoFreak)
PICcoli grandi PICMicro (Paolino)
Il blog elettrico di carloc (carloc)
DirtEYblooog (dirtydeeds)
Di tutto... un po' (jordan20)
AK47 (lillo)
Esperienze elettroniche (marco438)
Telecomunicazioni musicali (clavicordo)
Automazione ed Elettronica (gustavo)
Direttive per la sicurezza (ErnestoCappelletti)
EYnfo dall'Alaska (mir)
Apriamo il quadro! (attilio)
H7-25 (asdf)
Passione Elettrica (massimob)
Elettroni a spasso (guidob)
Bloguerra (guerra)
