Cos'è ElectroYou | Login Iscriviti

ElectroYou - la comunità dei professionisti del mondo elettrico

Spiegazione esercizi su Diodi

Elettronica lineare e digitale: didattica ed applicazioni

Moderatori: Foto Utentecarloc, Foto Utenteg.schgor, Foto UtenteBrunoValente, Foto UtenteIsidoroKZ

0
voti

[1] Spiegazione esercizi su Diodi

Messaggioda Foto Utentevenom02 » 7 gen 2013, 18:24

Salve a tutti, qualcuno può spiegarmi quale interpretazione devo dare al circuito (specialmente per quello che riguarda i tensioni) in questo esercizio? (Queste sono dispense del professore, gran bella spiegazione ?% )

vc.gif
vc.gif (53.57 KiB) Osservato 10202 volte


Il mio problema principale è che non riesco a capire a priori come devo considerare il tensione di componente in componente. dopo 3 capitoli di esercizi in cui vi sono maglie chiuse e generatori a due terminali mi ritrovo spaesato. ho provato a simulare il circuito usando questo sito ma non mi aiuta molto per via di interpretazione teorica
Ultima modifica di Foto UtenteRenzoDF il 7 gen 2013, 20:00, modificato 1 volta in totale.
Motivazione: Allegare e usare il pulsante "Inserisci in linea con il testo", grazie.
Avatar utente
Foto Utentevenom02
1 2
 
Messaggi: 8
Iscritto il: 28 dic 2011, 13:24

0
voti

[2] Re: Spiegazione esercizi su Diodi

Messaggioda Foto Utenteg.schgor » 7 gen 2013, 19:09

Che c'è da capire? Le soluzioni ipotizzano gli stati dei diodi
e poi li verificano . Che altra spiegazione vorresti?
Avatar utente
Foto Utenteg.schgor
57,8k 9 12 13
G.Master EY
G.Master EY
 
Messaggi: 16971
Iscritto il: 25 ott 2005, 9:58
Località: MILANO

-1
voti

[3] Re: Spiegazione esercizi su Diodi

Messaggioda Foto Utentevenom02 » 7 gen 2013, 19:38

Fosse così facile capire il metodo risolutivo dalle soluzione non sarei venuto a chiedere aiuto, no?

esercizio A: non capisco i risultati. in genere si esegue il principio dei nodi e delle maglie per risolvere i dati mancanti. in questo caso per quale motivo la tensione V viene data a 10V? devo considerare il resistore a fianco in parallelo o come un partitore di tensione? inoltre, per quale motivo id1 viene ricavata dividendo per una resistenza da 15k? la tensione Vd2 viene ricavata con 10-5V, da dove vengono questi risultati?
grazie
Avatar utente
Foto Utentevenom02
1 2
 
Messaggi: 8
Iscritto il: 28 dic 2011, 13:24

3
voti

[4] Re: Spiegazione esercizi su Diodi

Messaggioda Foto UtenteRenzoDF » 7 gen 2013, 19:43

Se il tuo stupore risiede nel fatto che "le ipotesi" fatte siano state tutte confermate, la spiegazione la puoi trovare nel fatto che quelle sono "ipotesi virtuali" ;-) , ovvero chi le ha fatte ha "barato" (in senso buono ovviamente), ovvero per questi tre circuiti, le ha ricavate dalla considerazione generale che un diodo collegato anodicamente al potenziale più alto presente nella rete sarà (generalmente) conduttivo così come lo sarà un diodo collegato catodicamente al potenziale più basso della rete; in particolare:

in b) sarà conduttivo D1 e di conseguenza interdetto D2 ...
in c) sarà conduttivo D1 e anche D2 ...
in a) il nodo sul quale insistono entrambi i catodi non potrà avere potenziale maggiore di 15V e di conseguenza D1 sarà conduttivo, mantre D2, visti i due diversi rapporti di partizione, sarà (di conseguenza) interdetto.
"Il circuito ha sempre ragione" (Luigi Malesani)
Avatar utente
Foto UtenteRenzoDF
55,9k 8 12 13
G.Master EY
G.Master EY
 
Messaggi: 13189
Iscritto il: 4 ott 2008, 9:55

1
voti

[5] Re: Spiegazione esercizi su Diodi

Messaggioda Foto Utenteelektorplus » 7 gen 2013, 19:55

venom02 ha scritto:Fosse così facile capire il metodo risolutivo dalle soluzione non sarei venuto a chiedere aiuto, no?

esercizio A: non capisco i risultati. in genere si esegue il principio dei nodi e delle maglie per risolvere i dati mancanti. in questo caso per quale motivo la tensione V viene data a 10V? devo considerare il resistore a fianco in parallelo o come un partitore di tensione? inoltre, per quale motivo id1 viene ricavata dividendo per una resistenza da 15k? la tensione Vd2 viene ricavata con 10-5V, da dove vengono questi risultati?
grazie


Date le premesse scritte dall'utente che mi ha preceduto:
- se D1 on e D2 off, allora abbiamo:



Quindi, i punti A e B si ricavano con il partitore resistivo.

A questo punto devi verificare le condizioni per cui i diodi siano in on e off. Per tanto, la corrente che circola nel diodo D1 deve essere maggiore di 0 (tensione di alimentazione / resistenze in serie).
Nel secondo caso, in quanto circuito aperto, il catodo deve trovarsi ad un potenziale maggiore rispetto all'anodo. Quindi, V nel punto B meno V nel punto A ottieni una tensione negativa, questo significa che il diodo non è in grado di condurre (potenziale di A > potenziale di B)
Avatar utente
Foto Utenteelektorplus
15 3
 
Messaggi: 17
Iscritto il: 25 feb 2012, 15:19

0
voti

[6] Re: Spiegazione esercizi su Diodi

Messaggioda Foto Utenteelektorplus » 7 gen 2013, 19:56

Prova a considerare, nello stesso esericizio una condizione per i diodi diversa, in questo modo capisci meglio.
Avatar utente
Foto Utenteelektorplus
15 3
 
Messaggi: 17
Iscritto il: 25 feb 2012, 15:19

0
voti

[7] Re: Spiegazione esercizi su Diodi

Messaggioda Foto Utentevenom02 » 7 gen 2013, 20:05

queste si che sono risposte costruttive, grazie mille =D>

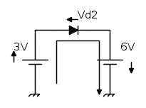
seconda domanda: nell'esercizio B la tensione Vd2 viene ricavata come 3V-6V . Non ho ben chiaro con quale criterio devo considerare i segni delle tensioni dei due generatori al diodo D2
Avatar utente
Foto Utentevenom02
1 2
 
Messaggi: 8
Iscritto il: 28 dic 2011, 13:24

0
voti

[8] Re: Spiegazione esercizi su Diodi

Messaggioda Foto Utenteelektorplus » 7 gen 2013, 20:57

venom02 ha scritto:queste si che sono risposte costruttive, grazie mille =D>

seconda domanda: nell'esercizio B la tensione Vd2 viene ricavata come 3V-6V . Non ho ben chiaro con quale criterio devo considerare i segni delle tensioni dei due generatori al diodo D2


Sui catodi dei diodi hai una tensione di circa 6V (dico circa perché bisognerebbe considerare la caduta sul diodo, idealmente è trascurabile).
Sull'anodo di D2 hai 3V.
Quindi, prendendo il verso della caduta di tensione ai capi di tale diodo in modo convenzionale, hai la "fraccia" rivolta verso l'anodo. Per tanto il potenziale che devo considerare per primo è 3V e per secondo 6V. Quest'ultimo con il segno meno.

3V - 6V = -3V.
Avatar utente
Foto Utenteelektorplus
15 3
 
Messaggi: 17
Iscritto il: 25 feb 2012, 15:19

1
voti

[9] Re: Spiegazione esercizi su Diodi

Messaggioda Foto Utenteelektorplus » 7 gen 2013, 21:07



Applicando KIRCHHOFF alla maglia ti dovrebbe essere più chiaro (con le batterie rappresento i le differenze di potenziale).

3V - Vd2 -6V = 0

Quindi:

Vd2= 3V - 6V = -3V
Avatar utente
Foto Utenteelektorplus
15 3
 
Messaggi: 17
Iscritto il: 25 feb 2012, 15:19


Torna a Elettronica generale

Chi c’è in linea

Visitano il forum: Nessuno e 55 ospiti