Risoluzione circuito con semplificazioni
Moderatori:
g.schgor,
IsidoroKZ
20 messaggi
• Pagina 2 di 2 • 1, 2
0
voti
Sì, la tensione che ti serve è quella ai capi di R3 
Emanuele Lorina
- Chi lotta contro i mostri deve fare attenzione a non diventare lui stesso un mostro. E se tu riguarderai a lungo in un abisso, anche l'abisso vorrà guardare dentro di te (F. Nietzsche)
- Tavole della legge by admin
- Chi lotta contro i mostri deve fare attenzione a non diventare lui stesso un mostro. E se tu riguarderai a lungo in un abisso, anche l'abisso vorrà guardare dentro di te (F. Nietzsche)
- Tavole della legge by admin
-

Lele_u_biddrazzu
8.154 3 8 13 - Master EY

- Messaggi: 1288
- Iscritto il: 23 gen 2007, 16:13
- Località: Modena
0
voti
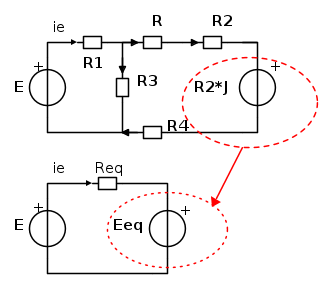
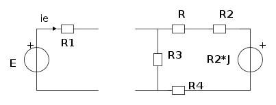
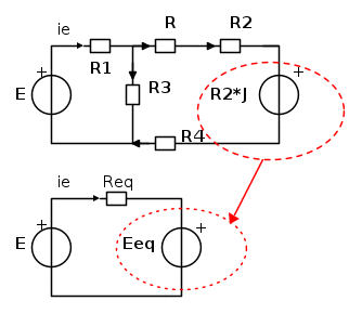
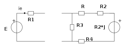
Ma non sono solo i resistori R, R2 e R4 a stare in serie? perché anche R3? La corrente che da R1 va in R e R3 non è diversa ?!? E poi nel passaggio in rosso perché hai fatto così? Io nell'ultimo circuito avrei messo non Eeq ma R2*J @_@
0
voti
Studia il teorema di Thèvenin e poi ne riparliamo 
Emanuele Lorina
- Chi lotta contro i mostri deve fare attenzione a non diventare lui stesso un mostro. E se tu riguarderai a lungo in un abisso, anche l'abisso vorrà guardare dentro di te (F. Nietzsche)
- Tavole della legge by admin
- Chi lotta contro i mostri deve fare attenzione a non diventare lui stesso un mostro. E se tu riguarderai a lungo in un abisso, anche l'abisso vorrà guardare dentro di te (F. Nietzsche)
- Tavole della legge by admin
-

Lele_u_biddrazzu
8.154 3 8 13 - Master EY

- Messaggi: 1288
- Iscritto il: 23 gen 2007, 16:13
- Località: Modena
0
voti
Ed è proprio qui il bello. Questo esercizio mi viene proposto prima che si parli di thèvenin. Prima di arrivare a questo esercizio, il libro mi ha parlato solo di resistenze in serie e relativo partitore di tensione, resistenze in parallelo e relativo partitore di corrente e risoluzione del circuito tramite semplificazione di componenti serie-parallelo :V Perciò mi sono un po' persa 
0
voti
Come è possibile
Nel tuo procedimento hai usato Thèvenin per passare dai generatori reali di corrente a quelli corrispondenti di tensione o sbaglio?
BTW studia quel teorema oppure segui uno dei procedimenti suggeriti da
RenzoDF 
Emanuele Lorina
- Chi lotta contro i mostri deve fare attenzione a non diventare lui stesso un mostro. E se tu riguarderai a lungo in un abisso, anche l'abisso vorrà guardare dentro di te (F. Nietzsche)
- Tavole della legge by admin
- Chi lotta contro i mostri deve fare attenzione a non diventare lui stesso un mostro. E se tu riguarderai a lungo in un abisso, anche l'abisso vorrà guardare dentro di te (F. Nietzsche)
- Tavole della legge by admin
-

Lele_u_biddrazzu
8.154 3 8 13 - Master EY

- Messaggi: 1288
- Iscritto il: 23 gen 2007, 16:13
- Località: Modena
0
voti
Beh si in realtà proprio prima ho scoperto, studiando Thèvenin, che lo usavo (prima di tale teorema ha accennato solo a come passare da un GRC a un GRT e viceversa). Comunque ritornando all'esercizio, riguardo a questa domanda "Ma non sono solo i resistori R, R2 e R4 a stare in serie? perché anche R3? La corrente che da R1 va in R e R3 non è diversa ?!? ", sbaglio a pensarla così?
0
voti
Devi considerare scollegato il ramo E1 in serie ad R1, perché nel procedimento di semplificazione stai applicando il principio del generatore equivalente ( di Thevenin )
Così
Così
0
voti
Grazie a tutti adesso mi è tutto più chiaro!!! Ora per calcolare le altre correnti mi basta fare:

Poi applico il partitore di corrente a
e alle restanti correnti


ed infine per calcolare la tensione del generatore di corrente J mi basterà fare:

giusto?

Poi applico il partitore di corrente a
e alle restanti correnti

ed infine per calcolare la tensione del generatore di corrente J mi basterà fare:

giusto?
0
voti
Vi ringrazio tanto a tutti ragazzi mi siete stati davvero d'aiuto!

20 messaggi
• Pagina 2 di 2 • 1, 2
Torna a Elettrotecnica generale
Chi c’è in linea
Visitano il forum: Nessuno e 20 ospiti

Elettrotecnica e non solo (admin)
Un gatto tra gli elettroni (IsidoroKZ)
Esperienza e simulazioni (g.schgor)
Moleskine di un idraulico (RenzoDF)
Il Blog di ElectroYou (webmaster)
Idee microcontrollate (TardoFreak)
PICcoli grandi PICMicro (Paolino)
Il blog elettrico di carloc (carloc)
DirtEYblooog (dirtydeeds)
Di tutto... un po' (jordan20)
AK47 (lillo)
Esperienze elettroniche (marco438)
Telecomunicazioni musicali (clavicordo)
Automazione ed Elettronica (gustavo)
Direttive per la sicurezza (ErnestoCappelletti)
EYnfo dall'Alaska (mir)
Apriamo il quadro! (attilio)
H7-25 (asdf)
Passione Elettrica (massimob)
Elettroni a spasso (guidob)
Bloguerra (guerra)





