da
Spartacus » 7 gen 2013, 19:27
Salve a Tutti!
Ragazzi, Ci siamo!!!

Ho trovato la soluzione, verificato e provato.
La soluzione del mio problema iniziale è:
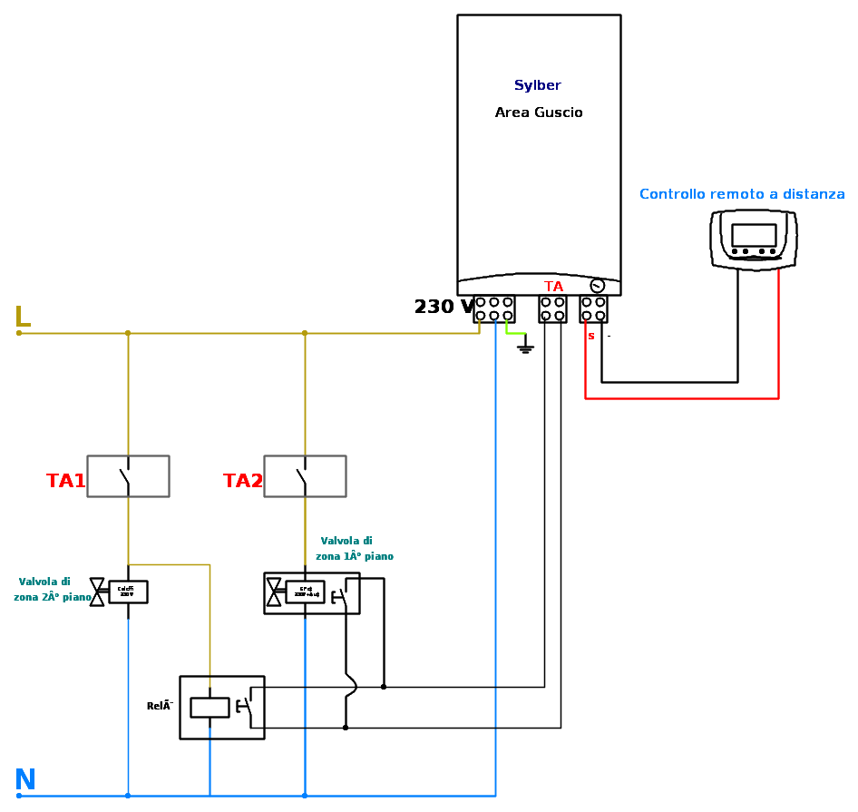
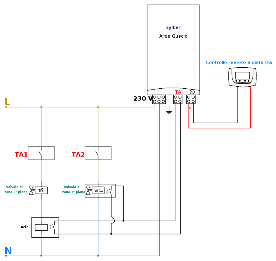
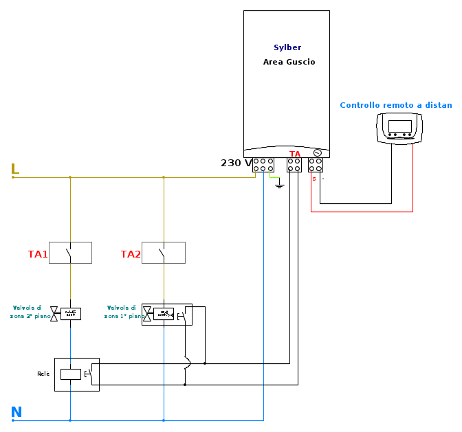
Acquistare un altro semplicissimo cronotermostato e fare la serie con la valvola gpex.
Il controllo remoto della caldaia, non è altro che il pannello che regola la temperatura dell'acqua nei due circuiti (Sanitario e di riscaldamento), svolge la funzione di separatore, scambiatore, sonda interna etc.... in questo caso, siccome può svolgere la funzione di cronotermostato, mi ha ingannato. Ma ho scoperto sbattendoci la testa che , se si vuole dividere l'impianto o aggiungere delle zone separate, bisogna isolare il controllo remoto e non usarlo più come cronotermostato, a meno che non si acquisti una costosa scheda di espansione per la caldaia, per farsì che si possano inserire delle valvole di zona.
Vi mostro e metto a disposizione di tutti lo schema che ho realizzato:
Spero che sarà utile a qualcuno!!
Buon lavoro a tutti!!!
