Amplificatore Op Invertente
Moderatori:
g.schgor,
IsidoroKZ
18 messaggi
• Pagina 2 di 2 • 1, 2
0
voti
Beh diciamo che in realtà per la definizione di maglia "un percorso chiuso costituito dalla concatenazione di più rami" (wikipedia) sarà questo che mi spiazza...
1
voti
Se ti può essere utile puoi considerare il circuito come segue:
Questo considerando la resistenza di ingresso dell' opamp infinita.
Quindi ottieni le seguenti:
1° MAGLIA ( ingresso ):

2° MAGLIA ( uscita ):

Come già detto in precedenza.
Inoltre se si considera, come già detto, il guadagno dell' opamp infinito si ha:

Il tutto diventa:
Questo considerando la resistenza di ingresso dell' opamp infinita.
Quindi ottieni le seguenti:
1° MAGLIA ( ingresso ):

2° MAGLIA ( uscita ):

Come già detto in precedenza.
Inoltre se si considera, come già detto, il guadagno dell' opamp infinito si ha:

Il tutto diventa:
3
voti
Così le vedi le due maglie ?
Poi il cortocircuito all'ingresso per essere strano lo è no? Tensione uguale a zero ma non ci passa corrente
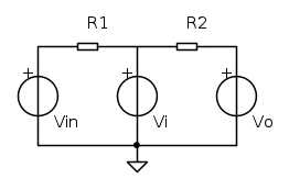
Secondo me la maniera più semplice di vedere la cosa è : Un generatore controllato Vo di valore tale che Vi sia zero. come qui sotto a sinistra...
cioè si risolve il circuito imponendo le due condizioni Ii=0 e Vi=0 per ricavare Vo che le rispetta.
Che poi è come dire si risolve quello di destra con la condizione Ii=0 cioè I1=I2.
Edit: vedo ora che
mrc mi ha preceduto, ma ormai l'ho scritto
e magari un altro punto di vista aiuta
hanck89.
Comunque se il guadagno tende ad infinito non è necessario che la resistenza di ingresso sia infinita pure lei... basta sia non sia nulla.
se
allora
per ogni 
Poi il cortocircuito all'ingresso per essere strano lo è no? Tensione uguale a zero ma non ci passa corrente
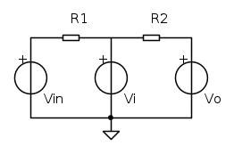
Secondo me la maniera più semplice di vedere la cosa è : Un generatore controllato Vo di valore tale che Vi sia zero. come qui sotto a sinistra...
cioè si risolve il circuito imponendo le due condizioni Ii=0 e Vi=0 per ricavare Vo che le rispetta.
Che poi è come dire si risolve quello di destra con la condizione Ii=0 cioè I1=I2.
Edit: vedo ora che
Comunque se il guadagno tende ad infinito non è necessario che la resistenza di ingresso sia infinita pure lei... basta sia non sia nulla.
se
allora
per ogni 
Se ti serve il valore di beta: hai sbagliato il progetto!
0
voti
Finalmente mi è tutto chiaro
Questo forum è una benedizione...Grazie mille
Questo forum è una benedizione...Grazie mille

0
voti
Ti posso dire come la vedo io :
Fai prima il percorso senza considerare la retroazione.
Hai che la tensione (differenziale) d'ingresso è data da
. Questa tensione viene amplificata di A, dove A è il guadagno dell'opamp (dell'ordine dei milioni, al limite infinito).
Quindi, in uscita hai una tensione grandissima data da
Applicando la retroazione stai andando in pratica a riportare , tramite la R2, questa tensione che hai in uscita (grandissima abbiamo detto).
Questa, essendo di segno opposto a Vin, si va ad opporre ad essa, di fatto annullando la tensione sul morsetto invertente.
È per questo che consideriamo il morsetto invertente come se fosse a massa, e da qui tutti i termini che ben sai di 'massa virtuale' eccetera eccetera.
A questo punto, la tensione in uscita assumerà proprio quel valore che permette di annullare la tensione
, che, facendo i conti, risulta essere proprio il noto valore 
Fai prima il percorso senza considerare la retroazione.
Hai che la tensione (differenziale) d'ingresso è data da
. Questa tensione viene amplificata di A, dove A è il guadagno dell'opamp (dell'ordine dei milioni, al limite infinito).Quindi, in uscita hai una tensione grandissima data da

Applicando la retroazione stai andando in pratica a riportare , tramite la R2, questa tensione che hai in uscita (grandissima abbiamo detto).
Questa, essendo di segno opposto a Vin, si va ad opporre ad essa, di fatto annullando la tensione sul morsetto invertente.
È per questo che consideriamo il morsetto invertente come se fosse a massa, e da qui tutti i termini che ben sai di 'massa virtuale' eccetera eccetera.
A questo punto, la tensione in uscita assumerà proprio quel valore che permette di annullare la tensione
, che, facendo i conti, risulta essere proprio il noto valore 
Visita il mio sito : http://www.raffotech.altervista.org
0
voti
carloc ha scritto:Comunque se il guadagno tende ad infinito non è necessario che la resistenza di ingresso sia infinita pure lei... basta sia non sia nulla.
seallora
per ogni
Sono pienamente d' accordo con te
Io avevo detto:
mrc ha scritto:Questo considerando la resistenza di ingresso dell' opamp infinita.
Solamente per "giustificare" la semplificazione del circuito togliendo l' opamp.
2
voti
Sì sì
ma appunto non serve quell'ipotesi per fare quella semplificazione
su questo circuito puoi scrivere le stesse equazioni che avevi scritto
e poi fare esattamente le stesse considerazioni sul guadagno e Vi
e poi semplicemente aggiungere "dato che Vi=0 allora anche I(Ri)=0" e proseguire come prima.
ma appunto non serve quell'ipotesi per fare quella semplificazione
su questo circuito puoi scrivere le stesse equazioni che avevi scritto
mrc ha scritto:
1° MAGLIA ( ingresso ):
2° MAGLIA ( uscita ):
e poi fare esattamente le stesse considerazioni sul guadagno e Vi
mrc ha scritto:Inoltre se si considera, come già detto, il guadagno dell' opamp infinito si ha:
e poi semplicemente aggiungere "dato che Vi=0 allora anche I(Ri)=0" e proseguire come prima.
Se ti serve il valore di beta: hai sbagliato il progetto!
18 messaggi
• Pagina 2 di 2 • 1, 2
Torna a Elettrotecnica generale
Chi c’è in linea
Visitano il forum: Nessuno e 68 ospiti

Elettrotecnica e non solo (admin)
Un gatto tra gli elettroni (IsidoroKZ)
Esperienza e simulazioni (g.schgor)
Moleskine di un idraulico (RenzoDF)
Il Blog di ElectroYou (webmaster)
Idee microcontrollate (TardoFreak)
PICcoli grandi PICMicro (Paolino)
Il blog elettrico di carloc (carloc)
DirtEYblooog (dirtydeeds)
Di tutto... un po' (jordan20)
AK47 (lillo)
Esperienze elettroniche (marco438)
Telecomunicazioni musicali (clavicordo)
Automazione ed Elettronica (gustavo)
Direttive per la sicurezza (ErnestoCappelletti)
EYnfo dall'Alaska (mir)
Apriamo il quadro! (attilio)
H7-25 (asdf)
Passione Elettrica (massimob)
Elettroni a spasso (guidob)
Bloguerra (guerra)









