Buonasera a tutti,da poco a scuola abbiamo studiato il teoremo di Thevenin e lo abbiamo applicato su un semplice circuito con un generatore di tensione e qualche resistenza,dovevamo trovare la corrente in un ramo e succesivamente verificare in laboratorio che in quel ramo sia nel circuito di thevenin sia nel circuito d'origine la corrente non variava,tutto bello e apposto,e ho anche capito.
POI,TRAGEDIA!
Oggi il proff ci ha fatto fare un esercitaizone con thevenin,e boom! due generatori di tensione,panico! panico!
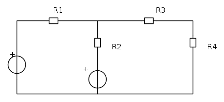
Sono entrato in panico,il circuito è questo:
i dati sono questi:
V1=V2=5V
R1=R4= 4kohm
R3=2kohm
R2=100ohm -> 0,1 kohm
Il compito era di trovare la tensione ai capi di R4.
Ho alcuni dubbi,come si comporta il circuito con i due generatori?
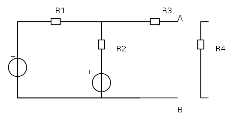
Ho cercato di fare in ordine,per prima cosa,stacchiamo il ramo di R4,otteniamo questo:
Iniziamo il lavoro,per calcolare la Req del circuito di thevenin basta "cortocircuitare" (teoricamente) i generatori e usare un ohmetro,bene,teoricamente mi faccio il parallelo tra R1 e R2 ottenendo una Reqparallelo e poi mi faccio l'equivalente tra la Reqparallelo e R3 ottenendomi la mia Req di thevenin che dovrebbe essere 2.1kohm.
Perfetto,quello che adesso mi complica la vita e la tensione equivalente,per trovare la tensione equivalente dobbiamo trovare la tensione su Vab,la prima cosa che mi fa notare il proff (spero sia giusta) e che ai capi di R3 non c'è una tensione,perché il resistore è sul punto A aperto,quindi niente corrente,quindi in realtà dobbiamo calcolare la tensione tra i morsetti di R2? come faccio con il generatore V2?
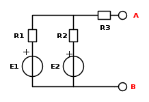
Circuito di Thevenin
Moderatori:
carloc,
g.schgor,
BrunoValente,
IsidoroKZ
37 messaggi
• Pagina 1 di 4 • 1, 2, 3, 4
3
voti
Per la tensione equivalente di Thèvenin Vab puoi procedere in questo modo...


Emanuele Lorina
- Chi lotta contro i mostri deve fare attenzione a non diventare lui stesso un mostro. E se tu riguarderai a lungo in un abisso, anche l'abisso vorrà guardare dentro di te (F. Nietzsche)
- Tavole della legge by admin
- Chi lotta contro i mostri deve fare attenzione a non diventare lui stesso un mostro. E se tu riguarderai a lungo in un abisso, anche l'abisso vorrà guardare dentro di te (F. Nietzsche)
- Tavole della legge by admin
-

Lele_u_biddrazzu
8.154 3 8 13 - Master EY

- Messaggi: 1288
- Iscritto il: 23 gen 2007, 16:13
- Località: Modena
0
voti
jordan20 ha scritto:O con un rapido Millman
Non conosco Millman D:
Lele_u_biddrazzu ha scritto:
Grazie della formula,potresti aiutarmi a capire come si ci arriva? [le mie conoscenze fino ad ora sono,le leggi di
un'altra domanda che mi pongo è:
Nel ciurcuito con i due generatori come viene distribuita la corrente? che direzione ha?
-

razielmitico
-10 5 - Frequentatore

- Messaggi: 153
- Iscritto il: 23 ott 2012, 22:59
3
voti
Attivi un generatore per volta, l'altro lo metti a 0V, e calcoli la tensione equivalente dovuta solo al primo generatore, poi la tensione equivalente dovuta solo al secondo generatore e infine la tensione equivalente "vera" e` quella data dalla somma delle due tensioni trovate prima.
Calcoli V1 e V2 e la tensione equivalente che stai cercando vale
Questo metodo si chiama sovrapposizione degli effetti
Se fai i conti letterali e un po' di barbatrucchi mettendo in evidenza cose varie, ottieni la formula che ti e` stata data.
Calcoli V1 e V2 e la tensione equivalente che stai cercando vale

Questo metodo si chiama sovrapposizione degli effetti
Se fai i conti letterali e un po' di barbatrucchi mettendo in evidenza cose varie, ottieni la formula che ti e` stata data.
Per usare proficuamente un simulatore, bisogna sapere molta più elettronica di lui
Plug it in - it works better!
Il 555 sta all'elettronica come Arduino all'informatica! (entrambi loro malgrado)
Se volete risposte rispondete a tutte le mie domande
Plug it in - it works better!
Il 555 sta all'elettronica come Arduino all'informatica! (entrambi loro malgrado)
Se volete risposte rispondete a tutte le mie domande
0
voti
razielmitico ha scritto:...le mie conoscenze fino ad ora sono,le leggi di kirchoof e i partitori...
Vorrei farti notare che la LKT e il partitore di tensione sono stati gli "strumenti" di cui mi sono servito per ottenere la formula di cui sopra
Emanuele Lorina
- Chi lotta contro i mostri deve fare attenzione a non diventare lui stesso un mostro. E se tu riguarderai a lungo in un abisso, anche l'abisso vorrà guardare dentro di te (F. Nietzsche)
- Tavole della legge by admin
- Chi lotta contro i mostri deve fare attenzione a non diventare lui stesso un mostro. E se tu riguarderai a lungo in un abisso, anche l'abisso vorrà guardare dentro di te (F. Nietzsche)
- Tavole della legge by admin
-

Lele_u_biddrazzu
8.154 3 8 13 - Master EY

- Messaggi: 1288
- Iscritto il: 23 gen 2007, 16:13
- Località: Modena
0
voti
Ok grazie,kirchhoff!,adesso provo a sviluppare io la formula e la metto qui,so che si doveva usare kirchhoff e il partitore ma non sapevo come comportarmi con i due generatori.
un'altra domanda,nel ramo di R1 il generatore funziona? ovvero ha effetti su quella resistenza?
un'altra domanda,nel ramo di R1 il generatore funziona? ovvero ha effetti su quella resistenza?
-

razielmitico
-10 5 - Frequentatore

- Messaggi: 153
- Iscritto il: 23 ott 2012, 22:59
0
voti
razielmitico ha scritto:...un'altra domanda,nel ramo di R1 il generatore funziona? ovvero ha effetti su quella resistenza?
Non capisco la domanda, tuttavia ti invito ad applicare la LKT e il partitore di tensione per ricavare la formula scritta qualche post fa
Emanuele Lorina
- Chi lotta contro i mostri deve fare attenzione a non diventare lui stesso un mostro. E se tu riguarderai a lungo in un abisso, anche l'abisso vorrà guardare dentro di te (F. Nietzsche)
- Tavole della legge by admin
- Chi lotta contro i mostri deve fare attenzione a non diventare lui stesso un mostro. E se tu riguarderai a lungo in un abisso, anche l'abisso vorrà guardare dentro di te (F. Nietzsche)
- Tavole della legge by admin
-

Lele_u_biddrazzu
8.154 3 8 13 - Master EY

- Messaggi: 1288
- Iscritto il: 23 gen 2007, 16:13
- Località: Modena
0
voti
allora la

fino a qua ci sono arrivato raccogliendo
ottengo:

Se non sbaglio,e non dovrei,kirchhoff dice:

idem per
ma adesso non so come continuare XD,che dovrei fare?

fino a qua ci sono arrivato raccogliendo

ottengo:

Se non sbaglio,e non dovrei,kirchhoff dice:

idem per

ma adesso non so come continuare XD,che dovrei fare?
-

razielmitico
-10 5 - Frequentatore

- Messaggi: 153
- Iscritto il: 23 ott 2012, 22:59
1
voti
Nella prima formula uno dei due partitori e` sbagliato. Controlla i numeratori.
Per usare proficuamente un simulatore, bisogna sapere molta più elettronica di lui
Plug it in - it works better!
Il 555 sta all'elettronica come Arduino all'informatica! (entrambi loro malgrado)
Se volete risposte rispondete a tutte le mie domande
Plug it in - it works better!
Il 555 sta all'elettronica come Arduino all'informatica! (entrambi loro malgrado)
Se volete risposte rispondete a tutte le mie domande
37 messaggi
• Pagina 1 di 4 • 1, 2, 3, 4
Chi c’è in linea
Visitano il forum: Nessuno e 44 ospiti

Elettrotecnica e non solo (admin)
Un gatto tra gli elettroni (IsidoroKZ)
Esperienza e simulazioni (g.schgor)
Moleskine di un idraulico (RenzoDF)
Il Blog di ElectroYou (webmaster)
Idee microcontrollate (TardoFreak)
PICcoli grandi PICMicro (Paolino)
Il blog elettrico di carloc (carloc)
DirtEYblooog (dirtydeeds)
Di tutto... un po' (jordan20)
AK47 (lillo)
Esperienze elettroniche (marco438)
Telecomunicazioni musicali (clavicordo)
Automazione ed Elettronica (gustavo)
Direttive per la sicurezza (ErnestoCappelletti)
EYnfo dall'Alaska (mir)
Apriamo il quadro! (attilio)
H7-25 (asdf)
Passione Elettrica (massimob)
Elettroni a spasso (guidob)
Bloguerra (guerra)





