Circuito di Thevenin
Moderatori:
carloc,
g.schgor,
BrunoValente,
IsidoroKZ
37 messaggi
• Pagina 3 di 4 • 1, 2, 3, 4
0
voti
Non capisco perché è sbagliato il numeratore,perché la tensione su R1 è Vab? (avevo gia detto che nel messaggio 5 il "+" del secondo generatore è sotto non sopra) il verso è da V2 a R1 e poi su R2,perché la tensione VR1 è uguale a Vab?
Ultima modifica di
Lele_u_biddrazzu il 14 gen 2013, 15:27, modificato 1 volta in totale.
Motivazione: Eliminata citazione integrale del post precedente. Usa il tasto "Rispondi" ;)
Motivazione: Eliminata citazione integrale del post precedente. Usa il tasto "Rispondi" ;)
-

razielmitico
-10 5 - Frequentatore

- Messaggi: 153
- Iscritto il: 23 ott 2012, 22:59
1
voti
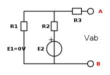
Quando c'e` solo E2 ed E1 sta generando 0V, cioe` e` un cortocircuito, lo schema e` il seguente
In questo schema Vab e` uguale a VR1 o a VR2? Dove con VR intendo la tensione ai capi delle resistenze.
In questo schema Vab e` uguale a VR1 o a VR2? Dove con VR intendo la tensione ai capi delle resistenze.
Per usare proficuamente un simulatore, bisogna sapere molta più elettronica di lui
Plug it in - it works better!
Il 555 sta all'elettronica come Arduino all'informatica! (entrambi loro malgrado)
Se volete risposte rispondete a tutte le mie domande
Plug it in - it works better!
Il 555 sta all'elettronica come Arduino all'informatica! (entrambi loro malgrado)
Se volete risposte rispondete a tutte le mie domande
0
voti
No, sbagliato
Vab = VR1 dato che E1 è stata posta momentaneamente pari a 0 V 
Emanuele Lorina
- Chi lotta contro i mostri deve fare attenzione a non diventare lui stesso un mostro. E se tu riguarderai a lungo in un abisso, anche l'abisso vorrà guardare dentro di te (F. Nietzsche)
- Tavole della legge by admin
- Chi lotta contro i mostri deve fare attenzione a non diventare lui stesso un mostro. E se tu riguarderai a lungo in un abisso, anche l'abisso vorrà guardare dentro di te (F. Nietzsche)
- Tavole della legge by admin
-

Lele_u_biddrazzu
8.154 3 8 13 - Master EY

- Messaggi: 1288
- Iscritto il: 23 gen 2007, 16:13
- Località: Modena
0
voti
Lele_u_biddrazzu ha scritto:No, sbagliatoVab = VR1 dato che E1 è stata posta momentaneamente pari a 0 V
Si ma non c'è E2?
-

razielmitico
-10 5 - Frequentatore

- Messaggi: 153
- Iscritto il: 23 ott 2012, 22:59
0
voti
Scusa
razielmitico, hai provato a rivedere le leggi di Kirchhoff
A me pare che tu non l'abbia fatto
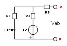
Prova ad applicare la LKT al percorso chiuso tratteggiato nella figura sottostante...
Cosa otterresti
Prova ad applicare la LKT al percorso chiuso tratteggiato nella figura sottostante...
Cosa otterresti
Emanuele Lorina
- Chi lotta contro i mostri deve fare attenzione a non diventare lui stesso un mostro. E se tu riguarderai a lungo in un abisso, anche l'abisso vorrà guardare dentro di te (F. Nietzsche)
- Tavole della legge by admin
- Chi lotta contro i mostri deve fare attenzione a non diventare lui stesso un mostro. E se tu riguarderai a lungo in un abisso, anche l'abisso vorrà guardare dentro di te (F. Nietzsche)
- Tavole della legge by admin
-

Lele_u_biddrazzu
8.154 3 8 13 - Master EY

- Messaggi: 1288
- Iscritto il: 23 gen 2007, 16:13
- Località: Modena
0
voti
che:

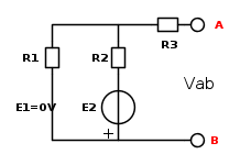
comunque il circuito orginale era:
il mettere il "+" sotto non dovrebbe cambiare un bel po' di cose? (tipo il verso di percorrenza...)

comunque il circuito orginale era:
il mettere il "+" sotto non dovrebbe cambiare un bel po' di cose? (tipo il verso di percorrenza...)
-

razielmitico
-10 5 - Frequentatore

- Messaggi: 153
- Iscritto il: 23 ott 2012, 22:59
0
voti
Basta cambiare segno al valore di E2 e nient'altro.
Per usare proficuamente un simulatore, bisogna sapere molta più elettronica di lui
Plug it in - it works better!
Il 555 sta all'elettronica come Arduino all'informatica! (entrambi loro malgrado)
Se volete risposte rispondete a tutte le mie domande
Plug it in - it works better!
Il 555 sta all'elettronica come Arduino all'informatica! (entrambi loro malgrado)
Se volete risposte rispondete a tutte le mie domande
2
voti
"Il circuito ha sempre ragione" (Luigi Malesani)
0
voti
A questo punto il dubbio sta venendo pure a me 
Emanuele Lorina
- Chi lotta contro i mostri deve fare attenzione a non diventare lui stesso un mostro. E se tu riguarderai a lungo in un abisso, anche l'abisso vorrà guardare dentro di te (F. Nietzsche)
- Tavole della legge by admin
- Chi lotta contro i mostri deve fare attenzione a non diventare lui stesso un mostro. E se tu riguarderai a lungo in un abisso, anche l'abisso vorrà guardare dentro di te (F. Nietzsche)
- Tavole della legge by admin
-

Lele_u_biddrazzu
8.154 3 8 13 - Master EY

- Messaggi: 1288
- Iscritto il: 23 gen 2007, 16:13
- Località: Modena
37 messaggi
• Pagina 3 di 4 • 1, 2, 3, 4
Chi c’è in linea
Visitano il forum: Nessuno e 119 ospiti

Elettrotecnica e non solo (admin)
Un gatto tra gli elettroni (IsidoroKZ)
Esperienza e simulazioni (g.schgor)
Moleskine di un idraulico (RenzoDF)
Il Blog di ElectroYou (webmaster)
Idee microcontrollate (TardoFreak)
PICcoli grandi PICMicro (Paolino)
Il blog elettrico di carloc (carloc)
DirtEYblooog (dirtydeeds)
Di tutto... un po' (jordan20)
AK47 (lillo)
Esperienze elettroniche (marco438)
Telecomunicazioni musicali (clavicordo)
Automazione ed Elettronica (gustavo)
Direttive per la sicurezza (ErnestoCappelletti)
EYnfo dall'Alaska (mir)
Apriamo il quadro! (attilio)
H7-25 (asdf)
Passione Elettrica (massimob)
Elettroni a spasso (guidob)
Bloguerra (guerra)




