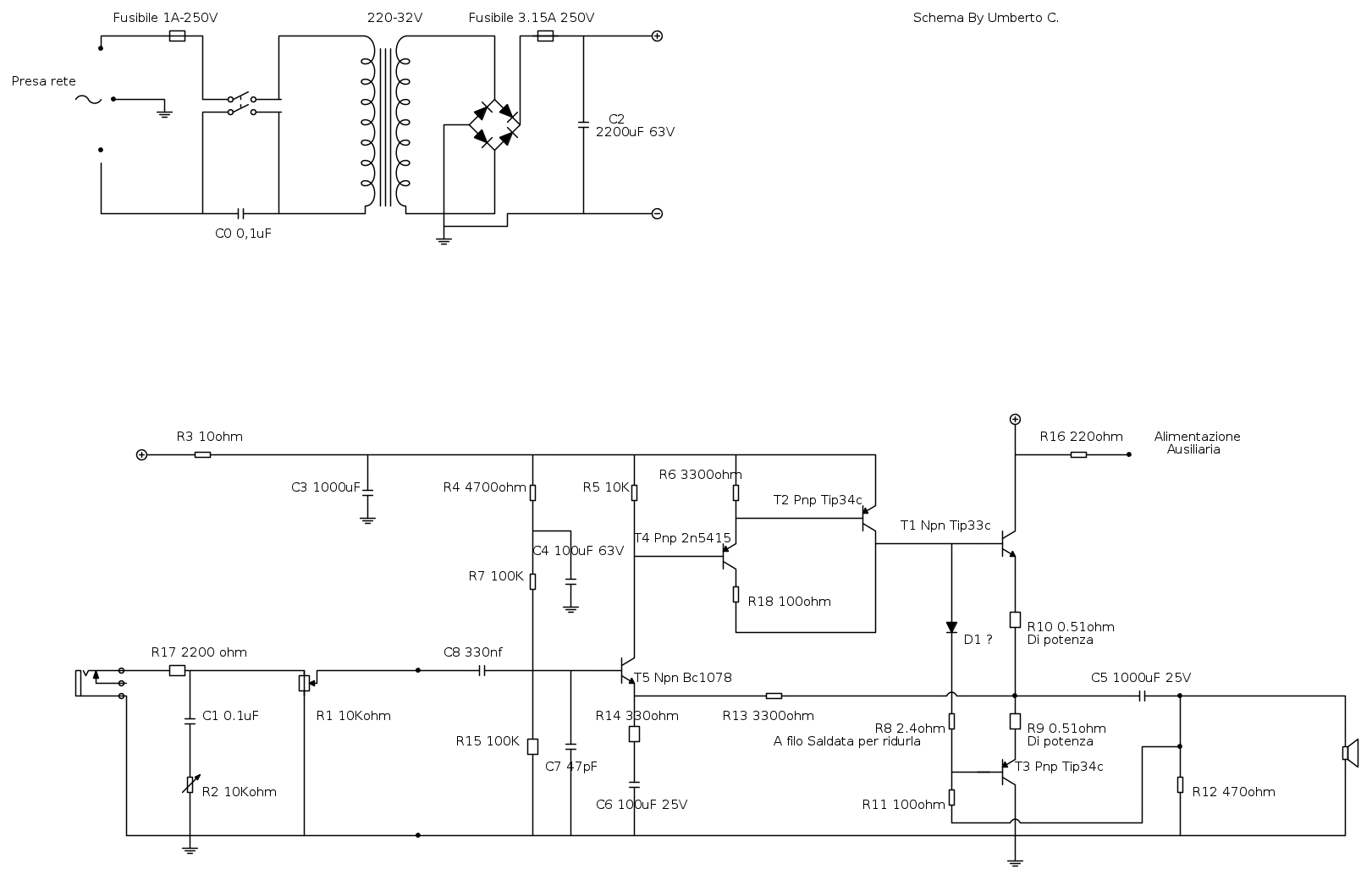
Quell'amplificatore amplifica una decina di volte: il segnale di ingresso che ampiezza ha?
Che tensione c'e` sul primario del trasformatore, sul secondario e sul condensatore C2?
Condensatore di Filtraggio Cassa Amplificata
Moderatori:
carloc,
g.schgor,
BrunoValente,
IsidoroKZ
33 messaggi
• Pagina 3 di 4 • 1, 2, 3, 4
1
voti
Per usare proficuamente un simulatore, bisogna sapere molta più elettronica di lui
Plug it in - it works better!
Il 555 sta all'elettronica come Arduino all'informatica! (entrambi loro malgrado)
Se volete risposte rispondete a tutte le mie domande
Plug it in - it works better!
Il 555 sta all'elettronica come Arduino all'informatica! (entrambi loro malgrado)
Se volete risposte rispondete a tutte le mie domande
0
voti
Ho provato a +10 ma resta comunque sempre un po' bassino anche a volume massimo.
Ma una domanda: come faccio a capire cosa esce al massimo dal mixer se nelle specifiche dello stesso mi danno solo i db di guadagno senza la tensione di saturazione massima?
Inoltre come chiesto più sopra, cosa mi consigliate per lo studio del circuito? Devo ridisegnarlo
per piccolo segnale? o c'è un metodo più veloce?
Ma una domanda: come faccio a capire cosa esce al massimo dal mixer se nelle specifiche dello stesso mi danno solo i db di guadagno senza la tensione di saturazione massima?
Inoltre come chiesto più sopra, cosa mi consigliate per lo studio del circuito? Devo ridisegnarlo
per piccolo segnale? o c'è un metodo più veloce?
0
voti
Allora prova a prelevare il segnale da una uscita cuffia.
Come dice
IsidoroKZ il circuito in questione non ha molto guadagno.
Altrimenti aggiungerei un preamplificatore con un operazionale.
Intanto verifica se con un adeguato pilotaggio si raggiunge un volume adeguato.
Come dice
Altrimenti aggiungerei un preamplificatore con un operazionale.
Intanto verifica se con un adeguato pilotaggio si raggiunge un volume adeguato.
1
voti
Romolus ha scritto:Inoltre come chiesto più sopra, cosa mi consigliate per lo studio del circuito? Devo ridisegnarlo
per piccolo segnale? o c'è un metodo più veloce?
Se sei abituato a trattare i circuiti a transistori puoi anche analizzarlo senza ridisegnarlo per piccolo segnale.
A riposo, senza nessun segnale di ingresso, con l'altoparlante collegato, che tensione c'e` ai capi di R11? Se stacchi l'altoparlante, che tensione hai ai capi di R11?
Mi pare strano l'uso del condensatore di uscita anche come condensatore di bootstrap: l'altoparlante mi sembra che vada a incasinare tutta la polarizzazione.
Per usare proficuamente un simulatore, bisogna sapere molta più elettronica di lui
Plug it in - it works better!
Il 555 sta all'elettronica come Arduino all'informatica! (entrambi loro malgrado)
Se volete risposte rispondete a tutte le mie domande
Plug it in - it works better!
Il 555 sta all'elettronica come Arduino all'informatica! (entrambi loro malgrado)
Se volete risposte rispondete a tutte le mie domande
0
voti
Ciao Isidorokz,
grazie mille, appena ho un attimo di tempo vado a misurare la tensione sul resistore e ti faccio sapere.
PS. mi sono accorto di aver nominato alcune resitenze con lo stesso nome e il condensatore C5 è da 1000uF e
non ohm!
grazie mille, appena ho un attimo di tempo vado a misurare la tensione sul resistore e ti faccio sapere.
PS. mi sono accorto di aver nominato alcune resitenze con lo stesso nome e il condensatore C5 è da 1000uF e
non ohm!
0
voti
Ciao A tutti,
ho finalmente avuto il tempo di dare una occhiata alla cassa.
Ho misurato la tensione ai capi della resistenza R12 senza ingresso.
-Senza altoparlante 17.4 Vdc
-Con altoparlante 0.97 Vdc
Hai capi di R11 invece:
-Senza 3.8 Vdc
-Con 18.7 Vdc
Ho inoltre avuto sotto mano un'altra cassa dello stesso modello e ho potuto correggere la
configurazione di quel maledetto condesatore iniziale (Qualcuno aveva senza dubbio modificato)
Vi allego il nuovo circuito con il condensatore al posto giusto e la correzione del numero delle
resistenze e il valore del condensatore non è più in ohm!
Domanda il condensatore è per evitare la scintilla in chiusura interruttore?
Grazie
ho finalmente avuto il tempo di dare una occhiata alla cassa.
Ho misurato la tensione ai capi della resistenza R12 senza ingresso.
-Senza altoparlante 17.4 Vdc
-Con altoparlante 0.97 Vdc
Hai capi di R11 invece:
-Senza 3.8 Vdc
-Con 18.7 Vdc
Ho inoltre avuto sotto mano un'altra cassa dello stesso modello e ho potuto correggere la
configurazione di quel maledetto condesatore iniziale (Qualcuno aveva senza dubbio modificato)
Vi allego il nuovo circuito con il condensatore al posto giusto e la correzione del numero delle
resistenze e il valore del condensatore non è più in ohm!
Domanda il condensatore è per evitare la scintilla in chiusura interruttore?
Grazie
1
voti
Se metti fra i tag user i nomi degli utenti, questi ricevono una notifica.
Mi sembra che la polarizzazione sia a posto: l'alimentazione in continua e` di 40V circa, vero?
Quello e` uno stadio nato per guadagnare 10 volte circa: visto che in uscita puo` dare 15V circa di tensionedi picco, vuol dire che il segnale in ingresso deve avere una ampiezza di almeno 1.5V. Se la sorgente non ce la fa il volume in uscita e` basso
Puoi provare a fare le seguenti modifiche: R14 mettila da 100ohm e C6 da 330µF: il guadagno sale di 10dB e la banda rimane immutata, il bias pure...
Il guadagno e` circa dato da 3.3kΩ/R14 e la banda e` 1/(2 pi R14 C6): se abbassi solo R14, che puo` andare bene per prova, aumenti il guadagno ma la frequenza di taglio inferiore aumenta. Poi si deve aumentare anche il valore di C6.
Mi sembra che la polarizzazione sia a posto: l'alimentazione in continua e` di 40V circa, vero?
Quello e` uno stadio nato per guadagnare 10 volte circa: visto che in uscita puo` dare 15V circa di tensionedi picco, vuol dire che il segnale in ingresso deve avere una ampiezza di almeno 1.5V. Se la sorgente non ce la fa il volume in uscita e` basso
Puoi provare a fare le seguenti modifiche: R14 mettila da 100ohm e C6 da 330µF: il guadagno sale di 10dB e la banda rimane immutata, il bias pure...
Il guadagno e` circa dato da 3.3kΩ/R14 e la banda e` 1/(2 pi R14 C6): se abbassi solo R14, che puo` andare bene per prova, aumenti il guadagno ma la frequenza di taglio inferiore aumenta. Poi si deve aumentare anche il valore di C6.
Per usare proficuamente un simulatore, bisogna sapere molta più elettronica di lui
Plug it in - it works better!
Il 555 sta all'elettronica come Arduino all'informatica! (entrambi loro malgrado)
Se volete risposte rispondete a tutte le mie domande
Plug it in - it works better!
Il 555 sta all'elettronica come Arduino all'informatica! (entrambi loro malgrado)
Se volete risposte rispondete a tutte le mie domande
33 messaggi
• Pagina 3 di 4 • 1, 2, 3, 4
Chi c’è in linea
Visitano il forum: Nessuno e 45 ospiti

Elettrotecnica e non solo (admin)
Un gatto tra gli elettroni (IsidoroKZ)
Esperienza e simulazioni (g.schgor)
Moleskine di un idraulico (RenzoDF)
Il Blog di ElectroYou (webmaster)
Idee microcontrollate (TardoFreak)
PICcoli grandi PICMicro (Paolino)
Il blog elettrico di carloc (carloc)
DirtEYblooog (dirtydeeds)
Di tutto... un po' (jordan20)
AK47 (lillo)
Esperienze elettroniche (marco438)
Telecomunicazioni musicali (clavicordo)
Automazione ed Elettronica (gustavo)
Direttive per la sicurezza (ErnestoCappelletti)
EYnfo dall'Alaska (mir)
Apriamo il quadro! (attilio)
H7-25 (asdf)
Passione Elettrica (massimob)
Elettroni a spasso (guidob)
Bloguerra (guerra)





