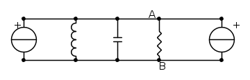
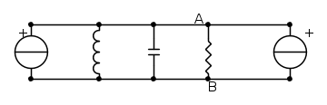
dove, come potete vedere, sono presenti due generatori a pulsazioni differenti. Devo calcolare la tensione del resistore usando la sovrapposizione degli effetti quindi
. La prima tensione è stata calcolata spegnendo il GDT ed esce:
(ed ho capito come esce)Il problema nasce nel calcolo di
perché spegnendo il GDC, si calcola le impedenze di ogni componente che sono:
,
e 
poi si calcola l'impedenza equivalente complessiva che è:

e fin qui apposto. Ora vorrei sapere da dove ricava esce questa:
(V e I sono impedenze, I non è alla seconda ma è I 2)Grazie a tutti =)

Elettrotecnica e non solo (admin)
Un gatto tra gli elettroni (IsidoroKZ)
Esperienza e simulazioni (g.schgor)
Moleskine di un idraulico (RenzoDF)
Il Blog di ElectroYou (webmaster)
Idee microcontrollate (TardoFreak)
PICcoli grandi PICMicro (Paolino)
Il blog elettrico di carloc (carloc)
DirtEYblooog (dirtydeeds)
Di tutto... un po' (jordan20)
AK47 (lillo)
Esperienze elettroniche (marco438)
Telecomunicazioni musicali (clavicordo)
Automazione ed Elettronica (gustavo)
Direttive per la sicurezza (ErnestoCappelletti)
EYnfo dall'Alaska (mir)
Apriamo il quadro! (attilio)
H7-25 (asdf)
Passione Elettrica (massimob)
Elettroni a spasso (guidob)
Bloguerra (guerra)









(fasore) è negativa.
con una resistenza in parallelo di valore
:


