Cos'è ElectroYou | Login Iscriviti

ElectroYou - la comunità dei professionisti del mondo elettrico

Misura di corrente con AO

Elettronica lineare e digitale: didattica ed applicazioni

Moderatori: Foto Utentecarloc, Foto Utenteg.schgor, Foto UtenteBrunoValente, Foto UtenteIsidoroKZ

0
voti

[1] Misura di corrente con AO

Messaggioda Foto Utentenollo » 18 gen 2013, 18:42

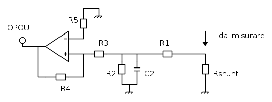
Salve a tutti! Ho un po' di dubbi sul progetto di un circuito con un amplificatore.
Vorrei realizzare sistema che dia un segnale alto (3.3 V cioè il positivo dell'alimentazione) quando la corrente in uno shunt raggiunge un determinato valore.
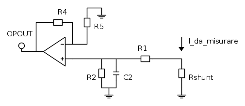
Ho pensato ad un circuito del tipo:



Uso una resistenza Rshunt = 1 m\Omega e voglio che il comparatore triggeri quando la tensione ai sui capi supera il valore di 30 mV.
Utilizzo il condensatore C2 per filtrare un po' il segnale proveniente dallo shunt e tagliare qualche disturbo ad alta frequenza.

I miei dubbi riguardano i seguenti punti:
1) Quali valori è più opportuno usare per le resistenze?
2) E' il caso di mettere R3 o è superfluo?
3) Mi sembra opportuno mettere comunque una resistenza di valore alto all'ingresso non invertente e non
collegarlo direttamente al ground: è corretto?
4) E' meglio mettere anche un condensatore in parallelo a R4?

In generale non so bene se ci sono problemi nel funzionamento del circuito che ho pensato quindi ho pensato di chiedere a chi, nella community, ne sa più di me ;-)

Vi ringrazio come sempre
Ultima modifica di Foto Utentenollo il 18 gen 2013, 19:11, modificato 1 volta in totale.
Avatar utente
Foto Utentenollo
1.141 2 7 12
Expert EY
Expert EY
 
Messaggi: 422
Iscritto il: 4 feb 2011, 13:44

0
voti

[2] Re: Comparatore misura di corrente

Messaggioda Foto Utentesimo85 » 18 gen 2013, 19:11

nollo ha scritto:voglio che il comparatore triggeri quando la tensione ai sui capi supera il valore di 30 mV.

L'ingresso invertente è collegato a GND, pero R1 ed R2 formano un divisore di tensione..

Io togliereri appunto R1 ed R2 e forse farei qualche altra modifica..

Hai pensato anche ad usare però un comparatore vero e proprio e non un operazionale?
Avatar utente
Foto Utentesimo85
30,9k 7 12 13
Disattivato su sua richiesta
 
Messaggi: 9927
Iscritto il: 30 ago 2010, 4:59

0
voti

[3] Re: Misura di corrente con AO

Messaggioda Foto Utentenollo » 18 gen 2013, 19:29

Come farei ad usare un comparatore?
In realtà mi piacerebbe che il circuito si comportasse da comparatore, ma dove prendo il riferimento?
Avatar utente
Foto Utentenollo
1.141 2 7 12
Expert EY
Expert EY
 
Messaggi: 422
Iscritto il: 4 feb 2011, 13:44

0
voti

[4] Re: Misura di corrente con AO

Messaggioda Foto Utentesimo85 » 18 gen 2013, 19:53

nollo ha scritto:In realtà mi piacerebbe che il circuito si comportasse da comparatore, ma dove prendo il riferimento?

Quello rappresentato nel circuito è un comparatore a trigger di Schmitt.

Se vuoi costruire comparatore (non a trigger di Schmitt) basta collegare il morsetto invertente ad una tensione di riferimento (chiamiamola V_\text{ref}) la quale rappresenta la soglia di commutazione.

Comunque, quanta corrente vuoi misurare? Quale deve essere il limite? E che comportamento vuoi ottenere con il circuito?
Avatar utente
Foto Utentesimo85
30,9k 7 12 13
Disattivato su sua richiesta
 
Messaggi: 9927
Iscritto il: 30 ago 2010, 4:59

0
voti

[5] Re: Misura di corrente con AO

Messaggioda Foto Utentenollo » 18 gen 2013, 20:04

E' appunto la Vref che non ho la possibilità di generare...

Ti spiego meglio l'applicazione.
Vorrei implementare la protezione di corto circuito per un modulo IPM che dispone di un comparatore interno settato al valore Vref=0.54 V.
Potrei direttamente misurare la corrente con uno shunt e, con una rete di resistenze, fare in modo che la tensione sul pin del comparatore sia maggiore di Vref quando la corrente è superiore al valore che ritengo limite (per il mio caso è 30 A).
Questo però mi costringe ad usare uno shunt, o più, in parallelo di un valore molto più grande (quindi più cadute e più potenza dissipata) rispetto al valore che userei amplificando il segnale.

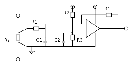
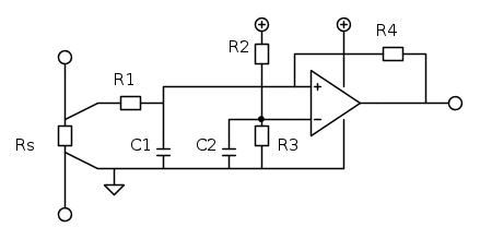
Magari potrei usare una configurazione differenziale come questa:

Avatar utente
Foto Utentenollo
1.141 2 7 12
Expert EY
Expert EY
 
Messaggi: 422
Iscritto il: 4 feb 2011, 13:44

0
voti

[6] Re: Misura di corrente con AO

Messaggioda Foto Utentesimo85 » 18 gen 2013, 20:13

nollo ha scritto:E' appunto la Vref che non ho la possibilità di generare...

Perché? Hai detto che volevi commutare quando la tensione ai capi della resistenza di shunt raggiunge una tensione di 30mV, quindi vuoi monitorare una corrente

I_\text{S} = \frac{30\, \text{mV}}{1\, \text{m}\Omega} = 30\, \text{A}

Giusto? Di che carico di tratta?

La V_\text{Ref} la puoi ottenere con un divisore di tensione e/o tararla con un trimmer o potenziometro tra Vdd e GND.. Se è difficile da tarare puoi sempre amplificare con un amplificatore non invertente.

Ti segnalo anche questa AN della LT.
Avatar utente
Foto Utentesimo85
30,9k 7 12 13
Disattivato su sua richiesta
 
Messaggi: 9927
Iscritto il: 30 ago 2010, 4:59

0
voti

[7] Re: Misura di corrente con AO

Messaggioda Foto Utenteguzz » 18 gen 2013, 20:16

ma sei sicuro che lo shunt sia il sistema migliore per quella misura?
Almeno l'itagliano sallo...
Avatar utente
Foto Utenteguzz
6.067 3 5 7
Master EY
Master EY
 
Messaggi: 3195
Iscritto il: 8 set 2011, 19:14
Località: Possagno (TV)

0
voti

[8] Re: Misura di corrente con AO

Messaggioda Foto Utentenollo » 18 gen 2013, 20:18

Scusa, in effetti ho omesso che l'amplificatore che sto usando è interno al modulo e gli unici pin che ho a disposizione sono uscita e ingressi...
Avatar utente
Foto Utentenollo
1.141 2 7 12
Expert EY
Expert EY
 
Messaggi: 422
Iscritto il: 4 feb 2011, 13:44

5
voti

[9] Re: Misura di corrente con AO

Messaggioda Foto UtenteCandy » 18 gen 2013, 20:52

Giusto per polemizzare: ma la regola per il disegno tecnico, da sinistra verso destra e dall'alto verso il basso, è rimasta nel cestino della merenda?
Avatar utente
Foto UtenteCandy
32,5k 7 10 13
CRU - Account cancellato su Richiesta utente
 
Messaggi: 10123
Iscritto il: 14 giu 2010, 22:54

0
voti

[10] Re: Misura di corrente con AO

Messaggioda Foto UtenteCandy » 18 gen 2013, 21:06



Dimensiona R4 come trigger, non come amplificatore.
Avatar utente
Foto UtenteCandy
32,5k 7 10 13
CRU - Account cancellato su Richiesta utente
 
Messaggi: 10123
Iscritto il: 14 giu 2010, 22:54

Prossimo

Torna a Elettronica generale

Chi c’è in linea

Visitano il forum: Nessuno e 244 ospiti