Resistenze parallelo - versi diversi :)
Moderatori:
g.schgor,
IsidoroKZ
14 messaggi
• Pagina 1 di 2 • 1, 2
0
voti
Ciao a tutti.
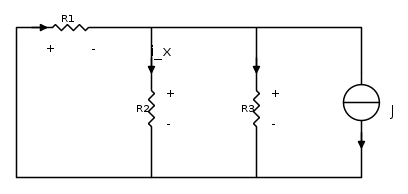
Ho un dubbio sulle resistenze equivalenti. Vi indico prima l'esercizio che sto affrontando e poi vi spiego il problema nel dettaglio.
In pratica, in quest'esercizio devo ricavare la corrente i_x.
Abbiamo questo grafico con le scelte sulle convenzioni fatte da noi; in realtà il circuito deriva dallo spegnimento di un altro generatore ed è per questo che ci sono queste convenzioni che possono risultare "scomode".
Domanda 1: Quando stabilisco delle convenzioni sul circuito iniziale e poi vado a spegnere i generatori, posso cambiare a mio piacimento le convenzioni? Cioè se nel circuito iniziale ho posto che i_x va in quel verso, nel circuito ricavato posso porre che va nel verso opposto?
A questo punto posso utilizzare le equivalenze serie-parallelo per ridurre il circuito. Considero infatti che R1 ed R2 sono in parallelo e tale parallelo è a sua volta parallelo ad R3.
Domanda 2: Come si può vedere, i versi del parallelo R1/R2 sono diversi da quelli utilizzati nelle equivalenze classiche. In generale, infatti, in un parallelo si ha
Come mi comporto se i versi sono scelti diversamente? Le formule cambieranno ovviamente, ma in che modo? E soprattutto, la resistenza equivalente ottenuta come avrà i versi di tensione e corrente?
Ovviamente ho già provato a fare diverse supposizioni (soprattutto utilizzando le LK), ma non sono riuscito a darmi una risposta chiara. Chiedo quindi a voi più delucidazioni :)
Ho un dubbio sulle resistenze equivalenti. Vi indico prima l'esercizio che sto affrontando e poi vi spiego il problema nel dettaglio.
In pratica, in quest'esercizio devo ricavare la corrente i_x.
Abbiamo questo grafico con le scelte sulle convenzioni fatte da noi; in realtà il circuito deriva dallo spegnimento di un altro generatore ed è per questo che ci sono queste convenzioni che possono risultare "scomode".
Domanda 1: Quando stabilisco delle convenzioni sul circuito iniziale e poi vado a spegnere i generatori, posso cambiare a mio piacimento le convenzioni? Cioè se nel circuito iniziale ho posto che i_x va in quel verso, nel circuito ricavato posso porre che va nel verso opposto?
A questo punto posso utilizzare le equivalenze serie-parallelo per ridurre il circuito. Considero infatti che R1 ed R2 sono in parallelo e tale parallelo è a sua volta parallelo ad R3.
Domanda 2: Come si può vedere, i versi del parallelo R1/R2 sono diversi da quelli utilizzati nelle equivalenze classiche. In generale, infatti, in un parallelo si ha
Come mi comporto se i versi sono scelti diversamente? Le formule cambieranno ovviamente, ma in che modo? E soprattutto, la resistenza equivalente ottenuta come avrà i versi di tensione e corrente?
Ovviamente ho già provato a fare diverse supposizioni (soprattutto utilizzando le LK), ma non sono riuscito a darmi una risposta chiara. Chiedo quindi a voi più delucidazioni :)
-

tigerjack89
23 4 - New entry

- Messaggi: 59
- Iscritto il: 31 ago 2012, 16:09
0
voti
In pratica, quello che ho fatto io è questo:




Abbiamo così ottenuto che la resistenza equivalente R12 è

A questo punto, la resistenza equivalente come avrà i versi di tensione e corrente?




Abbiamo così ottenuto che la resistenza equivalente R12 è

A questo punto, la resistenza equivalente come avrà i versi di tensione e corrente?
-

tigerjack89
23 4 - New entry

- Messaggi: 59
- Iscritto il: 31 ago 2012, 16:09
0
voti
Sto avendo sempre lo stesso problema con questi esercizi. Alla fine mi pare di aver capito che quando le resistenze in serie/parallelo hanno i versi (fatte le opportune convenzioni) messi in maniera diversa dallo "standard" basta porre un meno davanti. Quello che non riesco a capire è proprio quello chiesto nei punti 1 e 2.
Qualche input? :)
-

tigerjack89
23 4 - New entry

- Messaggi: 59
- Iscritto il: 31 ago 2012, 16:09
1
voti
Una volta scelti i riferimenti (verso della corrente e tensione +/-) devi lasciarli tali perché semmai dopo rischi di confonderti, se proprio voi cambiare i riferimenti chimaali con un altro nome.
Forse non ho capito la seconda domanda, provo a rispondere lostesso
a seconda di come metti i riferimenti cambia il segno dell'equazione
Forse non ho capito la seconda domanda, provo a rispondere lostesso
a seconda di come metti i riferimenti cambia il segno dell'equazione
Ultima modifica di
Massi79 il 21 gen 2013, 16:18, modificato 2 volte in totale.
0
voti
tigerjack89 ha scritto:Qualche input? :)
si, di semplificarti la vita.
tutto questo per un parallelo di tre resistenze?
non riesco a seguirti del tutto, ma in quello che hai scritto balza all'occhio un evidente errore dimensionale:
tigerjack89 ha scritto:
inoltre scrivi:
tigerjack89 ha scritto:Come mi comporto se i versi sono scelti diversamente? Le formule cambieranno ovviamente, ma in che modo?
di quale formule parli?
ti assicuro che con qualsiasi convenzione la resistenza equivalente è sempre quella.
Primo caso:

da cui ovviamente:

Secondo caso:
cambiamo ora convenzione come dici tu, ad esempio invertiamo il senso di
:
ottenendo sempre:

0
voti
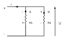
Provo a spiegarmi meglio risolvendo praticamente il circuito di prima (chissà non trovi l'illuminazione via facendo). Premetto che non sto cercando la soluzione più semplice, solo di capire alcuni funzionamenti.
Prendiamo il il parallelo R1 || R2

Ovvero la resistenza equivalente sarà

Potrei quindi andare a sostituire le due resistenze in parallelo con un'unica resistenza equivalente; il mio problema è: che versi avranno le tensioni e le intesità su questa nuova resistenza? Saranno concordi a quelle su R1 o a quelle su R2?
Per trovarmi la corrente
uso il partitore di corrente e ricavo immediatamente che
giusto?
Prendiamo il il parallelo R1 || R2

Ovvero la resistenza equivalente sarà

Potrei quindi andare a sostituire le due resistenze in parallelo con un'unica resistenza equivalente; il mio problema è: che versi avranno le tensioni e le intesità su questa nuova resistenza? Saranno concordi a quelle su R1 o a quelle su R2?
Per trovarmi la corrente
uso il partitore di corrente e ricavo immediatamente che
giusto?-

tigerjack89
23 4 - New entry

- Messaggi: 59
- Iscritto il: 31 ago 2012, 16:09
0
voti
Non capisco bene il tuo ragionamento per trovare la corrente, comunque guarda quello che ho scritto sopra, se la corrente va da dal + al - l'equazione è V=IR se invece va dal - al + cambi segno all'equazione V=-IR.
L'inica cosa che ti serve sapere è questo.
Comunque io farei così
Ti calcoli la resistenza equivalente
Da li Trovi la tensione ai capi della resistenza
segno meno perche ho riferimenti non associati.
Torni al circuito originale conoscendo la tensione V e trovi la corrente che ti serve
L'inica cosa che ti serve sapere è questo.
Comunque io farei così
Ti calcoli la resistenza equivalente

Da li Trovi la tensione ai capi della resistenza
segno meno perche ho riferimenti non associati.Torni al circuito originale conoscendo la tensione V e trovi la corrente che ti serve
Ultima modifica di
Massi79 il 21 gen 2013, 17:32, modificato 1 volta in totale.
0
voti
Scusami ma prima l'immagine fidocad non si vedeva, o almeno era diversa.
Comunque, cosa intendi con quelle formule? Sono i versi di corrente e tensione del resistore equivalente?
Comunque, cosa intendi con quelle formule? Sono i versi di corrente e tensione del resistore equivalente?
-

tigerjack89
23 4 - New entry

- Messaggi: 59
- Iscritto il: 31 ago 2012, 16:09
0
voti
Con la prima ho fatto il parallelo delle tre resistenze e con la seconda ho usato la relazione costitutiva V=IR per trovarmi la tensione V.
ATTENZIONE avevo sbagliato a scrivere la prima equzione.
ATTENZIONE avevo sbagliato a scrivere la prima equzione.
0
voti
Il problema è che nel tuo primo grafico la corrente "va dal - al +"; nel mio grafico, invece, va sempre dal + al -, solo che le correnti nel nodo hanno versi discordi. Non so se sono riuscito a spiegarmi :)
Guarda ad esempio la risposta6
facendo il parallelo tra R1 ed R2, la resistenza equivalente che segno avrà? Ovvero, cosa è giusto, il grafico1, il 2 o entrambi?
Guarda ad esempio la risposta6
facendo il parallelo tra R1 ed R2, la resistenza equivalente che segno avrà? Ovvero, cosa è giusto, il grafico1, il 2 o entrambi?
-

tigerjack89
23 4 - New entry

- Messaggi: 59
- Iscritto il: 31 ago 2012, 16:09
14 messaggi
• Pagina 1 di 2 • 1, 2
Torna a Elettrotecnica generale
Chi c’è in linea
Visitano il forum: Nessuno e 26 ospiti

Elettrotecnica e non solo (admin)
Un gatto tra gli elettroni (IsidoroKZ)
Esperienza e simulazioni (g.schgor)
Moleskine di un idraulico (RenzoDF)
Il Blog di ElectroYou (webmaster)
Idee microcontrollate (TardoFreak)
PICcoli grandi PICMicro (Paolino)
Il blog elettrico di carloc (carloc)
DirtEYblooog (dirtydeeds)
Di tutto... un po' (jordan20)
AK47 (lillo)
Esperienze elettroniche (marco438)
Telecomunicazioni musicali (clavicordo)
Automazione ed Elettronica (gustavo)
Direttive per la sicurezza (ErnestoCappelletti)
EYnfo dall'Alaska (mir)
Apriamo il quadro! (attilio)
H7-25 (asdf)
Passione Elettrica (massimob)
Elettroni a spasso (guidob)
Bloguerra (guerra)









