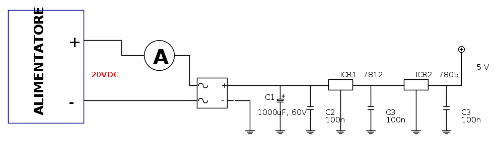
carlo87 ha scritto: provando il circuito osserevo che il 7812 e 7805 si riscaldano troppo anche se alettati come mai questo§??
Hai provato a misurare qual'e' l'assorbimento da parte del carico sia a 5 che a 12V?
Moderatore:
Paolino
carlo87 ha scritto: provando il circuito osserevo che il 7812 e 7805 si riscaldano troppo anche se alettati come mai questo§??


Torna a Firmware e programmazione
Visitano il forum: Nessuno e 22 ospiti