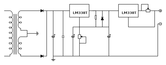
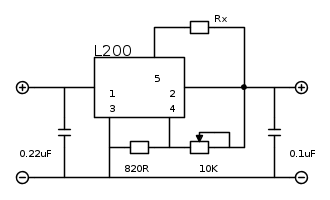
Quindi, una volta stabilito che il trasformatore sia efficiente e quanto sia in grado di erogare, sarebbe auspicabile considerare lo schema seguente:
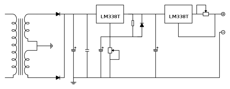
Se poi la corrente dovesse andare olre i 2A, si dovrebbe aggiungere un transistor di sostegno:
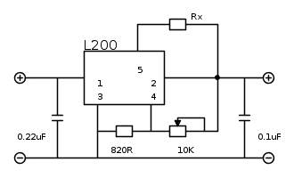
enrico123 ha scritto:Quello che invece sarebbe più importante è la regolazione della tensione in uscita con il trimmer, non ho capito se questa possibilità è mantenuta nel circuito da creare in sostituzione di quello attuale. Per tarare le tensioni min e max dovrei inserire due trimmer tipo quelli che ci sono ora?
No, basta un solo potenziometro in tutti i circuiti mostrati ( se e' ancora efficiente, forse va bene quello che hai), come puoi anche vedere dagli schemi postati.

Elettrotecnica e non solo (admin)
Un gatto tra gli elettroni (IsidoroKZ)
Esperienza e simulazioni (g.schgor)
Moleskine di un idraulico (RenzoDF)
Il Blog di ElectroYou (webmaster)
Idee microcontrollate (TardoFreak)
PICcoli grandi PICMicro (Paolino)
Il blog elettrico di carloc (carloc)
DirtEYblooog (dirtydeeds)
Di tutto... un po' (jordan20)
AK47 (lillo)
Esperienze elettroniche (marco438)
Telecomunicazioni musicali (clavicordo)
Automazione ed Elettronica (gustavo)
Direttive per la sicurezza (ErnestoCappelletti)
EYnfo dall'Alaska (mir)
Apriamo il quadro! (attilio)
H7-25 (asdf)
Passione Elettrica (massimob)
Elettroni a spasso (guidob)
Bloguerra (guerra)










