Ciao a tutti del forum!
Sto cercando di costruire un sintetizzatore modulare e, in attesa di avere maggiori idee su come fare VCA e VCF (sopratutto per i VCF) ho cominciato a "progettare" il VCO.
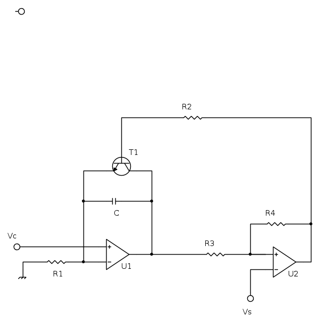
Ho scelto di utilizzare un circuito generatore di rampavtramite carica di un condensatore a corrente costante con poi un trigger di Schmitt per scaricarlo velocemente.
Lo schema di principio è il seguente:
Ho provato a simularlo con multisim ma ho avuto parecchi problemi e alla fine ho desistito;credo che il problema risieda nel fatto che non so come dimensionare i componenti (ho fatto tutto a spanne).
Potete aiutarmi a risolvere questo problema (purtroppo molte cose di elettronica anlogica non le abbiamo ancora fatte)?
Ringrazio anticipatamente.
Progetto VCO
Moderatori:
carloc,
g.schgor,
BrunoValente,
IsidoroKZ
7 messaggi
• Pagina 1 di 1
0
voti
[5] Re: Progetto VCO

"Non farei mai parte di un club che accettasse la mia iscrizione" (G. Marx)
-

claudiocedrone
21,3k 4 7 9 - Master EY

- Messaggi: 15302
- Iscritto il: 18 gen 2012, 13:36
0
voti
[6] Re: Progetto VCO
I motivi sono tre:
-Non vorrei avere giù tutto pronto, solo da assemblare;
-Vorrei rendere più "mio" possibile il sintetizzatore pensando i circuiti (o almeno il principio di funzionamento) con la mia testa;
-Vorrei imparare di più sull'elettronica analogica e per farlo credo sia meglio partire dal livello più basso possibile;
Grazie del consiglio comunque..
-Non vorrei avere giù tutto pronto, solo da assemblare;
-Vorrei rendere più "mio" possibile il sintetizzatore pensando i circuiti (o almeno il principio di funzionamento) con la mia testa;
-Vorrei imparare di più sull'elettronica analogica e per farlo credo sia meglio partire dal livello più basso possibile;
Grazie del consiglio comunque..
0
voti
[7] Re: Progetto VCO
P.s. E comunque usare integrati appositi non significa affatto assemblare una cosa già pronta, già solo sviluppare un layout decente non è affato semplice."Non farei mai parte di un club che accettasse la mia iscrizione" (G. Marx)
-

claudiocedrone
21,3k 4 7 9 - Master EY

- Messaggi: 15302
- Iscritto il: 18 gen 2012, 13:36
7 messaggi
• Pagina 1 di 1
Chi c’è in linea
Visitano il forum: Majestic-12 [Bot] e 193 ospiti

Elettrotecnica e non solo (admin)
Un gatto tra gli elettroni (IsidoroKZ)
Esperienza e simulazioni (g.schgor)
Moleskine di un idraulico (RenzoDF)
Il Blog di ElectroYou (webmaster)
Idee microcontrollate (TardoFreak)
PICcoli grandi PICMicro (Paolino)
Il blog elettrico di carloc (carloc)
DirtEYblooog (dirtydeeds)
Di tutto... un po' (jordan20)
AK47 (lillo)
Esperienze elettroniche (marco438)
Telecomunicazioni musicali (clavicordo)
Automazione ed Elettronica (gustavo)
Direttive per la sicurezza (ErnestoCappelletti)
EYnfo dall'Alaska (mir)
Apriamo il quadro! (attilio)
H7-25 (asdf)
Passione Elettrica (massimob)
Elettroni a spasso (guidob)
Bloguerra (guerra)



