Ciao a tutti tra poco ho un esame e non ho ancora capito una cosa...quindi richiedo il vostro aiuto!
Il mio testo dice questo:
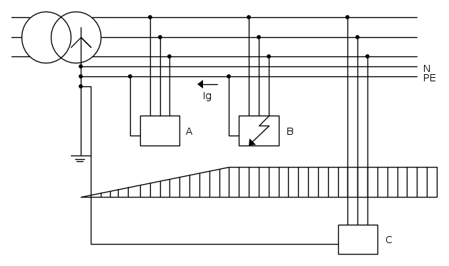
Nel sistema TN la tensione di contatto a vuoto non è costante su tutte le
masse degli apparecchi utilizzatori collegati al PE, come avviene nel TT. E' infatti costante solo per tutti quelli connessi a valle del punto di guasto ma decresce progressivamente su quelle degli utilizzatori connessi a monte di questo, fino a ridursi a valori trascurabili nei pressi della cabina di alimentazione.Per fare un esempio, supponiamo che il sistema TN-S abbia i conduttori di fase e PE di pari impedenza specifica z. Gli apparecchi utilizzatori A, B e C distano rispettivamente 50, 100 e 150 metri dalla cabina MT/BT. Un guasto fase-massa in B origina la corrente di guasto che si chiude tra fase e PE interessando solo l' apparecchio B. La tensione di contatto a vuoto su B è: E*100z/(100z+100z)=E/2.
Questa tensione è presente anche su C, perché non ci sono correnti di guasto circolanti a monte di B e quindi la caduta di tensione sui conduttori a monte di B è nulla. La tensione di contatto a vuoto su A è invece: E*50z/(50z+150z)=E*50/200=E/4.
Ora la parte in rosso non riesco proprio a capirla...qualche aiutino? Grazie a tutti
Protezioni nei sistemi TN
Moderatori:
sebago,
MASSIMO-G,
lillo,
Mike
10 messaggi
• Pagina 1 di 1
0
voti
Se ti può essere utile lo schemino; la parte sotto rappresenta l'andamento del potenziale sul PE in caso di guasto a massa dell'apparecchio B
0
voti
Ti ringrazio ma purtroppo non ho capito il perché decresce a sinistra di B e rimane costante a destra...
0
voti
perché nel tratto da 0 a B circola la corrente Ig (la corrente di guasto si richiude verso il centrostella percorrendo il PE) provocando una cdt data dal prodotto della Ig pe l'impedenza del tratto interessato; tale cdt sarà massima nel punto di guasto tendendo allo 0 a inizio conduttura. Il perché nel punto C hai la stessa tensione di contatto del punto B è subito spiegato: nel tratto BC del PE non circola nessuna corrente di guasto (per cui non ci sono cdt) però le due masse sono collegate dallo stesso PE (come se fosse un collegamento equipotenziale)
0
voti
In un sistema TN la corrente di guasto è molto superiore a quella in un TT. Ne segue che le cadute di tensione lungo il PE non sono trascurabili. Forse è ovvio ma è meglio ricordarlo.
0
voti
Quindi vediamo se ho capito (prendendo il mio esempio):
cdt(B)= Ig * (z * 100)
cdt(A)= Ig * (z * 50)
quindi continuando ad avvicinarmi la distanza diminuisce per arrivare a 0 e quindi cdt=0 giusto?
cdt(C)= Ig * (z * 150) ma Ig=0 e quindi cdt(C)=0 ma essendo collegato allo stesso PE rimane al potenziale di B.
E' corretto?
cdt(B)= Ig * (z * 100)
cdt(A)= Ig * (z * 50)
quindi continuando ad avvicinarmi la distanza diminuisce per arrivare a 0 e quindi cdt=0 giusto?
cdt(C)= Ig * (z * 150) ma Ig=0 e quindi cdt(C)=0 ma essendo collegato allo stesso PE rimane al potenziale di B.
E' corretto?
0
voti
Xorik87 ha scritto:E' corretto?
Si
Nel tratto 0 - B la cdt è direttamente proporzionale all'impedenze del PE, con valore pari a 0 nel punto 0 e max nel punto B mentre nel punto A avrà valore 1/2 di B (a metà distanza rispetto a B quindi 1/2 Z spannometricamente parlando).
1
voti
marco76 ha scritto:ma su un ramo separato del circuito
quale circuito? alimentazione o protezione
nel caso fosse un circuito PE diverso, la massa C, in caso di guasto della B, non presenterebbe tensioni di contatto verso massa; l'unico problema potrebbe essere che le masse B e C siano simultaneamente accessibili.
In caso di guasto la persona che tocca entrambe le masse sarebbe in condizioni di pericolo. Per questo la cei 64-8 impone il collegamento equipotenziale supplementare delle masse ove non sia possibile l'interruzione dell'alimentazione nei tempi stabiliti
10 messaggi
• Pagina 1 di 1
Torna a Impianti, sicurezza e quadristica
Chi c’è in linea
Visitano il forum: Nessuno e 172 ospiti

Elettrotecnica e non solo (admin)
Un gatto tra gli elettroni (IsidoroKZ)
Esperienza e simulazioni (g.schgor)
Moleskine di un idraulico (RenzoDF)
Il Blog di ElectroYou (webmaster)
Idee microcontrollate (TardoFreak)
PICcoli grandi PICMicro (Paolino)
Il blog elettrico di carloc (carloc)
DirtEYblooog (dirtydeeds)
Di tutto... un po' (jordan20)
AK47 (lillo)
Esperienze elettroniche (marco438)
Telecomunicazioni musicali (clavicordo)
Automazione ed Elettronica (gustavo)
Direttive per la sicurezza (ErnestoCappelletti)
EYnfo dall'Alaska (mir)
Apriamo il quadro! (attilio)
H7-25 (asdf)
Passione Elettrica (massimob)
Elettroni a spasso (guidob)
Bloguerra (guerra)







