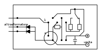
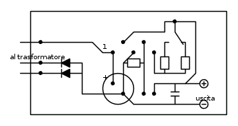
La soluzione migliore per Enrico è sicuramente quella della millefori
tra l'altro molto ben documentata nel link che hai proposto
K
Moderatori:
carloc,
g.schgor,
BrunoValente,
IsidoroKZ


Kagliostro ha scritto:Marco era solo per celiare![]()
La soluzione migliore per Enrico è sicuramente quella della millefori


marco438 ha scritto:Per i componenti va bene cosi'; gia' che ci siamo, prenderei anche la resistenza da 0.33 ed un deviatore; si possono inserire entrambe (0.33/0.47) in modo da avere una scelta sulla corrente erogabile.



P.s. Cerca però di fare un montaggio e un cablaggio il più ordinati possibile...



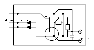
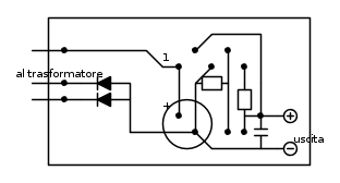
claudiocedrone ha scritto::-)marco438 dove è finita questa soluzione sullo schema pratico proposto a Enrico
enrico123 ha scritto:C'è una maniera per sfruttare tutti i 2A dell'integrato (probabilmente non servirà mai, tanto per sapere...)?
Visitano il forum: Nessuno e 435 ospiti