Cos'è ElectroYou | Login Iscriviti

ElectroYou - la comunità dei professionisti del mondo elettrico

Dubbi su esercizi

Circuiti, campi elettromagnetici e teoria delle linee di trasmissione e distribuzione dell’energia elettrica

Moderatori: Foto Utenteg.schgor, Foto UtenteIsidoroKZ

0
voti

[1] Dubbi su esercizi

Messaggioda Foto UtenteMillex » 30 gen 2013, 13:13

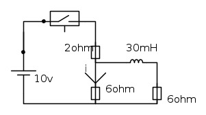
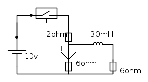
ES.1


IL circuito è a regime in t=0-.L'interruttore si chiude in t=0 ricavare la corrente i per t>0.

In t=0 l'interruttore è aperto quindi i(0)=0.
Per t>0 metto a corto circuito l'induttore mi calcolo la corrente totale del circuito che vale 2A e mi trovo la i che vale 1A.
Per la resistenza equivalente quali resistenze devo considerare? E' di 5ohm?
Per la soluzione finale uso [i(0)-i(infinito)]e^(-t/tau)+i(infinito) ma mi esce un risultato diverso dalla soluzione

ES.2



L'interruttore si chiude in t=0.

In questo esercizio la i(0) mi esce 1A la i(infinito)= 2A la Req=2,2 e la tau=0,9.Mettendo insieme tutti i valori il risultato non mi esce.


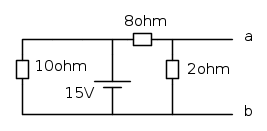
ES 3.


Devo applicare Thevenin su a,b.

Per la resistenza equivalente pensavo cosi faccio la serie tra i resistore di 8 e 10 e poi il parallelo con quello da 2.
Per trovarmi la tensione ai capi di a,b invece non so proprio cosa fare #-o

Grazie M.
Avatar utente
Foto UtenteMillex
-2 3
 
Messaggi: 39
Iscritto il: 10 ago 2009, 20:53

0
voti

[2] Re: Dubbi su esercizi

Messaggioda Foto Utenteastor92 » 30 gen 2013, 14:20

Provo a darti una mano sul primo esercizio!

t<0
Per studiarti le condizioni all'istante t<0 sostituisci l'induttore con un corto circuito. L'interruttore è aperto e dunque la corrente sul resistore da 2 Ohm sarà nulla! Tale corrente è anche la corrente che si ripartisce sul parallelo di resistori da 6 Ohm. La corrente i (segnata in rosso) e la corrente sull'induttore saranno dunque entrambe NULLE!

t>0
Studiamo ora il circuito per t>o. L'induttore continuerà ad essere un corto circuito. Questa volta però l'interruttore sarà chiuso!
A questo punto troviamo la tensione sul resistore da 6 Ohm. Facciamo dunque il parallelo tra i due resistori da 6 Ohm e applichiamo il partitore di tensione tra la resistenza di 2 Ohm e la resistenza del
parallelo che, dopo ovvi calcoli, risulta uguale a 3 Ohm.
La tensione risulterà invece uguale a 6 volt. Basta dividere per la resistenza di 6 Ohm per trovare la corrente i sull'induttore = 1 A.

Per calcolare tau, spegniamo i generatori indipendenti e calcoliamo la resistenza equivalente ai capi dell'induttore. Il resistore da 2 Ohm risulterà in parallelo con quello da 6 Ohm, il tutto sarà il serie con il secondo resistore da 6 Ohm. La resistenza equivalente sarà dunque uguale a 7.5 Ohm

tau = L/R -> 4 * 10^(-3) secondi.

Utilizziamo la formula i(t) = [i(0) - i(+oo)] e^(-t/tau) + i(+oo) per calcolarci la corrente sull'INDUTTORE!
Se non ho sbagliato i calcoli, sarà uguale a 1 - e^(-250t)

Per calcolare la corrente i (in rosso) per t>0, sostituiamo l'induttore con un generatore di corrente del valore appena trovato e studiamo il circuito risultante con la sovrapposizione degli effetti o tramite analisi nodale. Dalla risoluzione risulterà i = 1 + 0.25e^(-250t)

Il secondo esercizio è molto simile al primo. Se capisci il primo noon dovrebbero esserci problemi :-)
Avatar utente
Foto Utenteastor92
0 2
 
Messaggi: 7
Iscritto il: 30 gen 2013, 12:45

0
voti

[3] Re: Dubbi su esercizi

Messaggioda Foto UtenteGuerra » 30 gen 2013, 14:33

Risulterebbe tutto più chiaro scrivendo le formule in latex (come da regole del forum).
"Le domande non sono mai indiscrete. Le risposte lo sono a volte"
Per qualche dollaro in più
Avatar utente
Foto UtenteGuerra
34,9k 7 11 13
G.Master EY
G.Master EY
 
Messaggi: 4790
Iscritto il: 14 apr 2010, 16:38

0
voti

[4] Re: Dubbi su esercizi

Messaggioda Foto UtenteMillex » 30 gen 2013, 19:25

Grazie....quindi in caso di induttore trovo la i generale e poi sostituisco con un generatore di corrente.(Mentre per il condensatore uso un generatore di tensione???).
Avatar utente
Foto UtenteMillex
-2 3
 
Messaggi: 39
Iscritto il: 10 ago 2009, 20:53

0
voti

[5] Re: Dubbi su esercizi

Messaggioda Foto Utenteastor92 » 30 gen 2013, 20:49

Esatto! :ok:
Avatar utente
Foto Utenteastor92
0 2
 
Messaggi: 7
Iscritto il: 30 gen 2013, 12:45

0
voti

[6] Re: Dubbi su esercizi

Messaggioda Foto UtenteMillex » 30 gen 2013, 22:14

un aiutino su come trovare la tensione su a,b nell' esercizio 3? :D
Avatar utente
Foto UtenteMillex
-2 3
 
Messaggi: 39
Iscritto il: 10 ago 2009, 20:53

0
voti

[7] Re: Dubbi su esercizi

Messaggioda Foto UtenteRenzoDF » 30 gen 2013, 22:21

Millex ha scritto:un aiutino su come trovare la tensione su a,b nell' esercizio 3? :D

Un partitore.

... e per la RTh il modo da te indicato per calcolarla

Per la resistenza equivalente pensavo cosi faccio la serie tra i resistore di 8 e 10 e poi il parallelo con quello da 2.

non è corretto.
"Il circuito ha sempre ragione" (Luigi Malesani)
Avatar utente
Foto UtenteRenzoDF
55,9k 8 12 13
G.Master EY
G.Master EY
 
Messaggi: 13189
Iscritto il: 4 ott 2008, 9:55

0
voti

[8] Re: Dubbi su esercizi

Messaggioda Foto UtenteMillex » 30 gen 2013, 22:36

Per la RTh penso di aver capito come fare è mi esce 1,37.Invece la tensione continuo a non capire come trovarla? (la tensione su a,b è uguale alle tensione ai capi del resistore di 8 ohm?)
Avatar utente
Foto UtenteMillex
-2 3
 
Messaggi: 39
Iscritto il: 10 ago 2009, 20:53

0
voti

[9] Re: Dubbi su esercizi

Messaggioda Foto Utentenunziato » 30 gen 2013, 22:42

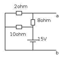
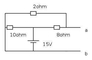
Scusate se mi intrometto ma ridisegnare il circuito così:


forse potrebbe aiutare.
Avatar utente
Foto Utentenunziato
4.291 3 9 12
Master EY
Master EY
 
Messaggi: 531
Iscritto il: 14 dic 2012, 23:14
Località: Acri (CS) - Polistena (RC)

1
voti

[10] Re: Dubbi su esercizi

Messaggioda Foto UtenteRenzoDF » 30 gen 2013, 22:48

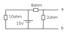
nunziato ha scritto:... ridisegnare il circuito così ...forse potrebbe aiutare.

Forse così

... aiuta ancora di più. ;-)
"Il circuito ha sempre ragione" (Luigi Malesani)
Avatar utente
Foto UtenteRenzoDF
55,9k 8 12 13
G.Master EY
G.Master EY
 
Messaggi: 13189
Iscritto il: 4 ott 2008, 9:55

Prossimo

Torna a Elettrotecnica generale

Chi c’è in linea

Visitano il forum: Nessuno e 41 ospiti