Salve a tutti, mi stò avvicinando piano piano al mondo dei PIC, ma per questioni di tempo mi trovo costretto a chiedere un vostro aiuto. Mi spiego meglio, purtroppo ho bisogno di un termometro molto preciso e vorrei costruirmelo, non sono ancora arrivato al punto tale da azzardare scrivere il software per un 16f628 quindi chiedo a voi un possibile schema con allegato file .hex o assembler che utilizzi oltre al 16f628 anche la sonda DS18B20 poiché mi è stata consigliata per la sua precisione e versatilità (accetto comunque valide alternative che ritenete migliori).
Il termometro dovrebbe rispettare queste caratteristiche:
-range da 10 o 20 a 100 °C
-sensibilità di 0.5° C
-uscita su display 16x2 retroilluminato
-magari una temperatura impostabile e un suono al raggiungimento di tale valore (non è indispensabile questa cosa)
L'alimentazione è indifferente
Mi rendo conto di chiedervi molto, ma spero che qualcuno abbia la voglia e la pazienza per darmi una mano o comunque aiutarmi a progettarlo.
Grazie
termometro con 16f628
Moderatori:
carloc,
g.schgor,
BrunoValente,
IsidoroKZ
15 messaggi
• Pagina 1 di 2 • 1, 2
0
voti
La configurazione hardware con i relativi collegamenti uP e IC è chiaramente esposta sul DATASHEET a pag. 9.
La tensione di alimentazione massima a cui alimenti i componenti deve essere 5V, quindi non è indifferente.
Chiedi poco
Puoi cominciare a disegnare uno schema con Fidocad, lo si può eventualmente correggere, poi con il codice etc.. si vedrà.. chissà..
La tensione di alimentazione massima a cui alimenti i componenti deve essere 5V, quindi non è indifferente.
bebos89 ha scritto:non sono ancora arrivato al punto tale da azzardare scrivere il software per un 16f628 quindi chiedo a voi un possibile schema con allegato file .hex o assembler che utilizzi oltre al 16f628
Chiedi poco
Puoi cominciare a disegnare uno schema con Fidocad, lo si può eventualmente correggere, poi con il codice etc.. si vedrà.. chissà..
0
voti
L'ho chiesto così poiché pensavo che qualcuno lo avesse già progettato e costruito o sapesse dove reperirlo, io ho girato parecchi siti internet ma non ho trovato nulla di veramente utile, ho trovato in un sito ThermoPIC ma oltre al file assembler non è postato nessuno schema e nemmeno il modo per contattare l'amministratore del sito. Lo schema lo stò abbozzando su fidocad e appena posso lo posto, per quanto riguarda l'alimentazione mi sono espresso male, volevo dire che andrò a sfruttare un vecchio caricabatterie con una stabilizzazione lineare a 5V quindi è indifferente nel progetto che andremo a fare.
0
voti
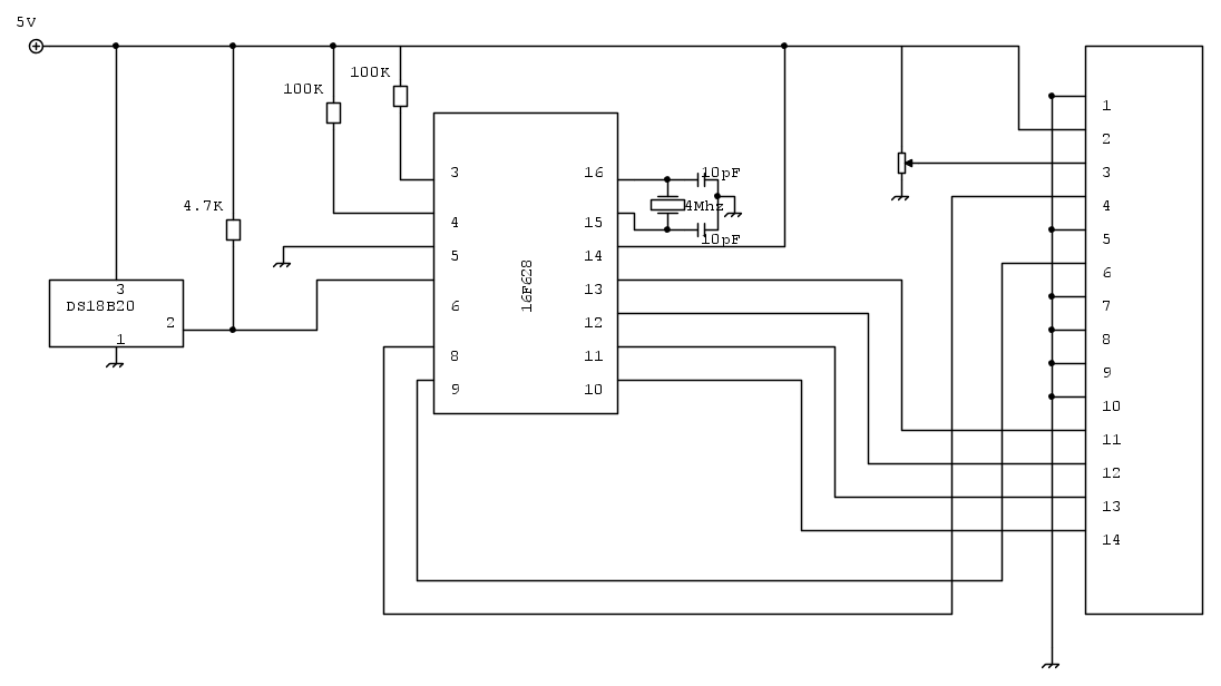
in teoria dovrebbe essere così? solo che non so come impostare la temperatura alla quale deve scattare il buzzer che collegherò ad un'uscita.
0
voti
Ciao,
Ad un primo sguardo, rivedi i collegamenti tra DS18B20 (datasheet linkato in 2). Confronta quello segnalato a pag. 9 del datasheet linkato, con il tuo schema. A quanto sembra è sbagliato.
L'oscillatore esterno da 4 MHz non ti serve. Leggi bene cosa scrive il datasheet del PIC16F628 a pag. 100 sezione "PRECISION INTERNAL 4 MHz OSCILLATOR" (basta il titolo per capire).
Non so che display usi. Eventualmente linka un datasheet.
Correggi lo schema e si può proseguire. Se hai dubbi sono qui.

Ad un primo sguardo, rivedi i collegamenti tra DS18B20 (datasheet linkato in 2). Confronta quello segnalato a pag. 9 del datasheet linkato, con il tuo schema. A quanto sembra è sbagliato.
L'oscillatore esterno da 4 MHz non ti serve. Leggi bene cosa scrive il datasheet del PIC16F628 a pag. 100 sezione "PRECISION INTERNAL 4 MHz OSCILLATOR" (basta il titolo per capire).
Non so che display usi. Eventualmente linka un datasheet.
Correggi lo schema e si può proseguire. Se hai dubbi sono qui.

0
voti
Per quanto riguarda la sonda DS18b20 ho cercato un po' su internet come collegarla e in tutti i circuiti è stata collegata in questo modo. Per quanto riguarda l'oscillatore posso usare quello interno togliendo il quarzo esterno. Però sul resto non mi hai detto nulla, come faccio a regolare la temperatura desiderata?
0
voti
Per quello che ho potuto capire leggendo il dispositivo comunica con un solo filo collegato sia per trasmissione che per ricezione (reset e azzeramento della sonda) al PIC. Se non erro la stessa porta usata in ricezione può essere usata anche in trasmissione dal PIC avvenendo le due cose mai nel medesimo istante di tempo, ecco quindi perché è collegato ad una sola porta. Se erro correggimi.
0
voti
Purtroppo non ho avuto molto tempo per leggere il datasheet della sonda. Se mi indichi la sezione la cercherò più velocemente e me la studierò un attimo, comunque io ho pensato la stessa cosa.
Hai già il sensore ed il PIC per montare il circuito?
Eventualmente potresti prima fare una prova su breadboard. Appena ho tempo controlliamo lo schema.
Come hai intenzione di programmare il PIC?
In quale linguaggio? C o MPASM?
Hai già il sensore ed il PIC per montare il circuito?
Eventualmente potresti prima fare una prova su breadboard. Appena ho tempo controlliamo lo schema.
Come hai intenzione di programmare il PIC?
In quale linguaggio? C o MPASM?
0
voti
Purtroppo non ho ancora la sonda, il negozio dove mi servo non ha molta richiesta di materiale quindi ci mette una vita a ricevere le ordinazioni!!! Il PIC ce l'ho e vorrei provare a programmare in C.
15 messaggi
• Pagina 1 di 2 • 1, 2
Chi c’è in linea
Visitano il forum: Nessuno e 50 ospiti

Elettrotecnica e non solo (admin)
Un gatto tra gli elettroni (IsidoroKZ)
Esperienza e simulazioni (g.schgor)
Moleskine di un idraulico (RenzoDF)
Il Blog di ElectroYou (webmaster)
Idee microcontrollate (TardoFreak)
PICcoli grandi PICMicro (Paolino)
Il blog elettrico di carloc (carloc)
DirtEYblooog (dirtydeeds)
Di tutto... un po' (jordan20)
AK47 (lillo)
Esperienze elettroniche (marco438)
Telecomunicazioni musicali (clavicordo)
Automazione ed Elettronica (gustavo)
Direttive per la sicurezza (ErnestoCappelletti)
EYnfo dall'Alaska (mir)
Apriamo il quadro! (attilio)
H7-25 (asdf)
Passione Elettrica (massimob)
Elettroni a spasso (guidob)
Bloguerra (guerra)


