Cos'è ElectroYou | Login Iscriviti

ElectroYou - la comunità dei professionisti del mondo elettrico

Thread sugli operazionali

Elettronica lineare e digitale: didattica ed applicazioni

Moderatori: Foto Utentecarloc, Foto Utenteg.schgor, Foto UtenteBrunoValente, Foto UtenteIsidoroKZ

0
voti

[61] Re: Neofita di questo mondo :)

Messaggioda Foto Utentepierinter » 3 feb 2013, 13:56

Provo a risponderti, ma spetta sempre Foto UtentePietroBaima,che è molto più in gamba ;)

Comunque :

elegos ha scritto:si ha:

\begin{cases} V_- ++, & \mbox{se } V_{in}\mbox{ sale} \\ V_- --, & \mbox{se } V_{in}\mbox{ scende} \end{cases}


Ok, quindi V- INIZIALMENTE , segue Vin. Fin qui ci sei mi pare.

elegos ha scritto:L'amplificatore operazionale esegue A(Polo_+ - Polo_-), quindi 0 - \mbox{(valore positivo)}, e quindi manderà fuori un numero negativo (sempre che A non sia negativo).


Più che 'numero positivo' o 'numero negativo' , utilizzerei i termini sale o scende.
Ma comunque si, se Vin sale, e V- sale, (perché ,come abbiamo detto qualche riga sopra INIZIALMENTE V- tende a seguire Vin), allora l'uscita scende. Ci sei anche fin qui.

elegos ha scritto:A quel punto, se V_{out} è negativo, andrà a far decrescere V_-


Ti stai avvicinando.

Considera i due contributi su V-.
Vin abbiamo detto che tende ad alzarlo.
Ma alzando V- , Vout scende e quindi....tende ad abbassare V-.
Quindi abbiamo che Vin tende ad alzare V- e Vout tende ad abbassarla... cosa pensi che succeda ?

Vedila come una corda, se io e te la tiriamo in direzioni opposte, con la stessa forza, cosa succede alla corda ? si muove,sta ferma ? Ovviamente, trascura il caso di rottura :ok:

Cerca anche di capire come mai vale l'analogia, cioè come mai i due contributi Vin e Vout agiscono 'CON LA STESSA FORZA' su V- (suggerimento : pensa al partitore di resistenze).

In ogni caso, non vorrei mandarti fuori strada, quindi tendi a seguire i ragionamenti di Foto UtentePietroBaima.
Come ti ho detto, ci sono molti modi di vedere la stessa cosa.
Avatar utente
Foto Utentepierinter
620 2 7 10
Expert EY
Expert EY
 
Messaggi: 1395
Iscritto il: 23 mar 2009, 0:05

0
voti

[62] Re: Neofita di questo mondo :)

Messaggioda Foto Utenteelegos » 3 feb 2013, 14:00

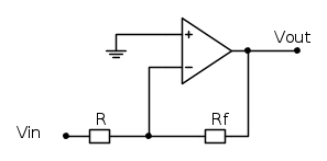
Praticamente, se non ho capito male, V_{out} va a contrastare V_{in} fino a quando non diventa più grande dello stesso V_{in} (o meglio V_{in}R_f < V_{out}R), trasformandosi nell'opamp (V_- < 0) da negativo a positivo, dando quindi un contributo a V_{in} per far tornare V_- positivo e quindi > 0. A questo punto il ciclo si ripete?
Avatar utente
Foto Utenteelegos
335 3 6
Frequentatore
Frequentatore
 
Messaggi: 183
Iscritto il: 29 gen 2013, 19:43
Località: Milano

0
voti

[63] Re: Neofita di questo mondo :)

Messaggioda Foto Utentepierinter » 3 feb 2013, 14:17

elegos ha scritto:Praticamente, se non ho capito male, Vout va a contrastare Vin


Non proprio. Vout non va a contrastare Vin di per sè.
Va a contrastare lo sbilanciamento di V- introdotto da Vin, questo.

Comunque, se vuoi farlo con le formule, fai così :

La formula che hai scritto correttamente, cioè questa :

elegos ha scritto:V_- = \frac{V_{in}R_f + V_{out}R}{R+R_f}


Questa formula l'hai ricavata con l'applicazione della sovrapposizione degli effetti.

COme abbiamo detto però , se Vin sale, Vout scende.
È quindi lecito considerare i segni di Vin e Vout opposti, no ?

Fatti una domanda ora.
Di quanto Vout può far scendere V- , al massimo ?
Considera che V- era stata alzata da Vin di un certo fattore, insito nella formula precedente
Avatar utente
Foto Utentepierinter
620 2 7 10
Expert EY
Expert EY
 
Messaggi: 1395
Iscritto il: 23 mar 2009, 0:05

0
voti

[64] Re: Neofita di questo mondo :)

Messaggioda Foto Utenteelegos » 3 feb 2013, 15:28

Per far sì che l'equazione si annulli, dobbiamo porre

V_{in}R_f + V_{out}R = 0

Ossia V_{in}R_f = -V_{out}R

Quindi, prima che Vout si inverta, al più Vout può valere:

V_{out} = -\frac{V_{in}R_f}{R}

(in realtà immagino che ci sia uno scarto in difetto per la fisicità del circuito)
Avatar utente
Foto Utenteelegos
335 3 6
Frequentatore
Frequentatore
 
Messaggi: 183
Iscritto il: 29 gen 2013, 19:43
Località: Milano

0
voti

[65] Re: Neofita di questo mondo :)

Messaggioda Foto Utentepierinter » 3 feb 2013, 15:32

Quello è esattamente il legame tra Vout e Vin
Avatar utente
Foto Utentepierinter
620 2 7 10
Expert EY
Expert EY
 
Messaggi: 1395
Iscritto il: 23 mar 2009, 0:05

3
voti

[66] Re: Neofita di questo mondo :)

Messaggioda Foto UtentePietroBaima » 3 feb 2013, 22:55

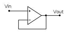
Riprendiamo il buon inseguitore di tensione, e supponiamolo posto nelle condizioni iniziali che a suo tempo stabilimmo: 0V in uscita, 1V in ingresso.



Come avevamo detto, la tensione di uscita, visto lo squilibrio esistente tra V_+ e V_- si mette a salire, decisa a portarsi verso la massima possibile.

Quando però la tensione sul morsetto invertente supera la tensione sul morsetto non invertente l'uscita dovrebbe scendere. In realtà la tensione sul morsetto invertente non oscilla nell'intorno della tensione del morsetto non invertente, ma si ha un fenomeno di stabilizzazione, perché l'operazionale non è così rapido da renderla macroscopica.

Se provi a prendere un operazionale costruito appositamente per fare da comparatore di tensione (quindi molto veloce nelle commutazioni) e lo colleghi come inseguitore di tensione (io ho provato) vedrai che non funziona, perché l'uscita oscilla. Si dice, in questo caso, che il circuito è diventato instabile. Questo, in determinate condizioni, può succedere anche con un operazionale fatto per funzionare in linearità.
Esistono dei criteri matematici (per esempio il criterio di Bode) per stabilire se un determinato circuito è stabile o no.
Inoltre di stabilità ce ne sono di diversi tipi (asintotica, di Lyapunov e molte altre).
Chiaramente non posso occuparmi di questo adesso.

Per ora consideriamo che il circuito, come è nella realtà, sia stabile, senza occuparci di dimostrarlo.
Questo vuol dire che l'uscita non oscilla, ma si stabilizza, dopo un breve periodo di transitorio, ad un valore determinato.

Proviamo a ripetere questo ragionamento per l'amplificatore invertente.
Se il circuito è questo:



Sappiamo che la tensione sul morsetto invertente vale:

V_- = \frac{V_{in}R_f + V_{out}R}{R+R_f}

Calcolata, per esempio, con la sovrapposizione degli effetti.
Supponiamo che l'operazionale si trovi con l'uscita a 0V.
Poniamo in ingresso 1V.
Poniamo, per semplicità, le due resistenze come uguali.

Secondo la formula qui sopra si ha che:
V_-=\frac{1}{2}V

Quindi succede che si ha V_+=0V e V_-=\frac{1}{2}V

(la lettera V dopo il numero indica l'unità di misura, il volt: V_{-}=0V)

La tensione sul morsetto invertente è più alta di quella sul morsetto non invertente, quindi la tensione di uscita scende.
Come sappiamo, quando si arriverà all'equilibrio si avrà una stabilizzazione.
La tensione di uscita dovrà quindi essere pari a -1V, per ottenere una tensione pari a 0 sul morsetto invertente (confronta la formula).

Ragioniamo.
Se l'operazionale si comporta sempre così, invece di ripetere questo ragionamento ogni volta, posso considerare che

\boxed{V_-=V_+}

(chiaramente l'uguale di questa equazione è un uguale circa, ma l'approssimazione è davvero ottima. Questo si potrebbe dimostrare).

questo per ogni circuito in cui l'operazione lavora in linearità.

Capito questo posso risolvere il circuito in due passaggi, così:

  1. Ricavo la tensione sul morsetto invertente. Come sappiamo è pari a:

    V_- = \frac{V_{in}R_f + V_{out}R}{R+R_f}
  2. metto a sistema con le altre cose che conosco, cioè:

    V_-=V_+
    e
    V_+=0V

A questo punto ho che:

0 = \frac{V_{in}R_f + V_{out}R}{R+R_f}

e quindi sono a posto.
Generatore codice per articoli:
nomi
Sul forum:
[pigreco]=π
[ohm]=Ω
[quadrato]=²
[cubo]=³
Avatar utente
Foto UtentePietroBaima
90,7k 7 12 13
G.Master EY
G.Master EY
 
Messaggi: 12206
Iscritto il: 12 ago 2012, 1:20
Località: Londra

0
voti

[67] Re: Neofita di questo mondo :)

Messaggioda Foto Utenteelegos » 3 feb 2013, 23:14

Immagino quindi che in questo modo possiamo impostare ad una tensione predeterminata l'uscita scegliendo opportunatamente la tensione in entrata ed il valore dei resistori (secondo la formula dedotta nella mia precedente risposta)?
Avatar utente
Foto Utenteelegos
335 3 6
Frequentatore
Frequentatore
 
Messaggi: 183
Iscritto il: 29 gen 2013, 19:43
Località: Milano

2
voti

[68] Re: Neofita di questo mondo :)

Messaggioda Foto UtentePietroBaima » 3 feb 2013, 23:18

Possiamo fare anche di più.

Abbiamo creato un amplificatore invertente, cioè un amplificatore che, oltre amplificare, può anche invertire il segno della tensione in ingresso.

Se all'ingresso applico il segnale

V_{in}=V_{max}\sin\left(\omega t\right)

in uscita otterrò il segnale

V_{out}=-\frac{R_f}{R}V_{max}\sin\left(\omega t\right)

Utile, no?
Generatore codice per articoli:
nomi
Sul forum:
[pigreco]=π
[ohm]=Ω
[quadrato]=²
[cubo]=³
Avatar utente
Foto UtentePietroBaima
90,7k 7 12 13
G.Master EY
G.Master EY
 
Messaggi: 12206
Iscritto il: 12 ago 2012, 1:20
Località: Londra

0
voti

[69] Re: Neofita di questo mondo :)

Messaggioda Foto Utenteelegos » 3 feb 2013, 23:28

sin(\omega t)

Se: \omega è il coefficiente angolare (\frac{2\pi}{T} per T = periodo), t il tempo

... allora mi è tutto chiaro :D - praticamente andiamo a modulare secondo una certa frequenza (\frac{1}{T}) il segnale in uscita, invertendolo, giusto? :-)
Avatar utente
Foto Utenteelegos
335 3 6
Frequentatore
Frequentatore
 
Messaggi: 183
Iscritto il: 29 gen 2013, 19:43
Località: Milano

3
voti

[70] Re: Neofita di questo mondo :)

Messaggioda Foto UtentePietroBaima » 3 feb 2013, 23:40

beh, non è modulare, questo.
Quello che succede è che andiamo ad invertire il segnale che trovo in ingresso e a riportarlo in uscita.

In pratica otterrei questo, se l'amplificazione è 1, cioè le resistenze sono uguali fra loro:



se l'amplificazione è superiore ad uno (Rf>R) otterremo una cosa del genere:

Generatore codice per articoli:
nomi
Sul forum:
[pigreco]=π
[ohm]=Ω
[quadrato]=²
[cubo]=³
Avatar utente
Foto UtentePietroBaima
90,7k 7 12 13
G.Master EY
G.Master EY
 
Messaggi: 12206
Iscritto il: 12 ago 2012, 1:20
Località: Londra

PrecedenteProssimo

Torna a Elettronica generale

Chi c’è in linea

Visitano il forum: Google Adsense [Bot] e 76 ospiti