Thread sugli operazionali
Moderatori:
carloc,
g.schgor,
BrunoValente,
IsidoroKZ
0
voti
Sì scusa, ho utilizzato un termine sbagliato... se avessimo voluto modulare il segnale avremmo dovuto farlo all'interno del circuito, invece è proprio Vin che varia al cambiare del tempo. In ogni caso questo effetto sinusoidale mi piace, non so ancora spiegarmelo a livello circuitale (del circuito globale), ma immagino che serva proprio per accendere e spegnere i led alternandoli con effetto fading... giusto? :P
1
voti
Cosa vuol dire che non sai spiegartelo a livello circuitale?
E' il circuito che abbiamo utilizzato fino ad adesso!
Cosa ti manca ancora per capire?
Per i led dovremo generare un segnale, per quello ti spiegherò poi come fare.
E' il circuito che abbiamo utilizzato fino ad adesso!
Cosa ti manca ancora per capire?
Per i led dovremo generare un segnale, per quello ti spiegherò poi come fare.
-

PietroBaima
90,7k 7 12 13 - G.Master EY

- Messaggi: 12206
- Iscritto il: 12 ago 2012, 1:20
- Località: Londra
1
voti
ah, ok. Comunque fin qui tutto chiaro?
-

PietroBaima
90,7k 7 12 13 - G.Master EY

- Messaggi: 12206
- Iscritto il: 12 ago 2012, 1:20
- Località: Londra
0
voti
Sì, almeno credo. Ieri ed oggi per calcolare Vout secondo Vin mi son perso in un bicchier d'acqua... ora che rileggo le varie risposte :P - quando vuoi possiamo proseguire, sono desideroso di continuare 
2
voti
subito!
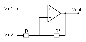
Calcola la funzione di trasferimento di questo circuito, cioè il legame tra ingresso e uscita (niente di più di quanto hai già fatto finora)
La cosa in più è che ho messo due segnali di ingresso, invece di uno solo.
Ma se ci pensi vedrai che non cambia praticamente niente
Calcola la funzione di trasferimento di questo circuito, cioè il legame tra ingresso e uscita (niente di più di quanto hai già fatto finora)
La cosa in più è che ho messo due segnali di ingresso, invece di uno solo.
Ma se ci pensi vedrai che non cambia praticamente niente
-

PietroBaima
90,7k 7 12 13 - G.Master EY

- Messaggi: 12206
- Iscritto il: 12 ago 2012, 1:20
- Località: Londra
1
voti
Allora, spero di non aver preso un abbaglio, ma dovrebbe essere così ^^


Assumiamo, secondo quanto scritto precedentemente:

Quindi:

Vogliamo sapere
in relazione a
e
, quindi:





Assumiamo, secondo quanto scritto precedentemente:

Quindi:

Vogliamo sapere
in relazione a
e
, quindi:


1
voti
sì, anche se avrei preferito che scrivessi Vout= qualcosa * Vin1 + qualcosa * Vin2
se lo scrivi così dovresti poter fare una osservazione
se lo scrivi così dovresti poter fare una osservazione
-

PietroBaima
90,7k 7 12 13 - G.Master EY

- Messaggi: 12206
- Iscritto il: 12 ago 2012, 1:20
- Località: Londra
0
voti
Vediamo di compiacerti, così puoi fare l'osservazione
(
)

Uhm... stando così le cose il coefficiente di
sarà più grande rispetto a quello di
?

Uhm... stando così le cose il coefficiente di
sarà più grande rispetto a quello di
?Ultima modifica di
elegos il 4 feb 2013, 0:30, modificato 1 volta in totale.
0
voti
mm ho un dubbio sul segno dell'uscita dovuta a Vin2. Sicuro che sia così ? 
Prima l'avevi scritto correttamente

Prima l'avevi scritto correttamente
Visita il mio sito : http://www.raffotech.altervista.org
Chi c’è in linea
Visitano il forum: Nessuno e 34 ospiti

Elettrotecnica e non solo (admin)
Un gatto tra gli elettroni (IsidoroKZ)
Esperienza e simulazioni (g.schgor)
Moleskine di un idraulico (RenzoDF)
Il Blog di ElectroYou (webmaster)
Idee microcontrollate (TardoFreak)
PICcoli grandi PICMicro (Paolino)
Il blog elettrico di carloc (carloc)
DirtEYblooog (dirtydeeds)
Di tutto... un po' (jordan20)
AK47 (lillo)
Esperienze elettroniche (marco438)
Telecomunicazioni musicali (clavicordo)
Automazione ed Elettronica (gustavo)
Direttive per la sicurezza (ErnestoCappelletti)
EYnfo dall'Alaska (mir)
Apriamo il quadro! (attilio)
H7-25 (asdf)
Passione Elettrica (massimob)
Elettroni a spasso (guidob)
Bloguerra (guerra)

pigreco]=π

