da
PietroBaima » 4 feb 2013, 20:46
ottimo!
Un'unica precisazione (grazie
IsidoroKZ)
Nell'ingresso dell'operazionale, a rigor di circuito, non è vero che non scorre proprio corrente.
Questo succede solo se l'amplificatore operazionale è ideale, cosa ovviamente impossibile.
Nel modello reale dell'amplificatore operazionale, quindi rinunciando ai sogni di perferzione, un po'
di corrente scorre. Essa è la
corrente di bias che qualche volta combina guai.
Per i nostri circuiti possiamo trascurarla, per ora, essendo molto piccola rispetto alle correnti che
consideriamo noi. Vedremo che svolge un ruolo quando si devono progettare i valori di resistenze da
utilizzare nel circuito e ne parleremo più in generale.
E' giusto che tu lo sappia fin da ora.
BTW, il training non è mica finito!
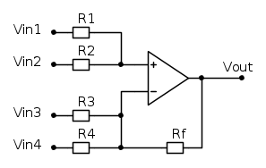
Fumati questo nuovo circuito:
