Perdonatemi l'intrusione, ma visto che sto ripassando questi argomenti ne approfitto per rispondere.
Se ho capito bene, l'esercizio chiede di quantificare la massima potenza dissipabile all'uscita della rete biporta.
Dunque, dal teorema corrispondente, si ha che il valore dell'impedenza di carico per dissipare il massimo valore di potenza (media) deve soddisfare la seguente relazione:

dove

indica l'operatore di coniugazione.
Il valore di massima potenza dissipata si trova come:

dove

indica il valore della resistenza di

.
Dobbiamo determinare tensione e impedenza equivalente di Thevenin vista ai terminali dell'impedenza di carico.
Sapendo che i parametri Z di una qualsiasi rete biporta (che ne ammetta l'esistenza) sono dati dalle relazioni:

possiamo sostituire alla rete biporta il suo modello equivalente.
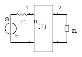
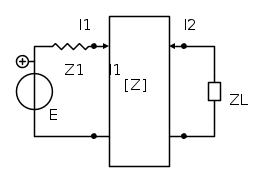
Il circuito da analizzare è il seguente:
Osserviamo che:

dove

indica il valore di

per

(cioè aprendo il ramo contenente

).
Quindi abbiamo il seguente circuito:
Nella maglia di uscita non può scorrere corrente, quindi

, di conseguenza il generatore dipendente posto nella maglia di ingresso non eroga tensione.
Troviamo quindi:

da cui, essendo

, si conclude che:

Possiamo individuare la tensione equivalente come:

dove

e

indicano rispettivamente i valori della tensione

e corrente

visti quando il generatore

è disattivato e al posto dell'impedenza

è sostituito un generatore arbitrario.
Dunque ponendo come generatore arbitrario un generatore di corrente

, si ha il seguente circuito da analizzare:
Osserviamo che:

quindi troviamo che:

quindi essendo:

si trova:

concludiamo quindi che:

A questo punto abbiamo tutti gli ingredienti per concludere l'esercizio.