Cos'è ElectroYou | Login Iscriviti

ElectroYou - la comunità dei professionisti del mondo elettrico

Sistema trifase dissimmetrico e squilibrato

Circuiti, campi elettromagnetici e teoria delle linee di trasmissione e distribuzione dell’energia elettrica

Moderatori: Foto Utenteg.schgor, Foto UtenteIsidoroKZ

0
voti

[1] Sistema trifase dissimmetrico e squilibrato

Messaggioda Foto Utentetipu91 » 4 feb 2013, 21:50



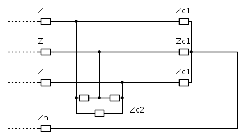
dove Z_l=0,11+j0,96 \Omega, Z_n=0,11+j0,61 \Omega, Z_c_1=4,5+j1,4 \Omega, Z_c_2=13,8+j6,1 \Omega e i valori efficaci delle tre tensioni concatenate sono V_1_2=465V, V_2_3=450V e V_1_3=490V con f=50Hz.. dovrei calcolare le correnti di linea!!

mentre facevo questo esercizio mi sono sorti dei dubbi, credo stupidi, ma non vorrei sopravvalutare nessun problema:
come mi comporto con quei carichi, o meglio, come faccio a ricavarmi un sistema con i generatori e un solo carico a stella?? sempre che sia possibile!! :?

PS DEVO risolvere l'esercizio con il "metodo delle sequenze"!!
Avatar utente
Foto Utentetipu91
1.015 6 13
Expert EY
Expert EY
 
Messaggi: 229
Iscritto il: 12 nov 2012, 18:46
Località: Pisa

0
voti

[2] Re: Sistema trifase dissimmetrico e squilibrato

Messaggioda Foto UtenteMassi79 » 4 feb 2013, 22:12

Premetto che non ho studiato il metodo delle sequenze, quindi non so se queste cose ti possano aiutare.
Per avere un unico carico a stella:
1)trasformi il carico Zc1 da stella a triangolo
2)Fai il parallelo con Zc2
3)Sommi Z1 a (Zc2//Zc1)

Io che non conosco il metodo delle sequenze, a questo punto troverei le correnti con Millman.
I fasori dei generatori te li sai calcolare?
Avatar utente
Foto UtenteMassi79
84 1 9
Frequentatore
Frequentatore
 
Messaggi: 134
Iscritto il: 21 dic 2012, 18:46

0
voti

[3] Re: Sistema trifase dissimmetrico e squilibrato

Messaggioda Foto Utentetipu91 » 5 feb 2013, 9:35

Massi79 ha scritto:Per avere un unico carico a stella:
1)trasformi il carico Zc1 da stella a triangolo

:shock: come faccio a trasformare il carico Z_c_1 a triangolo?? c'è il neutro collegato al centro stella :? per quello sono andato nel pallone, se non fosse per il neutro, farei tranquillamente il parallelo!! :cry:
Avatar utente
Foto Utentetipu91
1.015 6 13
Expert EY
Expert EY
 
Messaggi: 229
Iscritto il: 12 nov 2012, 18:46
Località: Pisa

0
voti

[4] Re: Sistema trifase dissimmetrico e squilibrato

Messaggioda Foto UtenteElectro » 5 feb 2013, 9:49

hai il testo dell'esercizio?
"La progettazione, il primo presidio della sicurezza" [Michele Guetta]
Avatar utente
Foto UtenteElectro
2.127 2 2 8
Expert EY
Expert EY
 
Messaggi: 1327
Iscritto il: 12 nov 2008, 11:14
Località: Bari

0
voti

[5] Re: Sistema trifase dissimmetrico e squilibrato

Messaggioda Foto Utentetipu91 » 5 feb 2013, 9:55

si, ma in pratica è quello che ti ho scritto li... io ho gia ricavato le impedenze dei due carihi (Z_c_1 e Z_c_2) perché dava i dati di targa e inoltre ho calcolato le impedenze di linea perché era una linea FISICAMENTE SIMMETRICA (i conduttori ai vertici di un triangolo equilatero con il neutro nel baricentro) lunga 5Km!!
comunque il testo è questo:

testo trifase.JPG
testo trifase.JPG (44.74 KiB) Osservato 3476 volte
Ultima modifica di Foto UtenteRenzoDF il 5 feb 2013, 12:20, modificato 2 volte in totale.
Motivazione: Usare il pulsante "Inserisci in linea con il testo", grazie.
Avatar utente
Foto Utentetipu91
1.015 6 13
Expert EY
Expert EY
 
Messaggi: 229
Iscritto il: 12 nov 2012, 18:46
Località: Pisa


Torna a Elettrotecnica generale

Chi c’è in linea

Visitano il forum: Nessuno e 89 ospiti