Buona sera! avrei un urgente bisogno di aiuto in questo esercizio con l'operazionale... non riesco a venirne fuori!! non so veramente come muovermi! spero riusciate ad aiutarmi!!
Amplificatore operazionale
Moderatori:
carloc,
g.schgor,
BrunoValente,
IsidoroKZ
38 messaggi
• Pagina 1 di 4 • 1, 2, 3, 4
0
voti
0
voti
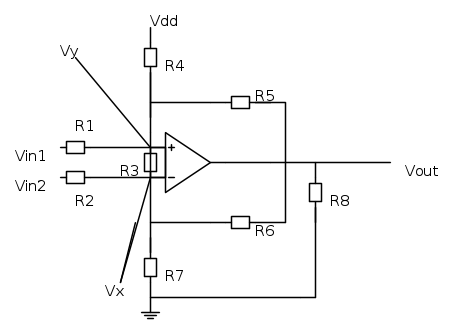
si si è così.. forse possono confondere la Vy e la Vx... quelle sono le tensioni ai nodi, le ho messe lontane e per indicare dove in realtà dove stanno ci ho messo quelle linee... mi chiedi come viene alimentato.. non l'ho capito! non riesco a muovermi perché non trovo nessuno esempio che mi riporti a questo esercizio!
0
voti
non posso scannerizzarlo... il testo, dopo aver dato tutti i valori delle resistenze e di Vdd,Vin1 e Vin2, chiede di trovare Vx , Vy e Vout... non credo siano importanti i dati, anche perché al momento non li ho sotto mano...
0
voti
ah no ecco, me l'hanno appena passato scannerizzato l'esercizio.. nel circuito che ho disegnato io ho evitato di mettere il Buffer a guadagno unitario, perché so che Vz = Vout.. è il terzo esercizio.. le correnti disegnate sopra non so se siano giuste.. eccolo..


1
voti
Il modo migliore di risolvere quell'esercizio e` sapere come avete risolto esercizi simili, con doppia retroazione, durante il corso. Sovrapposizione degli effetti? Potenziali ai nodi?
In ogni caso, se l'operazionale e` in linearita`, e dati i valori delle resistenze mi pare che lo sia, allora Vx=Vy, e trovi il valore di Vu che rende vera l'uguaglianza.
Inoltre essendo Vx=Vy si ha che la corrente attraverso R3 e` nulla e puoi sostituirla con un circuito aperto. Infine R8 e` collegata a un punto a bassissima impedenza (idealmente nulla) e quindi non modifica le tensioni del circuito.
In ogni caso, se l'operazionale e` in linearita`, e dati i valori delle resistenze mi pare che lo sia, allora Vx=Vy, e trovi il valore di Vu che rende vera l'uguaglianza.
Inoltre essendo Vx=Vy si ha che la corrente attraverso R3 e` nulla e puoi sostituirla con un circuito aperto. Infine R8 e` collegata a un punto a bassissima impedenza (idealmente nulla) e quindi non modifica le tensioni del circuito.
Per usare proficuamente un simulatore, bisogna sapere molta più elettronica di lui
Plug it in - it works better!
Il 555 sta all'elettronica come Arduino all'informatica! (entrambi loro malgrado)
Se volete risposte rispondete a tutte le mie domande
Plug it in - it works better!
Il 555 sta all'elettronica come Arduino all'informatica! (entrambi loro malgrado)
Se volete risposte rispondete a tutte le mie domande
0
voti
è la prima volta che vediamo un esercizio così... infatti nessuno all'esame l'ha fatto.. ma Vx = Vy l'avevo intuito ma come lo trovo?? attraverso le correnti?
1
voti
La domanda non era se avevi gia` visto un esercizio cosi`, ma come sono stati risolti questi esercizi durante il corso. Escludo che all'esame vi vengano dati degli esercizi per i quali non siete stati preparati.
Una possibilita` e` di calcolare Vx e Vy con il metodo dei potenziali ai nodi. Imponendo poi l'uguaglianza, si trova Vu in funzione di V1 e V2.
Una possibilita` e` di calcolare Vx e Vy con il metodo dei potenziali ai nodi. Imponendo poi l'uguaglianza, si trova Vu in funzione di V1 e V2.
Per usare proficuamente un simulatore, bisogna sapere molta più elettronica di lui
Plug it in - it works better!
Il 555 sta all'elettronica come Arduino all'informatica! (entrambi loro malgrado)
Se volete risposte rispondete a tutte le mie domande
Plug it in - it works better!
Il 555 sta all'elettronica come Arduino all'informatica! (entrambi loro malgrado)
Se volete risposte rispondete a tutte le mie domande
0
voti
mmm.. quando il docente ha spiegato gli op-amp io ero presente e non ha trattato questo caso... se li ha fatti un giorno in cui io ero assente non saprei...
ma in questo caso, per esempio
?? o semplicemente
??
ma in questo caso, per esempio
?? o semplicemente
??
38 messaggi
• Pagina 1 di 4 • 1, 2, 3, 4
Chi c’è in linea
Visitano il forum: Nessuno e 165 ospiti

Elettrotecnica e non solo (admin)
Un gatto tra gli elettroni (IsidoroKZ)
Esperienza e simulazioni (g.schgor)
Moleskine di un idraulico (RenzoDF)
Il Blog di ElectroYou (webmaster)
Idee microcontrollate (TardoFreak)
PICcoli grandi PICMicro (Paolino)
Il blog elettrico di carloc (carloc)
DirtEYblooog (dirtydeeds)
Di tutto... un po' (jordan20)
AK47 (lillo)
Esperienze elettroniche (marco438)
Telecomunicazioni musicali (clavicordo)
Automazione ed Elettronica (gustavo)
Direttive per la sicurezza (ErnestoCappelletti)
EYnfo dall'Alaska (mir)
Apriamo il quadro! (attilio)
H7-25 (asdf)
Passione Elettrica (massimob)
Elettroni a spasso (guidob)
Bloguerra (guerra)





