salve,
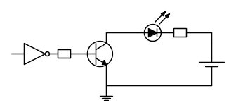
a scuola la prof ci ha detto che per pilotare un LED affinché duri di più, bisogna fare cosi
io non ho capito in che modo la porta e una transistor allungano la vita del LED
la prof ha tirato ballo varie correnti, ma io sinceramente non ho afferrato il concetto
qualcuno conosce questo metodo?
Pilotare un LED
Moderatori:
carloc,
g.schgor,
BrunoValente,
IsidoroKZ
6 messaggi
• Pagina 1 di 1
0
voti
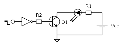
Il circuito funziona meglio così 
Non sono la porta ed il transistore ad allungare la vita del LED (comunque non si allunga niente).
La resistenza in serie serve per limitare la corrente con cui alimenti il LED.
Senza la resistenza R1 il LED si brucerebbe (e molto probabilmente anche il transistore), perché (sempre il LED) ha di per sé una resistenza interna molto bassa, e la dissipazione di potenza sarebbe eccessiva per i suoi limiti nominali.
Anche una corrente di alimentazione eccessiva (prossima al valore massimo sopportato dal diodo LED), seppur con resistenza in serie, contribuisce a "accorciare" la vita del LED.
tavillas ha scritto:io non ho capito in che modo la porta e una transistor allungano la vita del LED
Non sono la porta ed il transistore ad allungare la vita del LED (comunque non si allunga niente).
La resistenza in serie serve per limitare la corrente con cui alimenti il LED.
Senza la resistenza R1 il LED si brucerebbe (e molto probabilmente anche il transistore), perché (sempre il LED) ha di per sé una resistenza interna molto bassa, e la dissipazione di potenza sarebbe eccessiva per i suoi limiti nominali.
Anche una corrente di alimentazione eccessiva (prossima al valore massimo sopportato dal diodo LED), seppur con resistenza in serie, contribuisce a "accorciare" la vita del LED.
0
voti
Mi piacerebbe capire se quando il professore parla tu stai a sentire o giochi col telefonino.
Quello che hai disegnato ( sbagliando) e' la rappresentazione di come accendere un led con un impulso proveniente da una porta logica che, spesso, non e' in grado di farlo in modo autonomo.
Il transistor serve da interruttore e, come si vede, collega il led al riferimento; led che e' gia' collegato al positivo di alimentazione tramite una resistenza di limitazione il cui scopo ti e' gia' stato spiegato da
simo85.
Quello che hai disegnato ( sbagliando) e' la rappresentazione di come accendere un led con un impulso proveniente da una porta logica che, spesso, non e' in grado di farlo in modo autonomo.
Il transistor serve da interruttore e, come si vede, collega il led al riferimento; led che e' gia' collegato al positivo di alimentazione tramite una resistenza di limitazione il cui scopo ti e' gia' stato spiegato da
marco
0
voti
purtroppo io faccio molta fatica a capire queste cose
,
poi ci si mette anche il prof che si rifiuta di spiegare le sesse cose due volte,
se gli chiedo di rispiegare, vengo trattato come uno stupido
questa è l'amara verità, se no, non ero su questo forum
poi ci si mette anche il prof che si rifiuta di spiegare le sesse cose due volte,
se gli chiedo di rispiegare, vengo trattato come uno stupido
questa è l'amara verità, se no, non ero su questo forum
0
voti
Secondo me il professore sta spiegando l'argomento come è giusto che sia.
La porta logica serve ad accendere il transistore quando la tensione al suo ingresso passa da VIH (1) a VIL (0). Essendo una NOT di conseguenza l'output passarà dallo stato logico 0 (VOL) a 1 (VOH). A questo punto si accende il transistore.
A cosa serve il transistore? La risposta è che le porte logiche vengono progettate per pilotare altrettante porte logiche e/o carichi che consumano poca corrente, quindi di una resistenza molta alta.
La corrente necessaria per alimentare la Base del transistore è minore della corrente a cui si vuole alimentare il LED (altrimenti il transistore sarebbe praticamente inutile), che potrebbe essere eccessiva per l'output della porta logica, causando molto probabilmente il danneggiamento della stessa.
tavillas ha scritto:ma la porta logica e il transistor a che servono
La porta logica serve ad accendere il transistore quando la tensione al suo ingresso passa da VIH (1) a VIL (0). Essendo una NOT di conseguenza l'output passarà dallo stato logico 0 (VOL) a 1 (VOH). A questo punto si accende il transistore.
A cosa serve il transistore? La risposta è che le porte logiche vengono progettate per pilotare altrettante porte logiche e/o carichi che consumano poca corrente, quindi di una resistenza molta alta.
La corrente necessaria per alimentare la Base del transistore è minore della corrente a cui si vuole alimentare il LED (altrimenti il transistore sarebbe praticamente inutile), che potrebbe essere eccessiva per l'output della porta logica, causando molto probabilmente il danneggiamento della stessa.
6 messaggi
• Pagina 1 di 1
Chi c’è in linea
Visitano il forum: Nessuno e 77 ospiti

Elettrotecnica e non solo (admin)
Un gatto tra gli elettroni (IsidoroKZ)
Esperienza e simulazioni (g.schgor)
Moleskine di un idraulico (RenzoDF)
Il Blog di ElectroYou (webmaster)
Idee microcontrollate (TardoFreak)
PICcoli grandi PICMicro (Paolino)
Il blog elettrico di carloc (carloc)
DirtEYblooog (dirtydeeds)
Di tutto... un po' (jordan20)
AK47 (lillo)
Esperienze elettroniche (marco438)
Telecomunicazioni musicali (clavicordo)
Automazione ed Elettronica (gustavo)
Direttive per la sicurezza (ErnestoCappelletti)
EYnfo dall'Alaska (mir)
Apriamo il quadro! (attilio)
H7-25 (asdf)
Passione Elettrica (massimob)
Elettroni a spasso (guidob)
Bloguerra (guerra)




