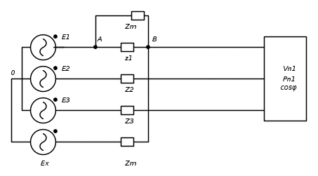
applicando opportunamente thevenin.Adesso il mio dubbio, sarebbe conveniente fare l'equivalente tra i punti 0-B? grazie in anticipo!
Moderatori:
g.schgor,
IsidoroKZ
applicando opportunamente thevenin.Pando ha scritto: Adesso il mio dubbio, sarebbe conveniente fare l'equivalente tra i punti 0-B?

e
poi ho applicato Thevenin tra i morsetti O-B. I risultati sono:
perché facendo il parallelo tra le impedenze
e
mi sono accorto che la rete trifase vista dai due morsetti O-B risulta simmetrica ed equilibrata, quindi ho studiato solo la fase 1 del circuito per il generatore equivalente di Thevenin (che mi risulta di polarità opposta e quello
).

tipu91 ha scritto: I risultati sono:

tipu91 ha scritto:e![]()


tipu91 ha scritto:...quindi facendo i calcoli:

tipu91 ha scritto:...come la calcolo qui la tensione tra o e K??? perché allora mi sa che mi sono confuso
Torna a Elettrotecnica generale
Visitano il forum: Google [Bot] e 20 ospiti