belva87 ha scritto:
Mi riferisco a quando parlidel diodo e di T1 e del differenziale T2 T3, la resistenza da 1 ohm in particolare...
Specchi di corrente one oh one. Lo specchio di corrente base (supposto noto) e` fatto in questo modo:
Se i due transistori sono identici, stessa temperatura, la corrente di uscita Iout e quella di ingresso Iin sono circa uguali perche' sono uguali le VBE. Se i transistori hanno un'area diversa di un fattore k, ceteris paribus, la corrente di uscita sara` variata di un fattore k. Per fare fattori di specchiaggio molto minori di uno, senza dover usare aree di silicio molto grandi, si usa questo circuito, inventato da Widlar:
Questo pero` non e` lineare, la corrente di uscita non e` pari a quella di ingresso moltiplicata per un fattore costante perche' ci sono di mezzo funzioni logaritmiche che determinano la tensione VBE.
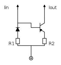
Il transistore sul lato di ingresso e` collegato a diodo, e quindi lo specchio lo si potrebbe anche disegnare cosi`:
Se si usa un vero diodo non c'e` verso che questo circuito possa funzionare in modo decente: le temperature dei due dispositivi sono diverse, la tecnologia pure, il rapporto delle aree per lo piu` sconosciuto, e soprattutto i diodi hanno una equazione diversa da quella della giunzione dei transistori a causa di un fattore

... In pratica no hope che funzioni ragionevolmente.
Quello che si puo` fare e` considerare che le due cadute di tensione fra diodo e VBE sono
all'incirca simili. Allora si puo` modificare il circuito in questo modo:
Allora se le cadute di tensione su diodo e VBE sono
all'incirca uguali, anche le cadute di tensione su R1 e R2 saranno all'incirca uguali, e quindi le correnti nei due rami, inclusa quindi la corrente di collettore, saranno inversamente proporzionali alle resistenze.
Se si vuole dividere la corrente di ingresso per 100, bastera` prendere R2=100R1.
In realta` le cadute di tensione di diodo e BJT non sono uguali, perche' i due dispositivi sono usati con una densita` di corrente abbastanza diversa, il diodo ha il fattore

, le tecnologie sono diverse... In pratica la resistenza serie del diodo si fa sentire maggiormente rispetto al lato transistor, e quindi e` come se R1 fosse un po' piu` grande del resistore soltanto.
La caduta di tensione su R1 ed R2 dovrebbe essere molto maggiore della tensione della caduta sulle giunzioni per non sentire dell'effetto delle resistenze, ma d'altra parte non si puo` aumentare troppo perche' non si vuole buttare via troppa tensione sullo specchio. La scelta che ho fatto e` stata di avere circa 2V di caduta sullo specchio con una corrente di 1A, e quindi ho messo R1 di 0.82 ohm. Da notare che un diodo di potenza fa cadere oltre 1V quando lavora. Per cercare di ridurre questa caduta ho specificato un diodo da 3A, ma non e` che faccia un grande effetto.
Da ricordare che dopo lo specchio avremo circa solo 10V di tensione. Per motivi di carico che faceva la base del transistor, specie con il precedente circuito senza differenziale, volevo tenere le resistenze basse per avere parecchia corrente di base dell'npn che abbassa la tensione di uscita, anche quando il carico era solo a 100mA o giu` di li`.
Questo vuol dire che se voglio dallo specchio almeno 1mA quando la corrente di carico e` di 100mA, il rapporto di specchiaggio deve essere di circa 100:1.
D'altra parte con piena corrente di uscita, 1A, avrei circa 10mA dallo specchio, un po' troppo perche' devo ricordare che ci sono solo 10V a disposizione, e quindi non posso usare una resistenza totale maggiore di 1kohm. Dato che i componenti piu` critici sono i potenziometri, nel senso che per lo piu` si trovano solo nella sequenza 1-2-5, ho scelto un pot da 1kohm, piu` una resistenza in serie, e questo ha comportato di dover abbassare il rapporto di specchiaggio dalle parti di 120:1. In realta` a causa delle differnze di giunzione dette prima, il valore di specchiaggio sara` piu` alto, dalle parti di 110:1 ad esempio, che vuol dire dalle parti di 9mA. Dovrebbe ancora andare bene.
Adesso ripassati i differenziali, la transcaratteristica a tangente iperbolica con relativa linearizzazione, saturazione, e l'impedenza differenziale.