Cos'è ElectroYou | Login Iscriviti

ElectroYou - la comunità dei professionisti del mondo elettrico

dubbio esercizio regime sinusoidale

Circuiti, campi elettromagnetici e teoria delle linee di trasmissione e distribuzione dell’energia elettrica

Moderatori: Foto Utenteg.schgor, Foto UtenteIsidoroKZ

0
voti

[1] dubbio esercizio regime sinusoidale

Messaggioda Foto Utentepasqua » 12 feb 2013, 21:19

Buonasera,

vi ringrazio molto per la disponibilità nei precedenti post che ho pubblicato,

ho un dubbio su questo esercizio, l'ho rifatto un sacco di volte ricontrollando e ricontrollando i calcoli e non capisco se sbaglio io qualcosa oppure il risultato che viene riportato dal libro è sbagliato.

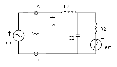
ho questo circuito in regime sinusoidale:


dati:
tutti i componenti del circuito sono noti,
fasori a valore efficace:
R_{1}=R_{2}=10
C_{1}=C_{2}=-10j
Z_{1}=10j
Z_{2}=5j
\overline{E}=10\sqrt{2}j
\overline{J}=\sqrt{2}-\sqrt{2}j

si chiede di:
-trovare la potenza P_{w} misurata dal wattmetro
-trovare la potenza reattiva Q_{C1} del condensatore ideale C1.

i risultati del libro sono: P_{w}= -20 var e Q_{C1}= -20 var
(il dubbio ce l'ho sul secondo risultato, il primo mi viene)

io ho risolto così:
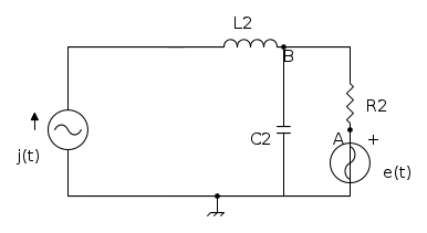
L1 e C1 sono in risonanza dunque sostituisco con un circuito aperto e ottengo questa rete:



applico thevenin nella parte destra della rete e ottengo:
\overline{I}= \frac{\overline{E}}{R_{2}+Z_{C2}}= \frac{j10\sqrt{2}}{10-10j}= -\frac{\sqrt{2}}{2}+\frac{\sqrt{2}}{2}j

V_{eq}=Z_{C2}\overline{I}=5\sqrt{2}+5\sqrt{2}
Z_{eq}=5
ora trovo la tensione ai capi di A e B
sapendo che I_{w}=-\overline{J}=-\sqrt{2}+\sqrt{2}j
V_{AB}=V_{w}= V_{eq} -  Z_{eq}I_{w} = 10\sqrt{2}
ora trovo P_{w} che è la parte reale della potenza complessa \dot{A}=\overline{E}I_{w}^{\ast }= -20 -20j

quindi P_{w}= -20var
ed è uguale al risultato del libro

ora per trovare Q_{C1}
sfrutto la maglia: composta da V_{w}, R1 e C1
trovandomi la corrente
I_{1}=\frac{V_{w}}{R_{1}+Z_{C1}}= \frac{10\sqrt{2}}{10-10j}=\frac{\sqrt{2}}{2}+\frac{\sqrt{2}}{2}j
V_{C1}= I_{1}Z_{C1}=5\sqrt{2}-5\sqrt{2}j
|V_{C1}|= 10
Q_{C1}=\frac{|V_{C1}|^{}}{X_{C1}} =\frac{10^{2}}{-10}= -10 :? diverso dal risultato del libro che dà -20

ho ricontrollato svariate volte i calcoli, ma mi sembrano corretti, ho sbagliato qualcosa, o mi manca qualche passaggio oppure il libro dà il risultato errato?

vi ringrazio in anticipo :)
Avatar utente
Foto Utentepasqua
25 2
 
Messaggi: 21
Iscritto il: 30 gen 2013, 18:29

0
voti

[2] Re: dubbio esercizio regime sinusoidale

Messaggioda Foto UtenteRenzoDF » 12 feb 2013, 22:08

pasqua ha scritto:... ho sbagliato qualcosa, o mi manca qualche passaggio oppure il libro dà il risultato errato?

Mi sa che di passaggi me hai fatti troppi, in R1 non circola corrente, e comunque non sarebbe in ogni caso la stessa che scorre in C1. ;-)

BTW la potenza attiva si misura in watt ... e le capacità in farad, senza j e segno meno ... Z1 e Z2 cosa mi rappresentano? ... non serve mettere linee per cappello ai fasori, ad ogni modo se vuoi farlo devi usarle anche per tutte le tensioni e correnti.
"Il circuito ha sempre ragione" (Luigi Malesani)
Avatar utente
Foto UtenteRenzoDF
55,9k 8 12 13
G.Master EY
G.Master EY
 
Messaggi: 13189
Iscritto il: 4 ott 2008, 9:55

1
voti

[3] Re: dubbio esercizio regime sinusoidale

Messaggioda Foto UtenteMassi79 » 13 feb 2013, 2:19

Anche a me vengono i tuoi stessi risultati, però non facevi prima a fare così?

Analisi nodale

J=V_B(\frac{1} {C_2}+ \frac{1} {R_2})-\frac{E} {R_2}
Trovo V_B.
S_J=V_aJ^*
S_{C1}=\frac{V_a^2} {-C_1}
Avatar utente
Foto UtenteMassi79
84 1 9
Frequentatore
Frequentatore
 
Messaggi: 134
Iscritto il: 21 dic 2012, 18:46

0
voti

[4] Re: dubbio esercizio regime sinusoidale

Messaggioda Foto Utentepasqua » 13 feb 2013, 10:53

RenzoDF ha scritto:
pasqua ha scritto:... ho sbagliato qualcosa, o mi manca qualche passaggio oppure il libro dà il risultato errato?

Mi sa che di passaggi me hai fatti troppi, in R1 non circola corrente, e comunque non sarebbe in ogni caso la stessa che scorre in C1. ;-)

BTW la potenza attiva si misura in watt ... e le capacità in farad, senza j e segno meno ... Z1 e Z2 cosa mi rappresentano? ... non serve mettere linee per cappello ai fasori, ad ogni modo se vuoi farlo devi usarle anche per tutte le tensioni e correnti.


chiedo scusa ho sbagliato a scrivere

Z_{C1}=Z_{C2}=-10j
Z_{L1}=10j
Z_{L2}=5j
Avatar utente
Foto Utentepasqua
25 2
 
Messaggi: 21
Iscritto il: 30 gen 2013, 18:29

0
voti

[5] Re: dubbio esercizio regime sinusoidale

Messaggioda Foto Utentepasqua » 13 feb 2013, 11:04

Massi79 ha scritto:Anche a me vengono i tuoi stessi risultati, però non facevi prima a fare così?

S_J=V_aJ^*
S_{C1}=\frac{V_a^2} {-C_1}


chiedo scusa, non ho capito questi due ultimi passaggi
Avatar utente
Foto Utentepasqua
25 2
 
Messaggi: 21
Iscritto il: 30 gen 2013, 18:29

0
voti

[6] Re: dubbio esercizio regime sinusoidale

Messaggioda Foto UtenteRenzoDF » 13 feb 2013, 11:11

pasqua ha scritto:... chiedo scusa ho sbagliato a scrivere

Non era quella degli errori di scrittuta la importante della mia risposta ... ma quest'altra

..., in R1 non circola corrente, e comunque non sarebbe in ogni caso la stessa che scorre in C1. ;-)
"Il circuito ha sempre ragione" (Luigi Malesani)
Avatar utente
Foto UtenteRenzoDF
55,9k 8 12 13
G.Master EY
G.Master EY
 
Messaggi: 13189
Iscritto il: 4 ott 2008, 9:55

0
voti

[7] Re: dubbio esercizio regime sinusoidale

Messaggioda Foto Utentepasqua » 13 feb 2013, 11:15

RenzoDF ha scritto:
pasqua ha scritto:... chiedo scusa ho sbagliato a scrivere

Non era quella degli errori di scrittuta la importante della mia risposta ... ma quest'altra

..., in R1 non circola corrente, e comunque non sarebbe in ogni caso la stessa che scorre in C1. ;-)


stavo per rispondere anche a questa :)

ma se non circola corrente ha senso calcolare la potenza entrante in C1 ?
Avatar utente
Foto Utentepasqua
25 2
 
Messaggi: 21
Iscritto il: 30 gen 2013, 18:29

0
voti

[8] Re: dubbio esercizio regime sinusoidale

Messaggioda Foto UtenteRenzoDF » 13 feb 2013, 11:19

pasqua ha scritto:...ma se non circola corrente ha senso calcolare la potenza entrante in C1 ?

Ma leggi le risposte? :-)

Non ho detto che non circola corrente in C1, ma bensì in R1 e di conseguenza ... per la legge di Ohm ... ;-)
"Il circuito ha sempre ragione" (Luigi Malesani)
Avatar utente
Foto UtenteRenzoDF
55,9k 8 12 13
G.Master EY
G.Master EY
 
Messaggi: 13189
Iscritto il: 4 ott 2008, 9:55

1
voti

[9] Re: dubbio esercizio regime sinusoidale

Messaggioda Foto Utentepasqua » 13 feb 2013, 11:24

RenzoDF ha scritto:... Non ho detto che non circola corrente in C1, ma bensì in R1 e di conseguenza ... per la legge di Ohm ... ;-)


perciò V_{j}=V_{C1}= 10\sqrt{2} ?
Avatar utente
Foto Utentepasqua
25 2
 
Messaggi: 21
Iscritto il: 30 gen 2013, 18:29

1
voti

[10] Re: dubbio esercizio regime sinusoidale

Messaggioda Foto UtenteRenzoDF » 13 feb 2013, 11:25

pasqua ha scritto: ... perciò V_{j}=V_{C1}= 10\sqrt{2} ?

Proprio così :ok:
"Il circuito ha sempre ragione" (Luigi Malesani)
Avatar utente
Foto UtenteRenzoDF
55,9k 8 12 13
G.Master EY
G.Master EY
 
Messaggi: 13189
Iscritto il: 4 ott 2008, 9:55

Prossimo

Torna a Elettrotecnica generale

Chi c’è in linea

Visitano il forum: Nessuno e 89 ospiti